Поточний час: 17 груд 2025, 21:37

Часовий пояс: UTC + 2 години



Почати нову тему Відповісти на тему  [ Повідомлень: 137 ]  На сторінку Пред.  1, 2, 3, 4, 5, 6, 7 ... 10  Наступ.
Автор Повідомлення
 Заголовок повідомлення: Re: Бюджетная зарядка.
#92704Повідомлення 24 жовт 2019, 14:28 
Активіст форуму
Аватара користувача
Не в мережі

Звідки: Троицк
Дякував (ла) 69 Подякували 105
Почему я и предложил в зарядном регулировку тока.....балластной емкостью (вместо катушек на магнитопроводе - конденсатор как реактивный элемент технологичнее и дешевле в производстве чем индуктивный элемент).


Разнообразные ферриты можно у Артема Терейковского посмотреть на http://www.ferrite.com.ua - страну (соответственно и все магазины) ими снабжает :D .

_________________
-----------------------------------------------------------------------
Лучше сразу взяться за ум, чтобы потом не хвататься за голову!


Повернутися до початку
 Профіль  
Відповісти цитуючи  
 Заголовок повідомлення: Re: Бюджетная зарядка.
#92867Повідомлення 28 жовт 2019, 19:48 
Активіст форуму
Аватара користувача
Не в мережі

Звідки: Троицк
Дякував (ла) 69 Подякували 105
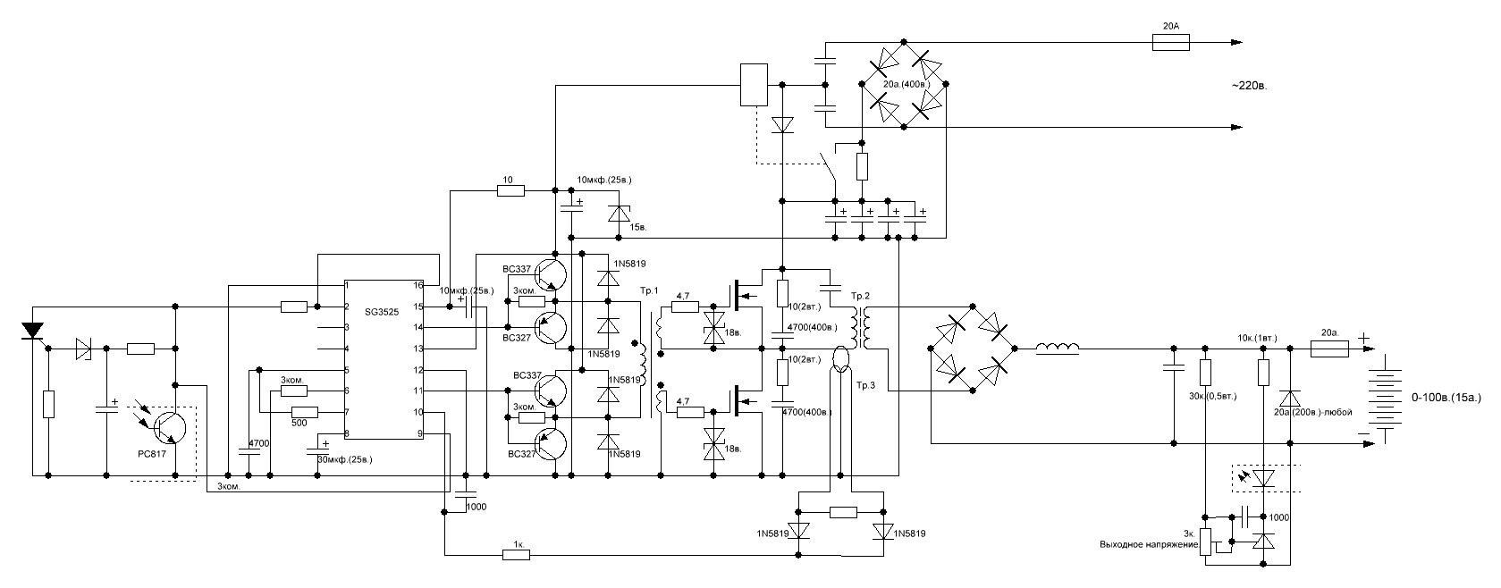
Продолжение темы.
Есть желающие повторить?


Додаткові файли:
На SG3525.JPG
На SG3525.JPG [ 121.71 КБ | Переглядів: 8163 ]

_________________
-----------------------------------------------------------------------
Лучше сразу взяться за ум, чтобы потом не хвататься за голову!
Повернутися до початку
 Профіль  
Відповісти цитуючи  
 Заголовок повідомлення: Re: Бюджетная зарядка.
#92891Повідомлення 28 жовт 2019, 22:37 
Власник електровелосипеда
Аватара користувача
Не в мережі

Звідки: Херсон, Украина
Дякував (ла) 144 Подякували 141
Мій електротранспорт: Эл.вел 48В/500Вт
Я пасс - уже наступал на эти грабли. Моё зарядное в такой конфигурации ещё и ток стабилизировало (могу даже фотку внешнего вида завтра прицепить), и отключалось при токе менее 0,5А (как по доке на аккумы). Что интересно, на активную нагрузку работало "на ура", вплоть до КЗ.
Подкидываю аккумы, работает полминуты и хлопают оба транзистора. Пробовал и оптодрайверы, и ТГР - одинаково.


Повернутися до початку
 Профіль  
Відповісти цитуючи  
 Заголовок повідомлення: Re: Бюджетная зарядка.
#92893Повідомлення 28 жовт 2019, 23:41 
Власник електровелосипеда, член клубу
Не в мережі

Звідки: Запорожье
Дякував (ла) 88 Подякували 89
Мій електротранспорт: Э-Скутер Aima journey king s
igo61 писав(ла):
Я пасс - уже наступал на эти грабли.

Наступали вот на эти грабли.......?


Додаткові файли:
схема ЗУ завершенная2.JPG
схема ЗУ завершенная2.JPG [ 177.27 КБ | Переглядів: 8135 ]
Повернутися до початку
 Профіль  
Відповісти цитуючи  
 Заголовок повідомлення: Re: Бюджетная зарядка.
#92896Повідомлення 29 жовт 2019, 08:05 
Власник електровелосипеда
Аватара користувача
Не в мережі

Звідки: Херсон, Украина
Дякував (ла) 144 Подякували 141
Мій електротранспорт: Эл.вел 48В/500Вт
Из этой схемы у меня взят только индикатор режимов и переделан в "выключатель по окончании зарядки", отключающий как сеть от зарядного, так и зарядное от батареи.


Повернутися до початку
 Профіль  
Відповісти цитуючи  
 Заголовок повідомлення: Re: Бюджетная зарядка.
#92907Повідомлення 29 жовт 2019, 10:48 
Активіст форуму
Аватара користувача
Не в мережі

Звідки: Троицк
Дякував (ла) 69 Подякували 105
Вообще то люди опрометчиво лезут аж на 50 кГц.
Понятны желания сделать поменьше, но, тут палка о двух концах.
При доморощенной элементной базе - 27 кГц. самое оно. И чем больше мощность тем надо более спускаться вниз по частоте......на землю :D .
Да и вообще надо уходить от кратности 50 Гц.
Все те же импортные инвертора либо 32кГц., 66, 77. Это не зря.
Во вторых смотрю во многих схемах на SG3525 мертвое время выбирают около 1% от длительности импульса, а это на частоте 50 кГц. - 0,1 мкс!!! 8O 8O 8O. Полнейшая ересь.
Да и других вещей полно против логики. Потом негодования - почему горит.

_________________
-----------------------------------------------------------------------
Лучше сразу взяться за ум, чтобы потом не хвататься за голову!


Повернутися до початку
 Профіль  
Відповісти цитуючи  
 Заголовок повідомлення: Re: Бюджетная зарядка.
#92914Повідомлення 29 жовт 2019, 11:44 
Власник електровелосипеда
Аватара користувача
Не в мережі

Звідки: Херсон, Украина
Дякував (ла) 144 Подякували 141
Мій електротранспорт: Эл.вел 48В/500Вт


Оффтоп
:D Дядьку, а з ким ви зараз розмовляли? :D


Повернутися до початку
 Профіль  
Відповісти цитуючи  
 Заголовок повідомлення: Re: Бюджетная зарядка.
#92915Повідомлення 29 жовт 2019, 11:49 
Активіст форуму
Аватара користувача
Не в мережі

Звідки: Троицк
Дякував (ла) 69 Подякували 105
Глянул на схему что Андронтий подкинул.
Тут еще надо быть уверенным в "правильных" радиоэлементах, а не "подаренных" на Тао, Али.
В отечественных инет магазинах по отзывам - сплошной перемаркер.

_________________
-----------------------------------------------------------------------
Лучше сразу взяться за ум, чтобы потом не хвататься за голову!


Повернутися до початку
 Профіль  
Відповісти цитуючи  
 Заголовок повідомлення: Re: Бюджетная зарядка.
#92919Повідомлення 29 жовт 2019, 12:27 
Site Admin
Аватара користувача
Не в мережі

Звідки: город Киев
Дякував (ла) 420 Подякували 1155
Мій електротранспорт: Nissan Leaf
танго писав(ла):
Продолжение темы.
Есть желающие повторить?..

Точно повторить? Неужели есть проверенный образец? 8O
Можно фотки посмотреть? O_o
А если нет, то так и говори, что это твоя очередная фантазия, и не вводи людей в заблуждение... :maul:

_________________
Чем скуднее знания, тем категоричней суждения.

"Глупцы все, кто глупцами кажутся и половина тех, что не кажется". (Бальтасар Грасиан)


Повернутися до початку
 Профіль  
Відповісти цитуючи  
 Заголовок повідомлення: Re: Бюджетная зарядка.
#92921Повідомлення 29 жовт 2019, 13:35 
Активіст форуму
Аватара користувача
Не в мережі

Звідки: Троицк
Дякував (ла) 69 Подякували 105
Пока что есть чем заряжать, а коллекционировать их мне ни к чему.
Кому надо тот возьмется и сделает.
Кто то еще с 2011 года пытался зарядно-пусковое на форумах делать. Или в sweet dream так и осталось? :freu2:

_________________
-----------------------------------------------------------------------
Лучше сразу взяться за ум, чтобы потом не хвататься за голову!


Повернутися до початку
 Профіль  
Відповісти цитуючи  
 Заголовок повідомлення: Re: Бюджетная зарядка.
#96748Повідомлення 11 січ 2020, 11:49 
Активіст форуму
Аватара користувача
Не в мережі

Звідки: Троицк
Дякував (ла) 69 Подякували 105
sokol писав(ла):
Я имел ввиду простую, с минимумом деталей, чтобы я сам мог собрать. С трансформатором это просто, но дорог сам трансформатор. Хочу импульсник простой как тошибра, но чтоб не взрывался от перегруза.


Ты будешь его делать?
Схему можно оформить.
Никаких бета-альфа-омега тестеровщиков!!!
Только сам!

_________________
-----------------------------------------------------------------------
Лучше сразу взяться за ум, чтобы потом не хвататься за голову!


Повернутися до початку
 Профіль  
Відповісти цитуючи  
 Заголовок повідомлення: Re: Бюджетная зарядка.
#96762Повідомлення 11 січ 2020, 15:25 
Творець електромобіля, член клубу
Аватара користувача
Не в мережі

Дякував (ла) 133 Подякували 214
Мій електротранспорт: Электра 2
Буду если просто, без компораторов и контроллеров


Повернутися до початку
 Профіль  
Відповісти цитуючи  
 Заголовок повідомлення: Re: Бюджетная зарядка.
#96763Повідомлення 11 січ 2020, 15:51 
Власник електромобіля
Не в мережі

Звідки: Poltava
Дякував (ла) 42 Подякували 134
Мій електротранспорт: Chevrolet Volt
танго писав(ла):
Кто то еще с 2011 года пытался зарядно-пусковое на форумах делать. Или в sweet dream так и осталось? :freu2:

не в тему але пускове без зарядного можна на коленке собрать
Дешево , якщо є сварочник і парочка тиристорів.


Додаткові файли:
Изображение 001.jpg
Изображение 001.jpg [ 88.72 КБ | Переглядів: 7977 ]
Изображение 006.jpg
Изображение 006.jpg [ 99.89 КБ | Переглядів: 7977 ]
Повернутися до початку
 Профіль  
Відповісти цитуючи  
 Заголовок повідомлення: Re: Бюджетная зарядка.
#96764Повідомлення 11 січ 2020, 18:58 
Власник електровелосипеда, член клубу
Не в мережі

Звідки: Запорожье
Дякував (ла) 88 Подякували 89
Мій електротранспорт: Э-Скутер Aima journey king s
IoN1 писав(ла):
танго писав(ла):
Кто то еще с 2011 года пытался зарядно-пусковое на форумах делать. Или в sweet dream так и осталось? :freu2:

не в тему але пускове без зарядного можна на коленке собрать
Дешево , якщо є сварочник і парочка тиристорів.
явно не в тему........ :doh:


Повернутися до початку
 Профіль  
Відповісти цитуючи  
 Заголовок повідомлення: Re: Бюджетная зарядка.
#96770Повідомлення 11 січ 2020, 20:00 
Активіст форуму
Аватара користувача
Не в мережі

Звідки: Троицк
Дякував (ла) 69 Подякували 105
Попробуем простейший БП (на пару киловатт) с самовозбуждением оформить.
Чисто БП.

Сокол, выходное какое напряжение надо?

_________________
-----------------------------------------------------------------------
Лучше сразу взяться за ум, чтобы потом не хвататься за голову!


Повернутися до початку
 Профіль  
Відповісти цитуючи  
Показати повідомлення за:  Поле сортування  
Почати нову тему Відповісти на тему  [ Повідомлень: 137 ]              На сторінку Пред.  1, 2, 3, 4, 5, 6, 7 ... 10  Наступ.

Часовий пояс: UTC + 2 години


Хто зараз на конференції

Зараз цей форум переглядають: немає зареєстрованих користувачів і гості: 10


Ви не можете створювати нові теми
Ви не можете відповідати на повідомлення
Ви не можете редагувати свої повідомлення
Ви не можете видаляти свої повідомлення
Ви не можете додавати додаткові файли

Найти:
Створено на основі phpBB® Forum Software © phpBB Group