Поточний час: 19 бер 2026, 20:43

Часовий пояс: UTC + 2 години



Почати нову тему Відповісти на тему  [ Повідомлень: 107 ]  На сторінку Пред.  1, 2, 3, 4, 5, 6 ... 8  Наступ.
Автор Повідомлення
 Заголовок повідомлення: Re: Флудилка 2
#120001Повідомлення 02 лип 2021, 15:01 
Не в мережі

Звідки: Днепр
Дякував (ла) 1211 Подякували 1200
Polevik писав(ла):
легко решается переключателем печки от любого автомобиля.

та ладно?! Сеъезно?! А я и не догадывался шо так всё просто :lachtot:
Polevik писав(ла):
Но лучше бы обрисовать задачу целиком, а то потом окажется,

Я понимаю,что второстепенные темы не заслуживают особо пристального внимания,но...всё уже давно обрисовано... конкретнее некуда...в начальных сообщениях и страницах...


Повернутися до початку
 Профіль  
Відповісти цитуючи  
 Заголовок повідомлення: Re: Флудилка 2
#120033Повідомлення 03 лип 2021, 19:13 
Активіст форуму
Не в мережі

Звідки: ... южнее Дуная
Дякував (ла) 8 Подякували 1
Южнодунайский ардуино -- прошу ласкать вежливо ...
А-а-а-а-а-а, и если будет перебрасивание темми, то коленопреклонная просьбица перебросит и мои клавишогенерации .... А-а-а-а-а, битте и данке....


Додаткові файли:
2272.jpg
2272.jpg [ 78.61 КБ | Переглядів: 10372 ]
Повернутися до початку
 Профіль  
Відповісти цитуючи  
 Заголовок повідомлення: Re: Флудилка 2
#120034Повідомлення 03 лип 2021, 19:28 
Активіст форуму
Не в мережі

Звідки: с,Малютянка
Дякував (ла) 302 Подякували 108
Мій електротранспорт: мінако монстр
Хочу електротранспорт: електро скутер
Подібні механізми дуже часто зроблені так що після 10 перемикань їх потрібно викидати (ссср)


Повернутися до початку
 Профіль  
Відповісти цитуючи  
 Заголовок повідомлення: Re: Флудилка 2
#120053Повідомлення 04 лип 2021, 14:15 
Власник електровелосипеда, член клубу
Не в мережі

Звідки: Запорожье
Дякував (ла) 88 Подякували 89
Мій електротранспорт: Э-Скутер Aima journey king s
Энрико, пообщайся с ребятами eclipse.in.ua у них есть готовые решения. Может смогут сделать изделие под твои нужды, у них не дорого.Изделия, что пользуюсь я, работают по минусу.


Додаткові файли:
Screenshot_2021-07-04-15-14-17-727_com.android.chrome.jpg
Screenshot_2021-07-04-15-14-17-727_com.android.chrome.jpg [ 222.36 КБ | Переглядів: 10334 ]
Повернутися до початку
 Профіль  
Відповісти цитуючи  
 Заголовок повідомлення: Re: Флудилка 2
#120056Повідомлення 04 лип 2021, 15:51 
Активіст форуму
Не в мережі

Звідки: Беловодск
Дякував (ла) 1 Подякували 27
Ребята, что значит работают по минусу?
По минусу сделать из плюса что два пальца об.......асфальт, просто инвертировать и все. Вот прям проблема)))).


Повернутися до початку
 Профіль  
Відповісти цитуючи  
 Заголовок повідомлення: Re: Флудилка 2
#120057Повідомлення 04 лип 2021, 16:02 
Не в мережі

Звідки: Днепр
Дякував (ла) 1211 Подякували 1200
Да нет уже никаких проблем. Благодаря вам всем!
По итогу есть три варианта - от Игоря (Igo61), от Дяди Васи и от Ток. Да, ещё дядя Гога обещал шо то подкинуть. Поэтому огромная всем благодарность и уважение!!! А у меня есть соответственно очень широкий выбор в воплощении :D Ну и копилка знаний пополнилась конечно.


Повернутися до початку
 Профіль  
Відповісти цитуючи  
 Заголовок повідомлення: Re: Флудилка 2
#120058Повідомлення 04 лип 2021, 16:04 
Не в мережі

Звідки: Днепр
Дякував (ла) 1211 Подякували 1200
Ой, забыл Андронтия упомянуть...извиняюсь :winken:


Повернутися до початку
 Профіль  
Відповісти цитуючи  
 Заголовок повідомлення: Re: Флудилка 2
#120071Повідомлення 05 лип 2021, 07:54 
Власник електромобіля
Аватара користувача
Не в мережі

Звідки: между морем и степью
Дякував (ла) 49 Подякували 115
Мій електротранспорт: MG4
Хочу електротранспорт: Rimac Nevera
Вот, например, я бы, вместо соплежуйства и жалоб на форумах, купил бы такую фигнюшку:

https://www.aliexpress.com/item/1005002 ... 45ebwCykzU

И быстренько наваял бы всю нужную логику, хоть в среде GX Works2, хоть "голую" прошивку на STM32 написать.


Додаткові файли:
Коментарій до файлу: Китайский PLC
China-PLC_4x4.jpg
China-PLC_4x4.jpg [ 49.62 КБ | Переглядів: 10273 ]

_________________
Gray©at.
Повернутися до початку
 Профіль  
Відповісти цитуючи  
 Заголовок повідомлення: Re: Флудилка 2
#120072Повідомлення 05 лип 2021, 07:58 
Власник електромобіля
Аватара користувача
Не в мережі

Звідки: между морем и степью
Дякував (ла) 49 Подякували 115
Мій електротранспорт: MG4
Хочу електротранспорт: Rimac Nevera
Хочу напомнить попутно ещё один момент: ИНДИКАЦИЯ. Рано или поздно вы обязательно забудете, сколько раз кликнули на кнопку. И будете либо высаживать батарею в +20°, либо мёрзнуть. В любом случае, обеспечены куча матюков и битья головой об стены. Так что, обязательно водитель должен видеть, в каком реальном состоянии сейчас отопитель.

Это может быть "клювик" у механического переключателя, тогда "обратная связь" не нужна. Либо 4 светодиода, либо 7-сегментник с циферкой. Но, тогда понадобятся или обратная связь от блока включения, либо какой-то блочок внутри салона.

_________________
Gray©at.


Повернутися до початку
 Профіль  
Відповісти цитуючи  
 Заголовок повідомлення: Re: Флудилка 2
#120098Повідомлення 05 лип 2021, 22:02 
Власник електровелосипеда
Аватара користувача
Не в мережі

Звідки: Херсон, Украина
Дякував (ла) 144 Подякували 141
Мій електротранспорт: Эл.вел 48В/500Вт
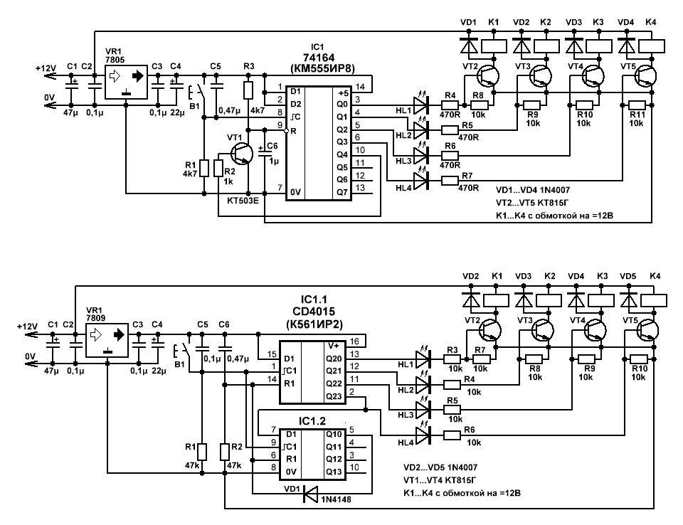
Инженер писав(ла):
Мне бы схЭмку чиркнуть...А?!
Раньше не имел возможности. Получилось только сейчас, звыняйте.
igo61 писав(ла):
Потребуется один корпус 8-разрядного сдвигового регистра (например 74НС164, он же КM555ИР8 и немного рассыпухи.
Развиваю мысль. Привожу две схемы На ТТЛ и КМОП сдвигающих регистрах. Учтено пожелание об индикации включенных нагрузок.
Я художник - я так вижу. :pfeif:
Додаткові файли:
перекл.JPG
перекл.JPG [ 145.65 КБ | Переглядів: 10383 ]


Повернутися до початку
 Профіль  
Відповісти цитуючи  
 Заголовок повідомлення: Re: Флудилка 2
#120100Повідомлення 06 лип 2021, 07:53 
Не в мережі

Звідки: Днепр
Дякував (ла) 1211 Подякували 1200
Игорь,большое спасибо! Сохранил :D
П.С. ...не перестаю удивляться (в хорошем смысле слова) людям,которые жертвуют своим временем и знаниями,чтобы помочь в решении пусть даже небольших,не глобальных задач. И так-же не устану выражать им свою благодарность и уважение!


Повернутися до початку
 Профіль  
Відповісти цитуючи  
 Заголовок повідомлення: Re: Флудилка 2
#120101Повідомлення 06 лип 2021, 08:10 
Власник електромобіля
Аватара користувача
Не в мережі

Звідки: между морем и степью
Дякував (ла) 49 Подякували 115
Мій електротранспорт: MG4
Хочу електротранспорт: Rimac Nevera
Инженер писав(ла):
[..] чтобы помочь в решении пусть даже небольших,не глобальных задач.


Вот те схемы что чуть выше -- это не помощь, это вредительство натуральное. Чего стоит только кнопка, подтянутая к "плюсу" локального питания....

Ещё раз. Вот тот что я привёл китайский ПЛК. Аппаратно там уже ВСЁ сделано. Вход питания +12В с защитами; выходы 4 шт. реле; входы хоть под кнопки хоть под что угодно. Ваша задача -- накидать блок-схему в графическом интерфейсе, рассчитанном специально на инженеров (!) ;) , и залить получившийся "набор инструкций" в ПЛК через шнурок. Приятный бонус: потом можно будет модифицировать эту "прошивку", (например добавить ограничение времени работы "форсажа") прямо на месте без разборки.

Ну а связываться с древними КМОП-микросхемами в автоэлектронике -- так себе идея...

_________________
Gray©at.


Повернутися до початку
 Профіль  
Відповісти цитуючи  
 Заголовок повідомлення: Re: Флудилка 2
#120106Повідомлення 06 лип 2021, 10:07 
Активіст форуму
Не в мережі

Звідки: Беловодск
Дякував (ла) 1 Подякували 27
1. А чем позвольте спросить плохо если кнопка подтянута к плюсу питания?
2. "......"выписать" модуль за три девять земель + "накидать" прошивку (сначала разобраться как все это оформить и запихнуть в модуль) + ......." - это кто то умным решением назовет для таких простых вещей?
3. А чем инженерные решения отличаются от любительских? Зачастую профессионалы дальше готового даташитовского аппноута не идут а потом "долбятся" что почему то в некоторых схемах эти аппноуты работают со сбоями.
4. Почему то всю жизнь "казалось" что кмоп микросхемы были изобретены не только для малого потребления но и для повышенной помехоустойчивости, или это только мне "казалось"?)))))
5. Ломается ваш "интеллектуальный" модуль - дальнейшие ваши действия? Писать слезное письмо в Китай и заказывать следующий такой модуль?


Повернутися до початку
 Профіль  
Відповісти цитуючи  
 Заголовок повідомлення: Re: Флудилка 2
#120111Повідомлення 06 лип 2021, 14:55 
Власник електромобіля
Аватара користувача
Не в мережі

Звідки: между морем и степью
Дякував (ла) 49 Подякували 115
Мій електротранспорт: MG4
Хочу електротранспорт: Rimac Nevera
Уффф... :? Прям не знаю, на каждый мой ответ у вас по 3 новых вопроса.

Не, даже не буду отвечать.

Каждый сам находит свои подводные грабли.

Просто, если б стояла задача "сделать контроллер" -- уже б сделали. Для этого уже есть готовое отлаженное миллионами китайцев "железо", и есть "среда описания логики работы" для него -- сделанная специально для НЕ-программистов, по принципу "Лего". Покупаете на Украине или в Китае один из многочисленных клонов Mitsubishi FX1N/FX2N/и т.д., накидываете "кубики" на блок-схеме, и жмёте кнопочку "Работать!".

Но не-е-ет, мы сначала соберём на "мочалке" непонятную схему "с форума", потом сожжём десяток советских К561***, потом будем проклинать всех "советчиков" и жаловаться на "китайские подделки"...

"Хотелось бы... помучаться!" © товарищ красноармеец Сухов.

_________________
Gray©at.


Повернутися до початку
 Профіль  
Відповісти цитуючи  
 Заголовок повідомлення: Re: Флудилка 2
#120115Повідомлення 06 лип 2021, 17:44 
Власник електровелосипеда, член клубу
Аватара користувача
Не в мережі

Звідки: Запорожье
Дякував (ла) 298 Подякували 1097
Мій електротранспорт: >
GrayCat, чорд побьери, "Наши люди в булочную на такси не ездят".
Тут чел хочет на проводах сэкономить, а вы ему заморскую железяку за 30 президентов сватаете, не в коня корм.
________________
Что касаемо схем, то кнопка будет идти от приборки до устройства, в АВТОМОБИЛЕ (с его тучей электромагнитных помех включая свечные и стартерные), поэтому там одним RC фильтром не обойдешься, применяемые микросхемки не имеют гистерезиса по входу, и будут ловить помехи. Еще не нравятся мне схемы где сухой контакт шунтируется конденсатором, это насилие над ними обоими (и источник помех).

_________________
2 моноколеса, 2 электровела, 2 подводных буксира, надувной электро-каяк.


Повернутися до початку
 Профіль  
Відповісти цитуючи  
Показати повідомлення за:  Поле сортування  
Почати нову тему Відповісти на тему  [ Повідомлень: 107 ]              На сторінку Пред.  1, 2, 3, 4, 5, 6 ... 8  Наступ.

Часовий пояс: UTC + 2 години


Хто зараз на конференції

Зараз цей форум переглядають: немає зареєстрованих користувачів і гості: 18


Ви не можете створювати нові теми
Ви не можете відповідати на повідомлення
Ви не можете редагувати свої повідомлення
Ви не можете видаляти свої повідомлення
Ви не можете додавати додаткові файли

Найти:
Створено на основі phpBB® Forum Software © phpBB Group