Поточний час: 08 трав 2026, 15:22

Часовий пояс: UTC + 2 години


Правила форума


Продавець повинен у першому ж пості чітко вказати, що продається, повні технічні характеристики, ціну, по можливості фото. У назві теми має бути коротка назва товару. Теми з назвою типу "Продам шикарний варіант" будуть відразу видаляться з попередженням автора. Обговорення бажано проводити у технічному розділі форуму за адресою http://electroavtosam.com.ua/forums/viewforum.php?f=29


Почати нову тему Відповісти на тему  [ Повідомлень: 25 ]  На сторінку 1, 2  Наступ.
Автор Повідомлення
#125193Повідомлення 02 лют 2022, 01:59 
Власник електровелосипеда, член клубу
Аватара користувача
Не в мережі

Звідки: Запорожье
Дякував (ла) 298 Подякували 1100
Мій електротранспорт: >
Продам плоские элементы светодиодной подсветки 12в, цена 20 гривен штучка.
Видео с испытаниями:

Во время ролика постоянно включена лампа накаливания 60вт в 25см над столом
Это подсветка ЖКИ экранов круглого вида с диаметром светового пятна 88мм. Толщина волшебная, по бортику около 2мм (сама плоскость около 1мм), можно наклеить куда угодно, хоть внешние подсветка-габариты (но не знаю как насчет влагозащиты), хоть для внутренней подсветки. От 12 вольт потребление около 50мА, как раз такой световой порог когда на них уже становится неприятно смотреть. Что интересно, за счет специальной алюминиевой подложки и специальных пленок, освещение весьма направленное и очень равномерное по всему кругу (не выжигает глаза как точечные светильники), основной пучёк около 30 градусов, за пределами значительно тускнеет. Подробные размеры на фото:
Додаткові файли:
fara 00fп1.jpg
fara 00fп1.jpg [ 105.25 КБ | Переглядів: 15257 ]
Сами светодиоды находятся в верхней части в торце (там где вывод питания ), так что все остальное это стальная подложка (которая слабо магнитится) слой отражателя и несколько слоёв светораспределяющих пленок (типа линз френнеля). Так что можно хоть гвоздями к стене прибивать (я например сделал дыру по центру и прикрепил к шпинделю, продев патрон в дыру). Вывод контактов пленочный, я просто паяюсь, но делать это надо осторожно, что бы не оторвать за провода этот пленочный хвостик.
Додаткові файли:
IMG_20220202_010846_778.jpg
IMG_20220202_010846_778.jpg [ 374.86 КБ | Переглядів: 15257 ]
При поднятии напряжения на 1 вольт (до 13в), ток вырастает где то в двое, так что если кто захочет питать от нестбилизированной бортовой сети авто, то лучше предусмотреть токоограничительный резистор.
Каждый десятый бесплатно, в наличии около сотни, перед отправкой все проверяются.

_________________
2 моноколеса, 2 электровела, 2 подводных буксира, надувной электро-каяк.


Повернутися до початку
 Профіль  
Відповісти цитуючи  
#125201Повідомлення 02 лют 2022, 12:58 
Власник електромобіля
Не в мережі

Звідки: Марьинка
Дякував (ла) 405 Подякували 346
Хочу електротранспорт: Kia soul ev, но ищу лифа или зою
Прикольные штуки. Признайтесь, отсюда видать взяли?
Додаткові файли:
Screenshot_20220202-125421_Chrome.jpg
Screenshot_20220202-125421_Chrome.jpg [ 80.25 КБ | Переглядів: 15202 ]


Повернутися до початку
 Профіль  
Відповісти цитуючи  
#125203Повідомлення 02 лют 2022, 14:12 
Власник електровелосипеда, член клубу
Аватара користувача
Не в мережі

Звідки: Запорожье
Дякував (ла) 298 Подякували 1100
Мій електротранспорт: >
Kapral88, от куда это? чето до боли знакомое (по шлемакам), но не узнаю

Еще при взгляде на картинку подумалось, что надо на наколенники приколхозить, для езды на моноколесе. А то когда с налобным фонарем вечером по тротуарам езжу, то большинство прохожих меня хотят побить(сильно, лица злые прям капец).

_________________
2 моноколеса, 2 электровела, 2 подводных буксира, надувной электро-каяк.


Повернутися до початку
 Профіль  
Відповісти цитуючи  
#125206Повідомлення 02 лют 2022, 15:02 
Не в мережі

Звідки: Днепр
Дякував (ла) 1226 Подякували 1238
-=TRO=- писав(ла):
от куда это? чето до боли знакомое (по шлемакам), но не узнаю

...пятый элемент...с орешком... :lol:


Повернутися до початку
 Профіль  
Відповісти цитуючи  
#125207Повідомлення 02 лют 2022, 15:06 
Не в мережі

Звідки: Днепр
Дякував (ла) 1226 Подякували 1238
-=TRO=- писав(ла):
Продам плоские элементы светодиодной подсветки 12в,

...дайте десяток. И реквизиты ес-но...
Не знаю зачем,но прикольные штучки - пусть будут...для тех. творчества


Повернутися до початку
 Профіль  
Відповісти цитуючи  
#125210Повідомлення 02 лют 2022, 15:58 
Власник електровелосипеда, член клубу
Аватара користувача
Не в мережі

Звідки: Запорожье
Дякував (ла) 298 Подякували 1100
Мій електротранспорт: >
Инженер, отписал в личку.
___
Еще под карнавальный костюмчик железного человека подходит.
Додаткові файли:
man.jpg
man.jpg [ 139.17 КБ | Переглядів: 15177 ]

На костюмчиках с пятого элемента или железного человека я много не заработаю,
надо вот такой модницам продвигать 8O :
Додаткові файли:
girl.jpg
girl.jpg [ 6.17 КБ | Переглядів: 15177 ]
Тут в одно такое платьице можно почти сотню светяшек вшить.

_________________
2 моноколеса, 2 электровела, 2 подводных буксира, надувной электро-каяк.


Повернутися до початку
 Профіль  
Відповісти цитуючи  
#125211Повідомлення 02 лют 2022, 16:35 
Власник електромобіля
Не в мережі

Звідки: Марьинка
Дякував (ла) 405 Подякували 346
Хочу електротранспорт: Kia soul ev, но ищу лифа или зою
Так, нужно и себе десяток взять, вдруг война, а я без бляшек. Пошёл в личку.


Повернутися до початку
 Профіль  
Відповісти цитуючи  
#125268Повідомлення 06 лют 2022, 11:29 
Власник електромобіля
Не в мережі

Звідки: Одесса
Дякував (ла) 29 Подякували 12
Мій електротранспорт: Kia Soul EV
Получил бляшки, светят отлично. ВЕСЧ!!! Продавцу спасибо за опперативность и качество упаковки!


Повернутися до початку
 Профіль  
Відповісти цитуючи  
#125313Повідомлення 08 лют 2022, 08:37 
Власник електровелосипеда, член клубу
Аватара користувача
Не в мережі

Звідки: Запорожье
Дякував (ла) 298 Подякували 1100
Мій електротранспорт: >
Сделал нагрудный медальон светильник прихватив термоклеем три пакета липолек к обратной стороне. Хожу троллю местных электриков, спрашиваю смотрели ли кино про железного человека..., пока не включаю скептически ухмыляются, после включения уже не улыбаюся, щурятся.
Додаткові файли:
IMG_20220208_082626_046.jpg
IMG_20220208_082626_046.jpg [ 218.01 КБ | Переглядів: 14898 ]
Додаткові файли:
IMG_20220208_084730_474.jpg
IMG_20220208_084730_474.jpg [ 162.69 КБ | Переглядів: 14895 ]
А зеркало до этого казалось и не грязным совсем.

_________________
2 моноколеса, 2 электровела, 2 подводных буксира, надувной электро-каяк.


Повернутися до початку
 Профіль  
Відповісти цитуючи  
#125315Повідомлення 08 лют 2022, 08:56 
Не в мережі

Звідки: Днепр
Дякував (ла) 1226 Подякували 1238
Получил красивые штучки - спасибо!
Извиняюсь за невежество...буковки на "хлястике" - что из них что? :ups:


Повернутися до початку
 Профіль  
Відповісти цитуючи  
#125316Повідомлення 08 лют 2022, 09:05 
Власник електровелосипеда, член клубу
Аватара користувача
Не в мережі

Звідки: Запорожье
Дякував (ла) 298 Подякували 1100
Мій електротранспорт: >
Инженер писав(ла):
...буковки на "хлястике" - что из них что? :ups:

Анод, Катод...
Если расположить светяшейся стороной к себе а хлястиком вниз, то плюс слева, а минус справа.

_________________
2 моноколеса, 2 электровела, 2 подводных буксира, надувной электро-каяк.


Повернутися до початку
 Профіль  
Відповісти цитуючи  
#125345Повідомлення 08 лют 2022, 19:35 
Власник електровелосипеда
Не в мережі

Звідки: Киев
Дякував (ла) 243 Подякували 617
Мій електротранспорт: Ё
Это Тро так развлекается

_________________
Э-вел,3 кВт Quanshun,Келли 200А,ли-ион,3.2кВтЧ,(LG 48АЧ, 21S) , max 75 км\ч, > 60 000 км


Повернутися до початку
 Профіль  
Відповісти цитуючи  
#129488Повідомлення 26 жовт 2022, 17:53 
Власник електровелосипеда, член клубу
Аватара користувача
Не в мережі

Звідки: Запорожье
Дякував (ла) 298 Подякували 1100
Мій електротранспорт: >
Делаем из бляхи ночник с аккумулятором....из двух резисторов и небольшой трепанации.

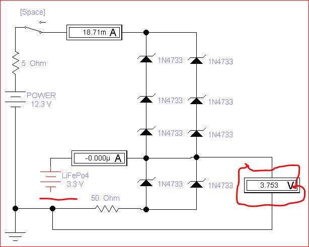
Если с торца у блинчика отогнуть черную липкую ленту, то можно вытащить на свет божий тонкую светодиодную полоску из 8 светодиодов, которые включены как две последовательные ветки 4S2P. И если очень захотеть то можно микропаяльником слегка припаяться к светодиодам. И задумалось мне из бляшки сделать аварийную лампочку(типа полуавтономный ночник в коридор), т.е. просто прикрутить аккумулятор. Три последовательных аккумулятора я уже вешал, но как то жирно тратить три штуки и гемор с зарядкой... И я сделал схемку которая при питании бляшки заряжает одну маленькую банку лифера, а после выключения питает два нижних светодиодика от этой банки. Свечение получается слабенькое, не равномерное по плоскости бляшки, но в целях экономии вполне. Итого понадобится один маленький лиферный аккум (необязательно, можно и литийион по той же методе), два резистора задающие заряд и разряд, и блок питания бляшки с подстраиваемым напряжением.

Теперь скрины схемы из симулятора, светодиодики бляшки представлены в виде цепочек стабилитронов.
Первый скрин схемы из симулятора, на нем аккумулятор специально отключен чтобы показать верхнее напряжение которое попадает на аккум (оно настраивается путем изменения напряжения питания):
Додаткові файли:
no_bat.JPG
no_bat.JPG [ 42.69 КБ | Переглядів: 13664 ]

На втором скрине идет полное свечение и зарядка аккума, ток подбирается верхним резистором приблизительно на уровне 50мА :
Додаткові файли:
power.JPG
power.JPG [ 40.97 КБ | Переглядів: 13664 ]

И наконец третий скрин с отключенным внешним питанием, т.е. работа от аккумулятора, ток в этом режиме (т.е. яркость и время работы) определяется нижним резистором:
Додаткові файли:
avaria.JPG
avaria.JPG [ 40.35 КБ | Переглядів: 13664 ]


Есть ньюанс: После того как аккумулятор полностью зарядится, яркость бляхи падает(за минимализм надо платить.
Что бы заценить эффект, можно для эксперимента использовать ёмкий конденсатор вместо аккумулятора .

_________________
2 моноколеса, 2 электровела, 2 подводных буксира, надувной электро-каяк.


Повернутися до початку
 Профіль  
Відповісти цитуючи  
#129489Повідомлення 26 жовт 2022, 18:56 
Активіст форуму
Аватара користувача
Не в мережі

Звідки: Тернопіль
Дякував (ла) 0 Подякували 32
Сколько на "заменителях" светодиодов 1N4733 падает?

_________________
Навіщо займатися електрикою якщо не в змозі опанувати навіть мову.
https://www.youtube.com/watch?v=M8JfGYuut0w


Повернутися до початку
 Профіль  
Відповісти цитуючи  
#129493Повідомлення 26 жовт 2022, 21:04 
Власник електровелосипеда, член клубу
Аватара користувача
Не в мережі

Звідки: Запорожье
Дякував (ла) 298 Подякували 1100
Мій електротранспорт: >
tesljar, там стабилитроны в симуляторе весьма с приветом, от тока зависит, я выставил им по 2,8в, так как реальная бляха от ровно 12 жрет 50-55мА . Но в реале сопротивления надо подобрать, на полуразряженном аккуме.

_________________
2 моноколеса, 2 электровела, 2 подводных буксира, надувной электро-каяк.


Повернутися до початку
 Профіль  
Відповісти цитуючи  
Показати повідомлення за:  Поле сортування  
Почати нову тему Відповісти на тему  [ Повідомлень: 25 ]              На сторінку 1, 2  Наступ.

Часовий пояс: UTC + 2 години


Хто зараз на конференції

Зараз цей форум переглядають: немає зареєстрованих користувачів і гості: 3


Ви не можете створювати нові теми
Ви не можете відповідати на повідомлення
Ви не можете редагувати свої повідомлення
Ви не можете видаляти свої повідомлення
Ви не можете додавати додаткові файли

Найти:
Створено на основі phpBB® Forum Software © phpBB Group