Поточний час: 18 груд 2025, 20:16

Часовий пояс: UTC + 2 години


Правила форума


Обговорення лише самостійно зібраних/переобладнаних електромобілів на ходу


Почати нову тему Відповісти на тему  [ Повідомлень: 522 ]  На сторінку Пред.  1 ... 28, 29, 30, 31, 32, 33, 34, 35  Наступ.
Автор Повідомлення
 Заголовок повідомлення: Re: Таврия Электро Смарт Пикап (Днепр)
#113989Повідомлення 07 січ 2021, 15:25 
Не в мережі

Звідки: Днепр
Дякував (ла) 1187 Подякували 1175
Лёша, а какова цель этого варианта?


Повернутися до початку
 Профіль  
Відповісти цитуючи  
 Заголовок повідомлення: Re: Таврия Электро Смарт Пикап (Днепр)
#113990Повідомлення 07 січ 2021, 15:28 
Творець електромобіля, член клубу
Не в мережі

Звідки: Дніпро
Дякував (ла) 188 Подякували 661
Хочу електротранспорт: Tesla Model3
Цель - поездки тёщи заказчика на дачу))

_________________
Electric Drive Solutions Laboratory (EDSLab)

ЗАЗ 1103 "Slavuta AC Electric"
ГАЗ 24 "Волга електро"
А091 "Богдан електро"
ХТЗ Е25 "Едісон"
VW T5 "Combi drive"
"Synchronous"
Volvo 740 GL EDSLab
КМЗ "Дніпро електро Bonneville"
Dong Feng EDSLab
ЗАЗ 11055 "Tavria electro smart pickup"
ЗАЗ 1102 "Tavria electro smart coupe"

https://driver.top/user/68227/


Повернутися до початку
 Профіль  
Відповісти цитуючи  
 Заголовок повідомлення: Re: Таврия Пикап
#116167Повідомлення 10 бер 2021, 16:00 
Творець електромобіля
Не в мережі

Звідки: Рівне
Дякував (ла) 0 Подякували 0
Мій електротранспорт: tavria pick Up
Хочу електротранспорт: Tesla3
Олексій (Алексей В) хочу придбати у вас креслення перехідної плити Таврія Пікап -як з вами звязатись ?


Повернутися до початку
 Профіль  
Відповісти цитуючи  
 Заголовок повідомлення: Re: Таврия Электро Смарт Пикап (Днепр)
#116276Повідомлення 13 бер 2021, 08:17 
Творець електромобіля
Не в мережі

Звідки: Луцьк, Україна
Дякував (ла) 6 Подякували 34
Мій електротранспорт: ЛуАЗ-969М електро, Fiat 500 EV w400
Добрый день.
Ваши наработки "Таврические" и путешествия вдохновляют.
Написал в коментариях на Вашем Ютуб канале и здесь продублирую, вопросы по расходу авто:
- при поездке на проверку расхода в 100 Вт/км каков был вес авто ("сухой" и с пассажирами;
- были ли батареи свежезаряжены (прогреты) перед поездкой;
- на какую мощность "задушен" контроллер (подача на двигатель или ограничен батарейный ток);
-есть ли у Вас ДХО огни в Таврии, ехали с "ближним" светом или вообще без задействования света? Стоят светодиоды в оптике или галогенки, третий вариант (приблизительно прикинуть хочу расход на освещение).
Вопросы по поездкам:
- стоит ли делать весь спектр переходников разъемов с "общепрома" 1Ф 16А , 3Ф 16А, 3Ф 32А на 220В 16А тип F (были ли у Вас успешные эпизоды зарядок от "общепрома" в пути) По такому типу набор смастерить
https://aliexpress.ru/i/4000756483223.h ... 6ade1c1c-8
;
- какие более распространены типы портов зарядок у нас в Украине и в европейских странах(из опыта Ваших поездок);
- подскажите рабочую, проверенную Вами " в бою" схему обвязки переходника с тип 1 или тип 2 на 220В 16А тип F самодельного переходника;
- можно ли у Вас арендовать этим летом энергоприцеп-гравицапу (и какие параметры его батареи);
- возможно ли откупить мне у Вас енергоприцеп версии 1, у которого синий обтекатель, с батареями или без (он ведь официально оформлен для поездок за кордон) .


Повернутися до початку
 Профіль  
Відповісти цитуючи  
 Заголовок повідомлення: Re: Таврия Электро Смарт Пикап (Днепр)
#125754Повідомлення 23 лют 2022, 21:23 
Активіст форуму
Не в мережі

Звідки: Кропивницький
Дякував (ла) 16 Подякували 29
Хочу електротранспорт: таврия)
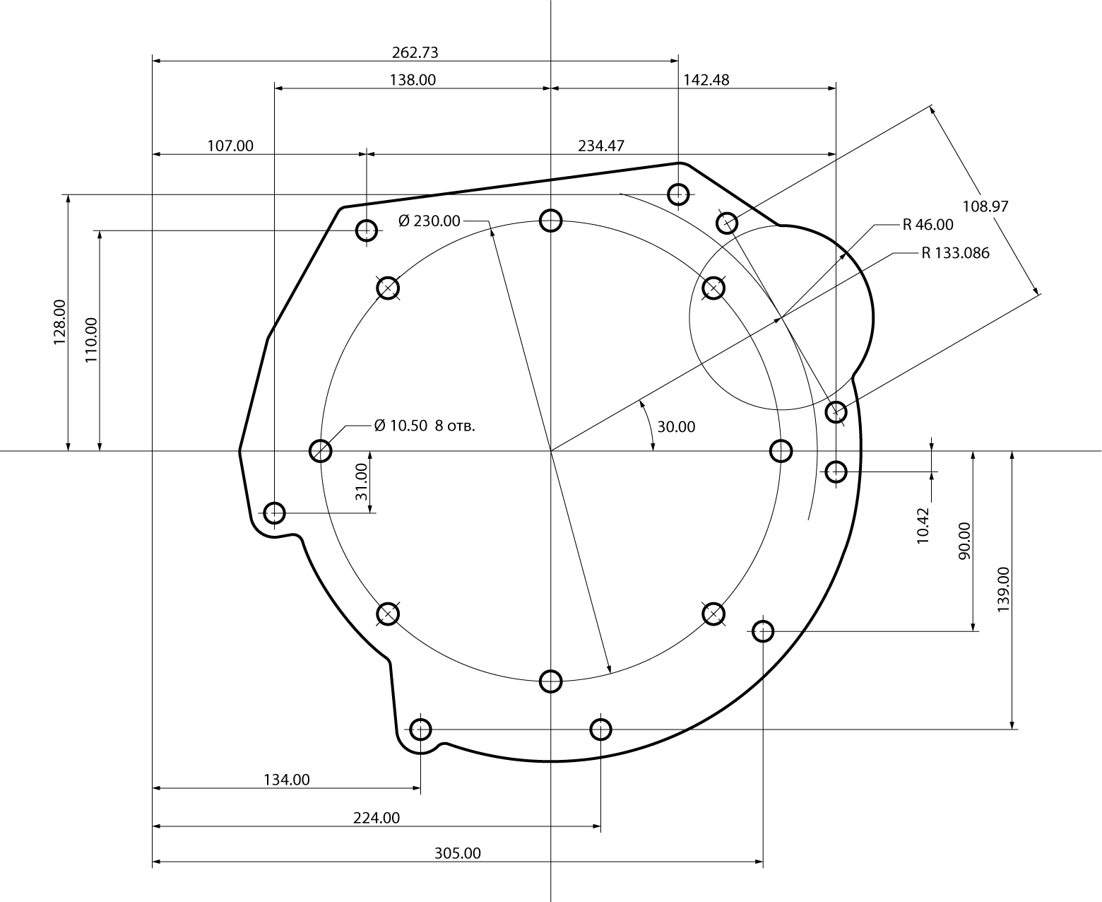
Приветствую. Скажите, а как по етому чертёж у вырезать плиту?? Там не все размеры- по наружке нет ни радиусов ни длин- только базы отверстий!! Так как же её сделать?? Ну или поясните пожалуйста. Или скажите, где есть размеры плиты в свободном доступе. Спасибо.


Додаткові файли:
Tavria carter clutch3-01.png
Tavria carter clutch3-01.png [ 115.02 КБ | Переглядів: 8541 ]
Повернутися до початку
 Профіль  
Відповісти цитуючи  
 Заголовок повідомлення: Re: Таврия Электро Смарт Пикап (Днепр)
#125757Повідомлення 23 лют 2022, 21:39 
Творець електромобіля, член клубу
Аватара користувача
Не в мережі

Звідки: Кременчуг
Дякував (ла) 733 Подякували 322
Мій електротранспорт: е-Таврия
Наружные размеры выполнить проще всего, хоть по картонке обведите. Другое дело, смогут ли вам точно выполнить центральное отверстие? Мне не смогли, даже когда я дал этот чертеж, так что центровку потом будете выводить вручную.

_________________
автопробег на электричестве 50000 км


Повернутися до початку
 Профіль  
Відповісти цитуючи  
 Заголовок повідомлення: Re: Таврия Электро Смарт Пикап (Днепр)
#125758Повідомлення 23 лют 2022, 21:42 
Творець електромобіля, член клубу
Аватара користувача
Не в мережі

Звідки: Запорожье
Дякував (ла) 415 Подякували 1019
Мій електротранспорт: ROVER 75
Хочу електротранспорт: электробус
yuri писав(ла):
Другое дело, смогут ли вам точно выполнить центральное отверстие?

важно чтобы нормально центровалось на картере и на моторе....а на этом чертеже я не вижу ни чего такого,что бы помогло это сделать...

_________________
подтягивайтесь на страничку
https://www.facebook.com/Create-your-el ... 8811748137
постараюсь чтобы было интересно!


Повернутися до початку
 Профіль  
Відповісти цитуючи  
 Заголовок повідомлення: Re: Таврия Электро Смарт Пикап (Днепр)
#125760Повідомлення 23 лют 2022, 21:50 
Творець електромобіля, член клубу
Аватара користувача
Не в мережі

Звідки: Кременчуг
Дякував (ла) 733 Подякували 322
Мій електротранспорт: е-Таврия
Там есть эти 4 размера для двух крайних посадочных отверстий по центральной горизонтали , но без указания точности. Не хватает отверстия в центре диаметром 100мм для ДС3.6. Интересно, что Алексей скажет по поводу центровки по этому чертежу?

_________________
автопробег на электричестве 50000 км


Повернутися до початку
 Профіль  
Відповісти цитуючи  
 Заголовок повідомлення: Re: Таврия Электро Смарт Пикап (Днепр)
#125761Повідомлення 23 лют 2022, 22:00 
Активіст форуму
Не в мережі

Звідки: Кропивницький
Дякував (ла) 16 Подякували 29
Хочу електротранспорт: таврия)
Отверстие по центру не проблема. Но вот если ЧПУ плазморез или ЧПУ фрезер, то ему же надо в управляющей программе как то задать все размеры. Ну я так думаю... А какраз ничего етого нету, ни длины сторон ни радиусов. Потому что все и делали, по опечатку картера на бумаге. А точность доводится напильником. Так какой смысл тогда такого чертежа??


Повернутися до початку
 Профіль  
Відповісти цитуючи  
 Заголовок повідомлення: Re: Таврия Электро Смарт Пикап (Днепр)
#125762Повідомлення 23 лют 2022, 22:05 
Творець електромобіля, член клубу
Аватара користувача
Не в мережі

Звідки: Кременчуг
Дякував (ла) 733 Подякували 322
Мій електротранспорт: е-Таврия
Как раз смысл в том, чтобы отдать этот чертеж на ЧПУ, там есть база для центров отверстий. Мне долго морочили голову в первый раз, когда я дал чертеж перексеренный с руководства Таврии, так как не было базы. А внешний контур можно просто наложить на этот чертеж, можете его хоть квадратом сделать, он на центровку не влияет, только на эстетику.

_________________
автопробег на электричестве 50000 км


Повернутися до початку
 Профіль  
Відповісти цитуючи  
 Заголовок повідомлення: Re: Таврия Электро Смарт Пикап (Днепр)
#125764Повідомлення 23 лют 2022, 22:52 
Творець електромобіля, член клубу
Не в мережі

Звідки: Дніпро
Дякував (ла) 188 Подякували 661
Хочу електротранспорт: Tesla Model3
yuri писав(ла):
Там есть эти 4 размера для двух крайних посадочных отверстий по центральной горизонтали , но без указания точности. Не хватает отверстия в центре диаметром 100мм для ДС3.6. Интересно, что Алексей скажет по поводу центровки по этому чертежу?
На чертеже указан центр. Берете Автокад или что-то подобное, рисуете отверстия в векторе согласно указанным размерам, подкладываете снизу эту картинку, масштабирует до совпадения отверстий и обводите внешний контур.

_________________
Electric Drive Solutions Laboratory (EDSLab)

ЗАЗ 1103 "Slavuta AC Electric"
ГАЗ 24 "Волга електро"
А091 "Богдан електро"
ХТЗ Е25 "Едісон"
VW T5 "Combi drive"
"Synchronous"
Volvo 740 GL EDSLab
КМЗ "Дніпро електро Bonneville"
Dong Feng EDSLab
ЗАЗ 11055 "Tavria electro smart pickup"
ЗАЗ 1102 "Tavria electro smart coupe"

https://driver.top/user/68227/


Повернутися до початку
 Профіль  
Відповісти цитуючи  
 Заголовок повідомлення: Re: Таврия Электро Смарт Пикап (Днепр)
#130977Повідомлення 10 січ 2023, 12:36 
Творець електромобіля, член клубу
Не в мережі

Звідки: Дніпро
Дякував (ла) 188 Подякували 661
Хочу електротранспорт: Tesla Model3
Виготовили батарейний бокс до нового проекту. Застосували технологію випробувану на корпусах безперебійників - порізані лазером і зігнуті на ЧПУ панелі з 2мм оцинкованої сталі, зібрані на болтах М8. Вартість боксах вийшла не вища ніж цільносварний з чорного металу і порошковим фарбуванням. Переваги: додатковий захист від корозії, достатня жорсткість, відсутність деформацій від зварювання. Недоліки: трохи більша вага.
Перед встановленням батарей стики панелей обробимо герметиком.
Додаткові файли:
IMG_20230110_112714.jpg
IMG_20230110_112714.jpg [ 489.29 КБ | Переглядів: 7285 ]

Додаткові файли:
IMG_20230110_112548.jpg
IMG_20230110_112548.jpg [ 510.16 КБ | Переглядів: 7285 ]

_________________
Electric Drive Solutions Laboratory (EDSLab)

ЗАЗ 1103 "Slavuta AC Electric"
ГАЗ 24 "Волга електро"
А091 "Богдан електро"
ХТЗ Е25 "Едісон"
VW T5 "Combi drive"
"Synchronous"
Volvo 740 GL EDSLab
КМЗ "Дніпро електро Bonneville"
Dong Feng EDSLab
ЗАЗ 11055 "Tavria electro smart pickup"
ЗАЗ 1102 "Tavria electro smart coupe"

https://driver.top/user/68227/


Повернутися до початку
 Профіль  
Відповісти цитуючи  
 Заголовок повідомлення: Re: Таврия Электро Смарт Пикап (Днепр)
#131024Повідомлення 12 січ 2023, 19:02 
Творець електромобіля, член клубу
Не в мережі

Звідки: Днепропетровск
Дякував (ла) 215 Подякували 253
Мій електротранспорт: пока только Электроскутер
Хочу електротранспорт: нисан лиф уже не хочу! Тесла хочу!
База тоже таврии?


Повернутися до початку
 Профіль  
Відповісти цитуючи  
 Заголовок повідомлення: Re: Таврия Электро Смарт Пикап (Днепр)
#131026Повідомлення 12 січ 2023, 20:45 
Творець електромобіля, член клубу
Не в мережі

Звідки: Дніпро
Дякував (ла) 188 Подякували 661
Хочу електротранспорт: Tesla Model3
То є так

_________________
Electric Drive Solutions Laboratory (EDSLab)

ЗАЗ 1103 "Slavuta AC Electric"
ГАЗ 24 "Волга електро"
А091 "Богдан електро"
ХТЗ Е25 "Едісон"
VW T5 "Combi drive"
"Synchronous"
Volvo 740 GL EDSLab
КМЗ "Дніпро електро Bonneville"
Dong Feng EDSLab
ЗАЗ 11055 "Tavria electro smart pickup"
ЗАЗ 1102 "Tavria electro smart coupe"

https://driver.top/user/68227/


Повернутися до початку
 Профіль  
Відповісти цитуючи  
 Заголовок повідомлення: Re: Таврия Электро Смарт Пикап (Днепр)
#131027Повідомлення 12 січ 2023, 21:07 
Творець електромобіля, член клубу
Аватара користувача
Не в мережі

Звідки: Запорожье
Дякував (ла) 415 Подякували 1019
Мій електротранспорт: ROVER 75
Хочу електротранспорт: электробус
та у вас і раніше норм бокси були,ті шо під капотом стояли...ала дозволю собі трохи критики...(мабуть у Інженера навчівся))))))
такий бокс,можна було зробити з одніеї деталі,як шо вона на лист влізе ,було б трохи дорожче,(відходів більше),але не треба було багато болтів на кріплення дна...
Непогано було б поставити підсилювачі знизу на дно,у вигляді невисоких,але достатньо широких швелерів с того ж металу...
Небачу кріплення до рами авто...небачу конструкції для кріплення самих аккум.

_________________
подтягивайтесь на страничку
https://www.facebook.com/Create-your-el ... 8811748137
постараюсь чтобы было интересно!


Повернутися до початку
 Профіль  
Відповісти цитуючи  
Показати повідомлення за:  Поле сортування  
Почати нову тему Відповісти на тему  [ Повідомлень: 522 ]              На сторінку Пред.  1 ... 28, 29, 30, 31, 32, 33, 34, 35  Наступ.

Часовий пояс: UTC + 2 години


Хто зараз на конференції

Зараз цей форум переглядають: немає зареєстрованих користувачів і гості: 154


Ви не можете створювати нові теми
Ви не можете відповідати на повідомлення
Ви не можете редагувати свої повідомлення
Ви не можете видаляти свої повідомлення
Ви не можете додавати додаткові файли

Найти:
Створено на основі phpBB® Forum Software © phpBB Group