Поточний час: 25 груд 2025, 08:28

Часовий пояс: UTC + 2 години



Почати нову тему Відповісти на тему  [ Повідомлень: 53 ]  На сторінку 1, 2, 3, 4  Наступ.
Автор Повідомлення
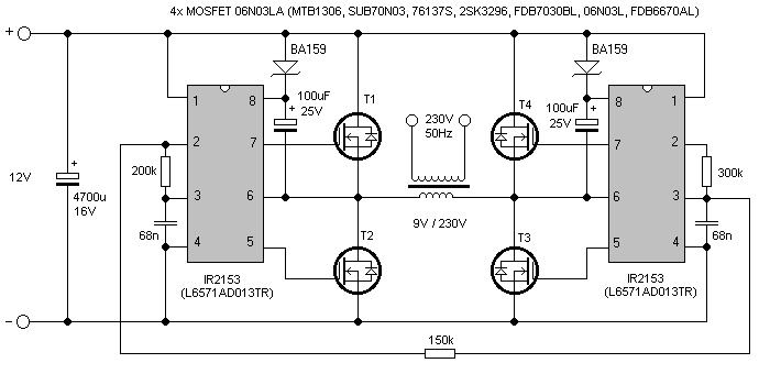
 Заголовок повідомлення: Інвертор 12/220 з модіфікованим сінусом.
#130718Повідомлення 26 груд 2022, 20:02 
Активіст форуму
Аватара користувача
Не в мережі

Звідки: Тернопіль
Дякував (ла) 0 Подякували 32
Інвертор 12/220 з модіфікованим сінусом.


Додаткові файли:
інвертор.jpg
інвертор.jpg [ 58.42 КБ | Переглядів: 14760 ]

_________________
Навіщо займатися електрикою якщо не в змозі опанувати навіть мову.
https://www.youtube.com/watch?v=M8JfGYuut0w
Повернутися до початку
 Профіль  
Відповісти цитуючи  
#130745Повідомлення 28 груд 2022, 10:33 
Активіст форуму
Не в мережі

Звідки: Харків
Дякував (ла) 8 Подякували 40
tesljar писав(ла):
Інвертор 12/220 з модіфікованим сінусом.


До схеми додати ATtiny85 з 500 байтами коду, замінити IR2153 на IR2104 - і матимеш інвертор з чістєйшим сінусом... :)


Повернутися до початку
 Профіль  
Відповісти цитуючи  
#130746Повідомлення 28 груд 2022, 10:49 
Власник електровелосипеда, член клубу
Аватара користувача
Не в мережі

Звідки: Запорожье
Дякував (ла) 297 Подякували 1094
Мій електротранспорт: >
zilk писав(ла):
До схеми додати ATtiny85 ... :)

Жируєте, ATtiny13 більш ніж достатньо. Колись робив на дві фази для крокового двигуна. Як шо знайду час, то знайду проєкт, трохи перероблю для 50Гц і вікладу, зараз трохи не до цього.

А по схемі ==> нема захисту по току, це найбільший біч таких простих саморобних схем (будуть горіти від любого чиху).

_________________
2 моноколеса, 2 электровела, 2 подводных буксира, надувной электро-каяк.


Повернутися до початку
 Профіль  
Відповісти цитуючи  
#130747Повідомлення 28 груд 2022, 10:55 
Активіст форуму
Не в мережі

Звідки: Харків
Дякував (ла) 8 Подякували 40
-=TRO=- писав(ла):

А по схемі ==> нема захисту по току, це найбільший біч таких простих саморобних схем (будуть горіти від любого чиху).


Додати ще пару IR25750 - і буде захист по току... :)


Повернутися до початку
 Профіль  
Відповісти цитуючи  
#130748Повідомлення 28 груд 2022, 11:53 
Активіст форуму
Аватара користувача
Не в мережі

Звідки: Тернопіль
Дякував (ла) 0 Подякували 32
Схема була показана як найбільш проста.
Ніхто не буде її робити - це звісно. Тим паче з МК та рідкисними драйверами.

Просимулював її з показаними на неї номіналами. Частота 53 Гц.

Захист (тригерний) робиться доволі просто на двух транзисторах.

Так, в цієї схемі недолік - це НЧ трансформатор.

У коротший час візьму цю схему і приладнаю її до перетворювача ДС, щоб позбавитися НЧ трансформатора. А заодно приладнаю захист.

PS:
На епюрі сигнал на виході (на вторинній обмотці). Кількисть витків задав поки що від фонаря просто для перевірки роботи схеми.


Додаткові файли:
Син модиф.jpg
Син модиф.jpg [ 159.9 КБ | Переглядів: 14641 ]
Выход син модиф.jpg
Выход син модиф.jpg [ 189.73 КБ | Переглядів: 14641 ]

_________________
Навіщо займатися електрикою якщо не в змозі опанувати навіть мову.
https://www.youtube.com/watch?v=M8JfGYuut0w
Повернутися до початку
 Профіль  
Відповісти цитуючи  
#130749Повідомлення 28 груд 2022, 12:22 
Активіст форуму
Аватара користувача
Не в мережі

Звідки: Тернопіль
Дякував (ла) 0 Подякували 32
Зараз попробую приєднати до подібної схеми повишаючий ДС типу ZVS з самовозбудом - щоб зовсім позбавитися у суцільній схемі магнітопроводів.

_________________
Навіщо займатися електрикою якщо не в змозі опанувати навіть мову.
https://www.youtube.com/watch?v=M8JfGYuut0w


Повернутися до початку
 Профіль  
Відповісти цитуючи  
#130750Повідомлення 28 груд 2022, 12:41 
Власник електровелосипеда, член клубу
Аватара користувача
Не в мережі

Звідки: Запорожье
Дякував (ла) 297 Подякували 1094
Мій електротранспорт: >
Колись давно робив на IR2153 ШІМ контролер колекторного двигуна, використовуючи недокументовану фішку мікросхеми... А саме те, що мікросхема в змозі генерувати не тільки меандр, тому що якщо в третю ногу підмішати через опір зовнішню постоянку, то зміщується рівень компарації RC генератора і змінюється відсоток ШІМ заповнення на виході. Тобто. контролер у мене мав струмообмеження (а не примітивний "релейний" захист). Після вихідного шунта (шунтом був шматок дроту до мотора) стояв підсилюючий операційник, а вихід операційника через підібраний резистор йшов на 3-ю ногу IR2153. IR2153 використовував бо не хотів втрат на зворотному диоді (яким шунтують мотор в класичних схемах), а так вийшов сінхронний випрямляч.
Додаткові файли:
411.jpg
411.jpg [ 31.1 КБ | Переглядів: 14633 ]

_________________
2 моноколеса, 2 электровела, 2 подводных буксира, надувной электро-каяк.


Повернутися до початку
 Профіль  
Відповісти цитуючи  
#130755Повідомлення 28 груд 2022, 15:19 
Активіст форуму
Не в мережі

Звідки: Харків
Дякував (ла) 8 Подякували 40
-=TRO=- писав(ла):
Колись давно робив на IR2153 ШІМ контролер колекторного двигуна, використовуючи недокументовану фішку мікросхеми... А саме те, що мікросхема в змозі генерувати не тільки меандр, тому що якщо в третю ногу підмішати через опір зовнішню постоянку, то зміщується рівень компарації RC генератора і змінюється відсоток ШІМ заповнення на виході. Тобто. контролер у мене мав струмообмеження (а не примітивний "релейний" захист). Після вихідного шунта (шунтом був шматок дроту до мотора) стояв підсилюючий операційник, а вихід операційника через підібраний резистор йшов на 3-ю ногу IR2153. IR2153 використовував бо не хотів втрат на зворотному диоді (яким шунтують мотор в класичних схемах), а так вийшов сінхронний випрямляч.


Змінювати рівень компаратора не зовсім канонічно для IR2153, краще регулювати постійну часу заряду і розряду частотозадаючого конденсатора, при цьому і частота ШІМ залишається незмінною.
А шунтувати мотор діодом все одно не завадить, щоб облегшити життя внутрішньому діоду додатковим зовнішнім під час дєд-тайма. :)
Ось така схема працює довго і щасливо у зварювальному напівавтоматі...
Додаткові файли:
ir2153.JPG
ir2153.JPG [ 25.26 КБ | Переглядів: 14618 ]


Повернутися до початку
 Профіль  
Відповісти цитуючи  
#130758Повідомлення 28 груд 2022, 16:45 
Активіст форуму
Аватара користувача
Не в мережі

Звідки: Тернопіль
Дякував (ла) 0 Подякували 32
Із цікавості закинув у сімуль.
Схема, та дві епюри сигналу на затворах (зелений - нижній транзістор, синій - верхній).
Міняю містами резистори 100к та 1к. Частота не міняється - тільки заповнення.


Додаткові файли:
ШИМ2153.jpg
ШИМ2153.jpg [ 121.9 КБ | Переглядів: 14608 ]
ШИМ1.jpg
ШИМ1.jpg [ 201.58 КБ | Переглядів: 14608 ]
ШИМ2.jpg
ШИМ2.jpg [ 197.34 КБ | Переглядів: 14608 ]

_________________
Навіщо займатися електрикою якщо не в змозі опанувати навіть мову.
https://www.youtube.com/watch?v=M8JfGYuut0w
Повернутися до початку
 Профіль  
Відповісти цитуючи  
#130759Повідомлення 28 груд 2022, 18:00 
Власник електровелосипеда, член клубу
Аватара користувача
Не в мережі

Звідки: Запорожье
Дякував (ла) 297 Подякували 1094
Мій електротранспорт: >
zilk писав(ла):
Змінювати рівень компаратора не зовсім канонічно для IR2153, краще регулювати постійну часу заряду і розряду частотозадаючого конденсатора, при цьому і частота ШІМ залишається незмінною.
Воно то так, але я натякав ШІМувати на вісокій частоті, а модулювати підмішуючи синус 50Гц (який можна зробити на одному операційному підсилювачі). До речі, замішуха модуляції через постійний опір не повинна міняти частоту в процесі модуляції....От як туди підмішувати 50Гц сінуса по тій канонічності.?.. або як вклинити обратний звїязок.?..не крутилкою ж епілептично сіпати....
Та і до біса ті канони, працююче рішення є працююче рішення (мене аргумент "так ніхто не робить" з дитинства вибішує, бо більшість тільки повторювати може, і то рідко коли вдало, митців та фигня не стосується, хибним рішення вважається лише при неприйнятності наслідків ).

Про діод і деадтайм - там такий малий процент часу, що сенсу не має, на нагрів майже не впливає. Хоча повінен сказати, що у випадку звічайних дешевих моторколісних контролерів, воно б не завадило шунтанути ті ключі які не ШИМляться яким небудь міцним Шоткі діодом, бо там ШИМується зазвичай одним ключем в полумості, а в іньшому діод працює напряжно.

_________________
2 моноколеса, 2 электровела, 2 подводных буксира, надувной электро-каяк.


Повернутися до початку
 Профіль  
Відповісти цитуючи  
#130760Повідомлення 28 груд 2022, 18:52 
Активіст форуму
Не в мережі

Звідки: Харків
Дякував (ла) 8 Подякували 40
-=TRO=- писав(ла):
Воно то так, але я натякав ШІМувати на вісокій частоті, а модулювати підмішуючи синус 50Гц (який можна зробити на одному операційному підсилювачі). До речі, замішуха модуляції через постійний опір не повинна міняти частоту в процесі модуляції....От як туди підмішувати 50Гц сінуса по тій канонічності.?.. або як вклинити обратний звїязок.?..не крутилкою ж епілептично сіпати....
Та і до біса ті канони, працююче рішення є працююче рішення (мене аргумент "так ніхто не робить" з дитинства вибішує, бо більшість тільки повторювати може, і то рідко коли вдало, митців та фигня не стосується, хибним рішення вважається лише при неприйнятності наслідків ).

Про діод і деадтайм - там такий малий процент часу, що сенсу не має, на нагрів майже не впливає. Хоча повінен сказати, що у випадку звічайних дешевих моторколісних контролерів, воно б не завадило шунтанути ті ключі які не ШИМляться яким небудь міцним Шоткі діодом, бо там ШИМується зазвичай одним ключем в полумості, а в іньшому діод працює напряжно.


Ну так щоб не мати такого гємора з модуляцією і використовується для цього мікроконтроллер - і все стає значно простіше, і з'являються додаткові бонуси у вигляді регулювання частоти, захист по току, і т.п. А на attiny85 інвертор і на 3 фази, з регулюванням частоти, збирається без жодних проблем., тому ліпити їх на ir2153 це вже якесь середньовіччя...
А на канони мені теж наплювать - я взагалі вічними двигунами в робочий час займаюсь. :lachtot:


Повернутися до початку
 Профіль  
Відповісти цитуючи  
#130762Повідомлення 28 груд 2022, 19:18 
Активіст форуму
Аватара користувача
Не в мережі

Звідки: Тернопіль
Дякував (ла) 0 Подякували 32
zilk писав(ла):
і все стає значно простіше, і з'являються додаткові бонуси у вигляді регулювання частоти, захист по току, і т.п. А на attiny85 інвертор і на 3 фази, з регулюванням частоти, збирається без жодних проблем., тому ліпити їх на ir2153 це вже якесь середньовіччя...

Усе можна зліпити на чом завгодно та як завгодно якщо мати досвід, час, обладнання, насамперед - бажання.....

До того ж attiny85 треба один фіг драйвера транзисторів та моточні вироби. Чи вона відразу зробить і повишайку ДС, а також і сінус?

Приведіть просту схему на attiny85 щоб усе у одному флаконі було.

_________________
Навіщо займатися електрикою якщо не в змозі опанувати навіть мову.
https://www.youtube.com/watch?v=M8JfGYuut0w


Повернутися до початку
 Профіль  
Відповісти цитуючи  
#130763Повідомлення 28 груд 2022, 20:08 
Site Admin
Аватара користувача
Не в мережі

Звідки: город Киев
Дякував (ла) 420 Подякували 1155
Мій електротранспорт: Nissan Leaf
tesljar писав(ла):
Зараз попробую приєднати до подібної схеми повишаючий ДС типу ZVS з самовозбудом - щоб зовсім позбавитися у суцільній схемі магнітопроводів.

Это типа, чтоб ненавязчиво прийти к этой схеме? Осталось только уточнить - кто ее делал, и какие результаты. Интересно бы осциллограммы ее посмотреть. А то боюсь, что не все так радужно, как обещают.


Додаткові файли:
12-230.png
12-230.png [ 142.11 КБ | Переглядів: 14563 ]

_________________
Чем скуднее знания, тем категоричней суждения.

"Глупцы все, кто глупцами кажутся и половина тех, что не кажется". (Бальтасар Грасиан)
Повернутися до початку
 Профіль  
Відповісти цитуючи  
#130764Повідомлення 28 груд 2022, 20:33 
Активіст форуму
Аватара користувача
Не в мережі

Звідки: Полтава
Дякував (ла) 6 Подякували 34
Якби сів за розробку такого девайса, йшов би приблизно таким шляхом. Задаючий синуса 50 Гц - на одній половинці LM358 по класичній схемі моста Віна. Стабілізація амплітуди - мікролампочка. На другій половинці - штучна середня точка (половина напруги живлення) для запитки операційника (щоб не робити двополярне живлення). Синус 50 Гц подається на один із входів компаратора LM393. На другий вхід подається пилка 30 кГц з генератора на NE555. На виході компаратора отримаємо гарний ШІМ, який в протифазі подаємо на мостовий підсилювач, який працює в режимі класу D (це ті ж самі чотири польовичка та дві IR2104). В діагональ моста включаємо підвищуючий транс (вважаю, що це - нормальне рішення для невеликих потужностей - 100-200 Вт).
Забув додати, що на виході очікуємо чистий синус.


Повернутися до початку
 Профіль  
Відповісти цитуючи  
#130768Повідомлення 28 груд 2022, 23:10 
Власник електровелосипеда, член клубу
Аватара користувача
Не в мережі

Звідки: Запорожье
Дякував (ла) 297 Подякували 1094
Мій електротранспорт: >
Я колись давно робив перетворювач з двох ліферних банок в 350в для фотоспалаху, і якраз за схожою схемою як у ДядяВася на UC3843. Там ще була додаткова підвищайка для запитки самої UC3843 (що для 12в живлення зайве).
І оскільки струми були дикі, то ні шунт, ні трансформатор струму мене не влаштували, і я спочатку винайшов свою схему виміру струму падіння напруги на переході силового фета, але потім від неї відмовився, оскільки мені показали більш витончене рішення. Рішення це зводиться всього до двох однакових діодів і двох резисторів, і легкого фільтра у вигляді конденсатора.
Додаткові файли:
2dioda.JPG
2dioda.JPG [ 35.14 КБ | Переглядів: 14539 ]
коли з'являється напруга на завторі силового транзистора, вона через опір і правий діод упирається в напругу падіння відкритого переходу, лівий діод віддзеркалює цю напругу на навантаженні в 470 Омм, і трохи підтягнуте до 5в надходить на струмовий детектор.

_________________
2 моноколеса, 2 электровела, 2 подводных буксира, надувной электро-каяк.


Повернутися до початку
 Профіль  
Відповісти цитуючи  
Показати повідомлення за:  Поле сортування  
Почати нову тему Відповісти на тему  [ Повідомлень: 53 ]              На сторінку 1, 2, 3, 4  Наступ.

Часовий пояс: UTC + 2 години


Хто зараз на конференції

Зараз цей форум переглядають: немає зареєстрованих користувачів і гості: 13


Ви не можете створювати нові теми
Ви не можете відповідати на повідомлення
Ви не можете редагувати свої повідомлення
Ви не можете видаляти свої повідомлення
Ви не можете додавати додаткові файли

Найти:
Створено на основі phpBB® Forum Software © phpBB Group