Поточний час: 07 трав 2026, 07:17

Часовий пояс: UTC + 2 години


Правила форума


Продавець повинен у першому ж пості чітко вказати, що продається, повні технічні характеристики, ціну, по можливості фото. У назві теми має бути коротка назва товару. Теми з назвою типу "Продам шикарний варіант" будуть відразу видаляться з попередженням автора. Обговорення бажано проводити у технічному розділі форуму за адресою http://electroavtosam.com.ua/forums/viewforum.php?f=29


Почати нову тему Відповісти на тему  [ Повідомлень: 46 ]  На сторінку Пред.  1, 2, 3, 4  Наступ.
Автор Повідомлення
 Заголовок повідомлення: Re: Полный комплект для конверсии авто!
#33722Повідомлення 05 бер 2017, 08:55 
Член клубу
Не в мережі

Звідки: Ужгород
Дякував (ла) 126 Подякували 174
Хочу електротранспорт: ВАЗ 2105
Если кого то конкретно заинтересует комплект мотора и контроллера, сделаю скидку до 1560 дол.
Добавил фото мотора сзади с энкодером. Корпус алюминиевый и полностью герметичен.
Еще оригинальная схема подключения контроллера.


Додаткові файли:
070620161037.jpg
070620161037.jpg [ 224.73 КБ | Переглядів: 10539 ]
pin diagram.jpg
pin diagram.jpg [ 159.49 КБ | Переглядів: 10539 ]
25022016964.jpg
25022016964.jpg [ 276.06 КБ | Переглядів: 10539 ]
Повернутися до початку
 Профіль  
Відповісти цитуючи  
 Заголовок повідомлення: Re: Полный комплект для конверсии авто!
#33758Повідомлення 06 бер 2017, 16:41 
Активіст форуму
Не в мережі

Дякував (ла) 58 Подякували 20
не могли бы описать в двух словах как планировалась состыковка мотора и моста ?


Повернутися до початку
 Профіль  
Відповісти цитуючи  
 Заголовок повідомлення: Re: Полный комплект для конверсии авто!
#33768Повідомлення 06 бер 2017, 20:07 
Член клубу
Не в мережі

Звідки: Ужгород
Дякував (ла) 126 Подякували 174
Хочу електротранспорт: ВАЗ 2105
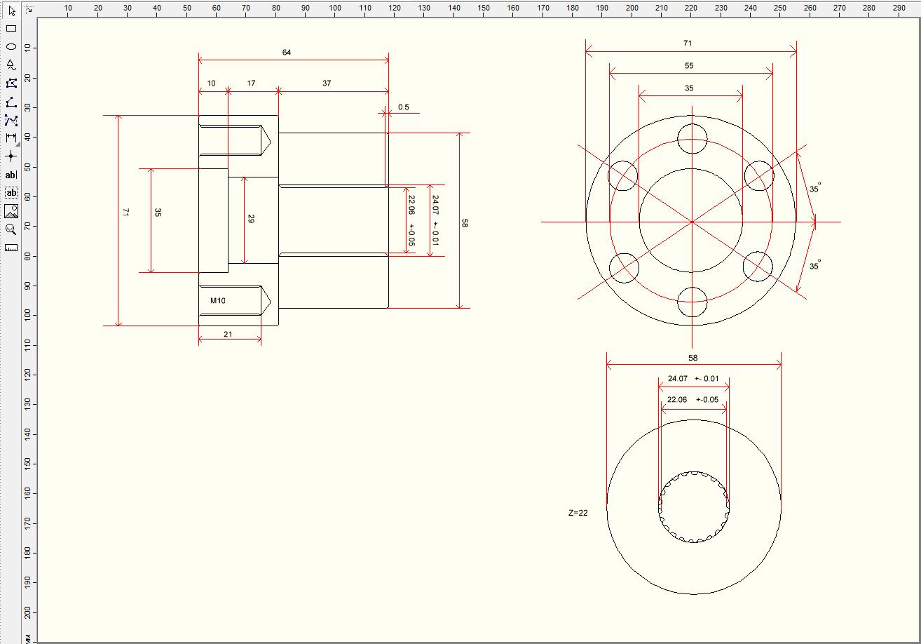
Мотор планировался для стыковки с коробкой передач, чтобы езда на авто ничем не отличалась от езды с ДВС в плане тяговых характеристик.
Для этого у меня запрашивали все передаточные числа КПП, включая задний мост и проверяли на стенде для настройки контроллера.
Прикрепляю упрощенный чертеж стыковочной муфты с маховиком ВАЗ класика.


Додаткові файли:
Муфта.jpg
Муфта.jpg [ 97.8 КБ | Переглядів: 10495 ]
Повернутися до початку
 Профіль  
Відповісти цитуючи  
 Заголовок повідомлення: Re: Полный комплект для конверсии авто!
#34409Повідомлення 30 бер 2017, 11:25 
Не в мережі

Звідки: Екатеринбург
Дякував (ла) 0 Подякували 0
Здравствуйте!
подскажите мощность мотора


Повернутися до початку
 Профіль  
Відповісти цитуючи  
 Заголовок повідомлення: Re: Полный комплект для конверсии авто!
#34442Повідомлення 30 бер 2017, 19:29 
Член клубу
Не в мережі

Звідки: Ужгород
Дякував (ла) 126 Подякували 174
Хочу електротранспорт: ВАЗ 2105
Фото этикетки.


Додаткові файли:
20kw.jpg
20kw.jpg [ 274.83 КБ | Переглядів: 10422 ]
Повернутися до початку
 Профіль  
Відповісти цитуючи  
 Заголовок повідомлення: Re: Полный комплект для конверсии авто!
#34566Повідомлення 04 квіт 2017, 18:40 
Не в мережі

Звідки: Очаков
Дякував (ла) 0 Подякували 0
Хочу електротранспорт: ГАЗ-21-3
Комплект ещё в продаже? что входит в комплект? какой мощности движок? на сколько вольт движок? есть фото с тыльной стороны движка(есть возможность вставить его в кардан)? есть одна интересная идея!!!


Повернутися до початку
 Профіль  
Відповісти цитуючи  
 Заголовок повідомлення: Re: Полный комплект для конверсии авто!
#34573Повідомлення 04 квіт 2017, 19:50 
Не в мережі

Звідки: Очаков
Дякував (ла) 0 Подякували 0
Хочу електротранспорт: ГАЗ-21-3
0990773562, 0935445725


Повернутися до початку
 Профіль  
Відповісти цитуючи  
 Заголовок повідомлення: Re: Полный комплект для конверсии авто!
#34598Повідомлення 05 квіт 2017, 18:30 
Член клубу
Не в мережі

Звідки: Ужгород
Дякував (ла) 126 Подякували 174
Хочу електротранспорт: ВАЗ 2105
Комплект уехал в Киев.
Если кому то интересно закажу еще.


Повернутися до початку
 Профіль  
Відповісти цитуючи  
 Заголовок повідомлення: Re: Полный комплект для конверсии авто!
#43680Повідомлення 10 жовт 2017, 10:17 
Член клубу
Не в мережі

Звідки: Ужгород
Дякував (ла) 126 Подякували 174
Хочу електротранспорт: ВАЗ 2105
Попал на рекламный ролик фирмы :




Повернутися до початку
 Профіль  
Відповісти цитуючи  
 Заголовок повідомлення: Re: Полный комплект для конверсии авто!
#44207Повідомлення 18 жовт 2017, 20:51 
Член клубу
Не в мережі

Звідки: Ужгород
Дякував (ла) 126 Подякували 174
Хочу електротранспорт: ВАЗ 2105
Видео расказ об этих моторах :




Повернутися до початку
 Профіль  
Відповісти цитуючи  
 Заголовок повідомлення: Re: Полный комплект для конверсии авто!
#44224Повідомлення 19 жовт 2017, 10:49 
Голова клубу
Аватара користувача
Не в мережі

Звідки: Україна, Донецьк => Ірпінь
Дякував (ла) 7024 Подякували 2609
Мій електротранспорт: Tesla S
Хочу електротранспорт: е-панцирник
Eugeniy79 писав(ла):
Видео расказ об этих моторах
Как всегда про БМС забыли. И что-то я пролистал и не увидел педаль газа.


Повернутися до початку
 Профіль  
Відповісти цитуючи  
 Заголовок повідомлення: Re: Полный комплект для конверсии авто!
#49718Повідомлення 12 січ 2018, 15:20 
Не в мережі

Звідки: Latvija
Дякував (ла) 0 Подякували 0
Мій електротранспорт: Citroen c-zero
Хочу електротранспорт: ваз 2103
Мне интересовало комплект на ваз 2103 класику.

Немогу отослат лс


Повернутися до початку
 Профіль  
Відповісти цитуючи  
 Заголовок повідомлення: Re: Полный комплект для конверсии авто!
#50224Повідомлення 18 січ 2018, 21:46 
Не в мережі

Звідки: Киев Украина
Дякував (ла) 16 Подякували 1
Мій електротранспорт: Нет
Хочу електротранспорт: Хочу
Есть ВАЗ 2102. Хочу для себя определиться, если я возьму этот комплект, какая батарея мне обеспечит пробег в 130км. И интересно было бы пообщаться с киевлянина взявшим такой комплект.


Повернутися до початку
 Профіль  
Відповісти цитуючи  
 Заголовок повідомлення: Re: Полный комплект для конверсии авто!
#50240Повідомлення 19 січ 2018, 10:33 
Член клубу
Не в мережі

Звідки: Ужгород
Дякував (ла) 126 Подякували 174
Хочу електротранспорт: ВАЗ 2105
Средний расход такого авто с этим двигателем должен получиться около 170~180 Вт/ч/км, соответственно 130км*0,17кВт=22 Квт/ч.
Владелец этого мотора насколько я знаю еще его не обкатывал.


Повернутися до початку
 Профіль  
Відповісти цитуючи  
 Заголовок повідомлення: Re: Полный комплект для конверсии авто!
#75379Повідомлення 21 лют 2019, 16:08 
Не в мережі

Звідки: Казахстан
Дякував (ла) 0 Подякували 0
Мій електротранспорт: ваз
Хочу електротранспорт: ваз
Здравствуйте, Евгений!!! я тоже хочу купить набор со скидкой.Каким образом перевести деньги и в какой валюте. Жду ответа. С уважением.


Повернутися до початку
 Профіль  
Відповісти цитуючи  
Показати повідомлення за:  Поле сортування  
Почати нову тему Відповісти на тему  [ Повідомлень: 46 ]              На сторінку Пред.  1, 2, 3, 4  Наступ.

Часовий пояс: UTC + 2 години


Хто зараз на конференції

Зараз цей форум переглядають: немає зареєстрованих користувачів і гості: 2


Ви не можете створювати нові теми
Ви не можете відповідати на повідомлення
Ви не можете редагувати свої повідомлення
Ви не можете видаляти свої повідомлення
Ви не можете додавати додаткові файли

Найти:
Створено на основі phpBB® Forum Software © phpBB Group