Поточний час: 18 груд 2025, 22:37

Часовий пояс: UTC + 2 години


Правила форума


Обговорення лише самостійно зібраних/переобладнаних електромобілів на ходу


Почати нову тему Відповісти на тему  [ Повідомлень: 171 ]  На сторінку Пред.  1, 2, 3, 4, 5, 6, 7 ... 12  Наступ.
Автор Повідомлення
 Заголовок повідомлення: Re: ЗАЗ 968М СУПЕР бюджетный электрокар)
#43392Повідомлення 06 жовт 2017, 06:22 
Творець електромобіля, член клубу
Аватара користувача
Не в мережі

Звідки: Dніпропетровськ
Дякував (ла) 403 Подякували 486
Мій електротранспорт: ЗАЗ-968А, SUZUKI Carry.
владимир-альянс писав(ла):
саша-меняйся... сузька будет порхать!

Коня купить можно...где овёс брать??? :girl:

_________________
"...я мзду не беру, мне за державу обидно..."


Повернутися до початку
 Профіль  
Відповісти цитуючи  
 Заголовок повідомлення: Re: ЗАЗ 968М СУПЕР бюджетный электрокар)
#43396Повідомлення 06 жовт 2017, 08:13 
Не в мережі

Звідки: Днепр
Дякував (ла) 1187 Подякували 1175
Александр.TUZ писав(ла):
где овёс брать???

...тощий конь иногда может "скушать" намного больше :lol: ...


Повернутися до початку
 Профіль  
Відповісти цитуючи  
 Заголовок повідомлення: Re: ЗАЗ 968М СУПЕР бюджетный электрокар)
#43407Повідомлення 06 жовт 2017, 11:48 
Творець електромобіля
Аватара користувача
Не в мережі

Звідки: Николаев
Дякував (ла) 10 Подякували 24
Я так полагаю что таки для 6.3. нужно "овса" поболее чем 3.6 ? Если смысл мне заморачиваться на замену его на 3.6. или ставить в расчете ан запас мощности, чтобы потом сделать стартующий с отрывом передних колес от земли запор? Насчет обмоток, я не электрик, объясните, можно както переподключить обмотки, ( я так понял что сейчас они все последовательно подключены) в параллель, и тогда увеличатся обороты, но упадет мощность?если сделать две обмотки параллельно, а две последовательно(их же там 4?), то обороты в 2 раза плюс, мощность в 2 раза минус? Вольтаж в два раза минус? ЧТо он тогда станет номинально 37.5 вольтовый, 2800 об, и 3.1 кв? или имеется ввиду не мощность а крутящий момент?


Повернутися до початку
 Профіль  
Відповісти цитуючи  
 Заголовок повідомлення: Re: ЗАЗ 968М СУПЕР бюджетный электрокар)
#43411Повідомлення 06 жовт 2017, 12:35 
Не в мережі

Звідки: Днепр
Дякував (ла) 1187 Подякували 1175
Книжник писав(ла):
Я так полагаю что таки для 6.3. нужно "овса" поболее чем 3.6 ? Если смысл мне заморачиваться на замену его на 3.6.

...не нужно ничего менять,ставьте то шо есть. По весу разница не велика,по габариту - смотрите по месту,может не влезть по длине.Если-бы вент.был сзади,можно было-бы выиграть 80-100мм. И не факт,что потребление вырастет,может даже наоборот...


Повернутися до початку
 Профіль  
Відповісти цитуючи  
 Заголовок повідомлення: Re: ЗАЗ 968М СУПЕР бюджетный электрокар)
#43435Повідомлення 06 жовт 2017, 20:49 
Творець електромобіля
Аватара користувача
Не в мережі

Звідки: Николаев
Дякував (ла) 10 Подякували 24
Подскажите как можно например этот контроллер https://www.olx.ua/obyavlenie/kontrolle ... 0268661b98 соединить с педалью газа? типа такой https://ru.aliexpress.com/item/foot-ped ... 0bb2&tpp=1 там надо чтото между ними еще? куда там те 3 контакта с педали идут? два питание, третий управляющий на контролллер например на А2?


Повернутися до початку
 Профіль  
Відповісти цитуючи  
 Заголовок повідомлення: Re: ЗАЗ 968М СУПЕР бюджетный электрокар)
#43450Повідомлення 07 жовт 2017, 00:33 
Творець електромобіля
Аватара користувача
Не в мережі

Звідки: Украина Киев
Дякував (ла) 28 Подякували 114
Мій електротранспорт: Trabant 601S electro в постройке
Первый имеет на сколько мне известно фиксированые 4 или 5 скоростей плюс задний ход и с педалью газа не работает


Повернутися до початку
 Профіль  
Відповісти цитуючи  
 Заголовок повідомлення: Re: ЗАЗ 968М СУПЕР бюджетный электрокар)
#43451Повідомлення 07 жовт 2017, 00:44 
Творець електромобіля
Аватара користувача
Не в мережі

Звідки: Николаев
Дякував (ла) 10 Подякували 24
А чем эти скорости переключаются?


Повернутися до початку
 Профіль  
Відповісти цитуючи  
 Заголовок повідомлення: Re: ЗАЗ 968М СУПЕР бюджетный электрокар)
#43452Повідомлення 07 жовт 2017, 06:21 
Творець електромобіля
Аватара користувача
Не в мережі

Звідки: Украина Киев
Дякував (ла) 28 Подякували 114
Мій електротранспорт: Trabant 601S electro в постройке
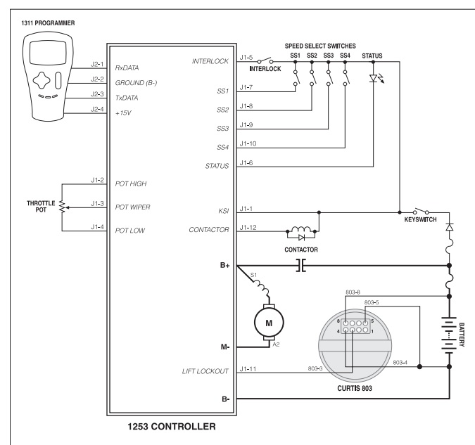
Помню долго искал картинку подключения и где то нашел но не сохранил. Картинка типа такой


Додаткові файли:
15051x.jpg
15051x.jpg [ 49.08 КБ | Переглядів: 8007 ]
1253wiring14622185065727af0aeb4c8.jpg
1253wiring14622185065727af0aeb4c8.jpg [ 63.96 КБ | Переглядів: 8007 ]
Повернутися до початку
 Профіль  
Відповісти цитуючи  
 Заголовок повідомлення: Re: ЗАЗ 968М СУПЕР бюджетный электрокар)
#43453Повідомлення 07 жовт 2017, 06:24 
Творець електромобіля
Аватара користувача
Не в мережі

Звідки: Украина Киев
Дякував (ла) 28 Подякували 114
Мій електротранспорт: Trabant 601S electro в постройке
Большая часть этих контроллеров имеют 3х пиновае подключение слаботочки и эти 3 пина идут на резистор. Тут только на угад. Тестером искать плюс и смотреть в гугле картинки с какой совпадет или покупать со схемой. Цена хорошая но без схемы это лотерея. Рабочий или нет, спалить не спалить, угадать не угадать. Вам решать


Повернутися до початку
 Профіль  
Відповісти цитуючи  
 Заголовок повідомлення: Re: ЗАЗ 968М СУПЕР бюджетный электрокар)
#43500Повідомлення 08 жовт 2017, 00:14 
Творець електромобіля
Аватара користувача
Не в мережі

Звідки: Николаев
Дякував (ла) 10 Подякували 24
XAOYAG писав(ла):
Большая часть этих контроллеров имеют 3х пиновае подключение слаботочки и эти 3 пина идут на резистор. Тут только на угад. Тестером искать плюс и смотреть в гугле картинки с какой совпадет или покупать со схемой. Цена хорошая но без схемы это лотерея. Рабочий или нет, спалить не спалить, угадать не угадать. Вам решать

"резистор" имеется ввиду подключение "педали" типа 5в плюс, минус, и управляющий? В том что я выше ссылку бросил на олх есть вероятость что он просто" 5 скоростной" и есть что таки он может управлятся "педалью" и этих 3 контакта спрятаны гдето в белой колодке? У него еще есть слева место где у других подобных моделей идет 3 контакта, я подозреваю что именно на педаль, но у него такой один контакт в том месте только


Повернутися до початку
 Профіль  
Відповісти цитуючи  
 Заголовок повідомлення: Re: ЗАЗ 968М СУПЕР бюджетный электрокар)
#43515Повідомлення 08 жовт 2017, 09:33 
Творець електромобіля
Аватара користувача
Не в мережі

Звідки: Украина Киев
Дякував (ла) 28 Подякували 114
Мій електротранспорт: Trabant 601S electro в постройке
Надо трусить продавца, пускай раскажет про свой товар. Есть вероятность что вам повезет


Повернутися до початку
 Профіль  
Відповісти цитуючи  
 Заголовок повідомлення: Re: ЗАЗ 968М СУПЕР бюджетный электрокар)
#44272Повідомлення 19 жовт 2017, 22:21 
Творець електромобіля
Аватара користувача
Не в мережі

Звідки: Украина Киев
Дякував (ла) 28 Подякували 114
Мій електротранспорт: Trabant 601S electro в постройке
Что то тихо стало ничего не слышно про супер бюджетный электромобиль. Может супербюджет закончился?


Повернутися до початку
 Профіль  
Відповісти цитуючи  
 Заголовок повідомлення: Re: ЗАЗ 968М СУПЕР бюджетный электрокар)
#44289Повідомлення 20 жовт 2017, 11:50 
Творець електромобіля
Аватара користувача
Не в мережі

Звідки: Николаев
Дякував (ла) 10 Подякували 24
Просто уже имею много информации, занимаюсь поиском и покупкой необходимых деталей)) Можно конечно все за неделю купить и за две поставить, но я тогда не влезу в бюджет, а задача проекта именно поместится в бюджет.
Думаю заказать вот такой контроллер, на всякий случай еще спрошу, он подходит же для моего дс 6.3?
http://kellycontroller.com/kds72200e200 ... p-762.html
и к нему подходит эта ручка, правильно? http://kellycontroller.com/throttle-hal ... p-134.html


Повернутися до початку
 Профіль  
Відповісти цитуючи  
 Заголовок повідомлення: Re: ЗАЗ 968М СУПЕР бюджетный электрокар)
#44290Повідомлення 20 жовт 2017, 12:12 
Творець електромобіля, член клубу
Аватара користувача
Не в мережі

Звідки: Кременчуг
Дякував (ла) 733 Подякували 322
Мій електротранспорт: е-Таврия
Что- то уж больно унылый контроллер, разве что 30-40 км/ч ездить, чтобы выехать из гаража пойдет.

_________________
автопробег на электричестве 50000 км


Повернутися до початку
 Профіль  
Відповісти цитуючи  
 Заголовок повідомлення: Re: ЗАЗ 968М СУПЕР бюджетный электрокар)
#44298Повідомлення 20 жовт 2017, 15:02 
Творець електромобіля, член клубу
Аватара користувача
Не в мережі

Звідки: Dніпропетровськ
Дякував (ла) 403 Подякували 486
Мій електротранспорт: ЗАЗ-968А, SUZUKI Carry.
Контроллер этот подойдет на байк, хотя на байках видал и повеселее....
Нет, без РОМАНТИКА Вам не обойтись. Пишите в Харьков и будет Вам счастье- и дешево и круто !!! :gott:

_________________
"...я мзду не беру, мне за державу обидно..."


Повернутися до початку
 Профіль  
Відповісти цитуючи  
Показати повідомлення за:  Поле сортування  
Почати нову тему Відповісти на тему  [ Повідомлень: 171 ]              На сторінку Пред.  1, 2, 3, 4, 5, 6, 7 ... 12  Наступ.

Часовий пояс: UTC + 2 години


Хто зараз на конференції

Зараз цей форум переглядають: немає зареєстрованих користувачів і гості: 122


Ви не можете створювати нові теми
Ви не можете відповідати на повідомлення
Ви не можете редагувати свої повідомлення
Ви не можете видаляти свої повідомлення
Ви не можете додавати додаткові файли

Найти:
Створено на основі phpBB® Forum Software © phpBB Group