Поточний час: 29 квіт 2026, 14:50

Часовий пояс: UTC + 2 години


Правила форума


Обговорення лише самостійно зібраних/переобладнаних електромобілів на ходу


Почати нову тему Відповісти на тему  [ Повідомлень: 263 ]  На сторінку Пред.  1 ... 11, 12, 13, 14, 15, 16, 17, 18  Наступ.
Автор Повідомлення
 Заголовок повідомлення: Re: Электроминибусик Subaru libero, Киев
#48373Повідомлення 21 груд 2017, 15:04 
Творець електромобіля, член клубу
Аватара користувача
Не в мережі

Звідки: Запорожье
Дякував (ла) 415 Подякували 1019
Мій електротранспорт: ROVER 75
Хочу електротранспорт: электробус
полезно было бы сечение увеличить,по которому тепло передается к радиатору.а то на кристалле будет слишком высокая температура...
какой драйвер будет?

_________________
подтягивайтесь на страничку
https://www.facebook.com/Create-your-el ... 8811748137
постараюсь чтобы было интересно!


Повернутися до початку
 Профіль  
Відповісти цитуючи  
 Заголовок повідомлення: Re: Электроминибусик Subaru libero, Киев
#48377Повідомлення 21 груд 2017, 17:24 
Творець електромобіля, член клубу
Не в мережі

Звідки: Жмеринка
Дякував (ла) 159 Подякували 690
Мій електротранспорт: Ел-Пежо 205 - 30000км ........ ..... Ел-FAW 6371 - 70000км
Goga65 писав(ла):
Denis писав(ла):
Дорослі радіатори майже готові :)

Не разделяю вашу трату времени на это...существуют готовые и бюджетные решения.

Довольно бюджетный вариант http://ali.pub/24ow8t

_________________
Пробіг на Эл-Пежо 30 000км
Пробіг на єл-FAW 6371 60 000км


Повернутися до початку
 Профіль  
Відповісти цитуючи  
 Заголовок повідомлення: Re: Электроминибусик Subaru libero, Киев
#48379Повідомлення 21 груд 2017, 17:59 
Site Admin
Аватара користувача
Не в мережі

Звідки: город Киев
Дякував (ла) 423 Подякували 1180
Мій електротранспорт: Nissan Leaf
Без вентилятора конечно лучше. У китайцев такие тоже есть, дороже раза в полтора, но отсутствие вентилятора, думаю, этого стоит.
https://ru.aliexpress.com/item/GEETANS- ... 5988&tpp=1

_________________
Чем скуднее знания, тем категоричней суждения.

"Глупцы все, кто глупцами кажутся и половина тех, что не кажется". (Бальтасар Грасиан)


Повернутися до початку
 Профіль  
Відповісти цитуючи  
 Заголовок повідомлення: Re: Электроминибусик Subaru libero, Киев
#48383Повідомлення 21 груд 2017, 19:03 
Не в мережі

Звідки: Україна
Дякував (ла) 1653 Подякували 329
Мій електротранспорт: а ти чого, пацан, інтєрєсуєшся?
Denis писав(ла):
Дорослі радіатори майже готові :)

На вигляд дiйсно дорослi 8) Якi дiаметри та довжина ребер ?


Повернутися до початку
 Профіль  
Відповісти цитуючи  
 Заголовок повідомлення: Re: Электроминибусик Subaru libero, Киев
#48414Повідомлення 22 груд 2017, 12:31 
Творець електромобіля, член клубу
Аватара користувача
Не в мережі

Звідки: Глеваха, возле Киева
Дякував (ла) 244 Подякували 222
Мій електротранспорт: Subaru Libero
Хочу електротранспорт: 4х4 с солнечными панелями
Лев писав(ла):
полезно было бы сечение увеличить,по которому тепло передается к радиатору.а то на кристалле будет слишком высокая температура...
какой драйвер будет?

В моей фаре отверстие под лампу 12мм, потому и так старался по максимуму. Этот светодиод считается термоустойчивым и держит 105 град, но я проверять не буду :) а учитывая что буду эксплуатировать на половину мощности, то думаю ему будет комфортно. А по драйверу еще не знаю, так как одни говорят что для этих светодиодов не нужен драйвер, другие говорят нужен... В даташите я пока ответ не нашел. Есть у меня в наличии стабилизатор https://co-di.com.ua/p369401616-avtomat ... eniya.html скорей всего через него запитаю


Повернутися до початку
 Профіль  
Відповісти цитуючи  
 Заголовок повідомлення: Re: Электроминибусик Subaru libero, Киев
#48415Повідомлення 22 груд 2017, 12:48 
Творець електромобіля, член клубу
Аватара користувача
Не в мережі

Звідки: Глеваха, возле Киева
Дякував (ла) 244 Подякували 222
Мій електротранспорт: Subaru Libero
Хочу електротранспорт: 4х4 с солнечными панелями
Через Али боялся покупать, так как подъезжал к месным мастерам и ставил, пробовал в фарах. У меня сейчас стоит ксенон 35Вт с которым я их и сравнивал, а то что я проверял – все мне не понравилось. Например лампы по 30Вт светят в разы хуже ксенона в тех же ватах. Если б хуже светили да ватт меньше, то мне бы подошло, но когда ставил меньше ватт, то вообще потемки


Повернутися до початку
 Профіль  
Відповісти цитуючи  
 Заголовок повідомлення: Re: Электроминибусик Subaru libero, Киев
#48416Повідомлення 22 груд 2017, 12:51 
Творець електромобіля, член клубу
Аватара користувача
Не в мережі

Звідки: Глеваха, возле Киева
Дякував (ла) 244 Подякували 222
Мій електротранспорт: Subaru Libero
Хочу електротранспорт: 4х4 с солнечными панелями
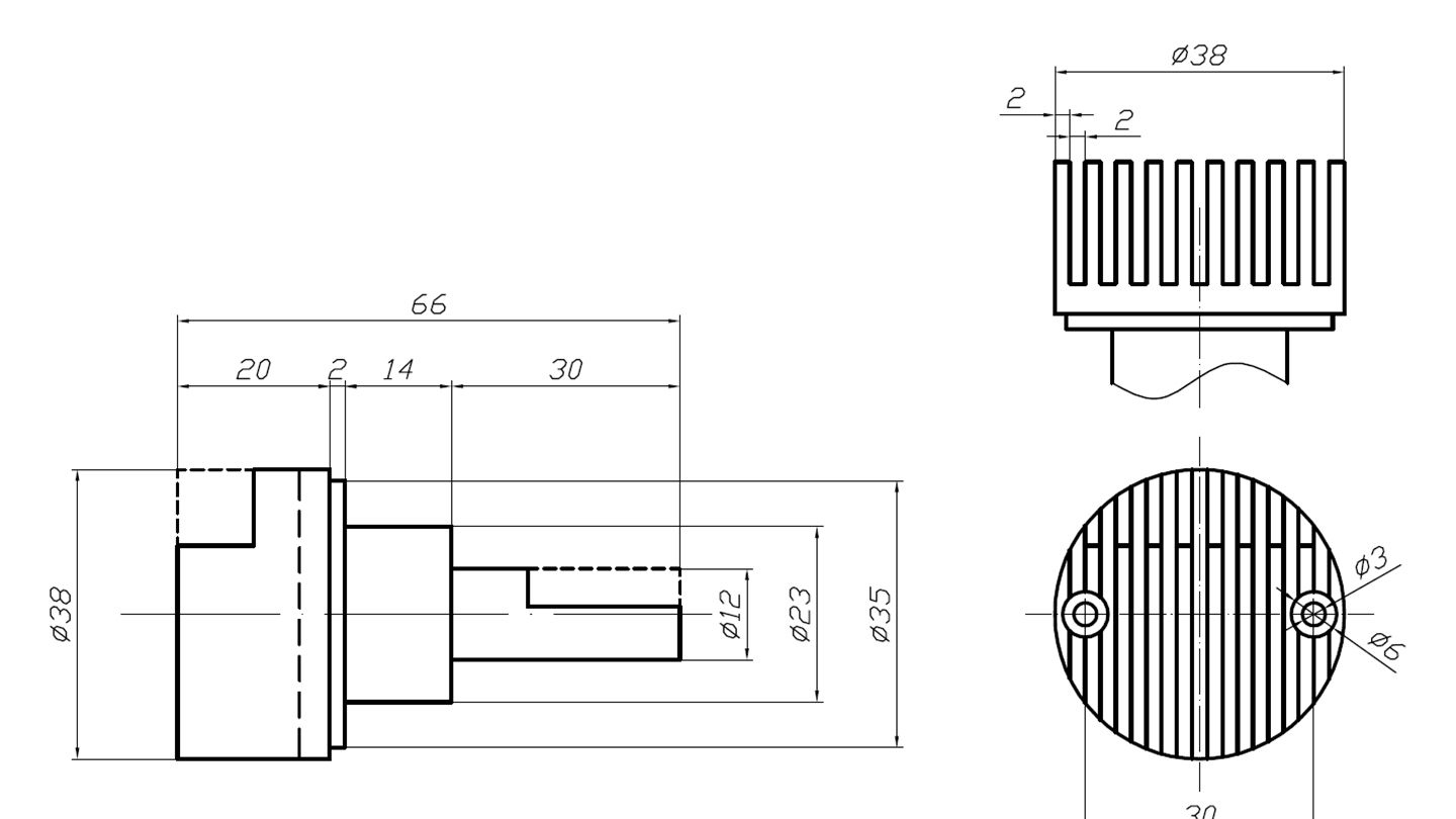
Dream Tractor писав(ла):
Denis писав(ла):
Дорослі радіатори майже готові :)

На вигляд дiйсно дорослi 8) Якi дiаметри та довжина ребер ?


Додаткові файли:
Охолоджувач лампи.jpg
Охолоджувач лампи.jpg [ 144.67 КБ | Переглядів: 10851 ]
Повернутися до початку
 Профіль  
Відповісти цитуючи  
 Заголовок повідомлення: Re: Электроминибусик Subaru libero, Киев
#48441Повідомлення 22 груд 2017, 23:00 
Не в мережі

Звідки: Україна
Дякував (ла) 1653 Подякували 329
Мій електротранспорт: а ти чого, пацан, інтєрєсуєшся?
Эта конструкция хорошо потянет честных Вт 10 в пассиве, 15 в натяг (в зависимости какой диод поставить и в какой зоне КПД будет работать). На практически идентичных габаритах и как раз половинке XHP50 на номинале (6Вx1.5A) я получил насыщение до 80гр возле светодиода.


Повернутися до початку
 Профіль  
Відповісти цитуючи  
 Заголовок повідомлення: Re: Электроминибусик Subaru libero, Киев
#48452Повідомлення 23 груд 2017, 10:58 
Творець електромобіля, член клубу
Аватара користувача
Не в мережі

Звідки: Глеваха, возле Киева
Дякував (ла) 244 Подякували 222
Мій електротранспорт: Subaru Libero
Хочу електротранспорт: 4х4 с солнечными панелями
Якщо в мене зійдеться теорія з практикою :) , то я й розраховую на 10Вт, гадаю що їх буде досить. Коли тестував свої XHP50, то прийшив до висновку що десь 10Вт у них максимальний ККД і він гріється в розумних межах, дуже слабо, а тільки даєш його заявлий максимум 19Вт він зразу гріється більш ніж в разів три, як праска.


Повернутися до початку
 Профіль  
Відповісти цитуючи  
 Заголовок повідомлення: Re: Электроминибусик Subaru libero, Киев
#48534Повідомлення 25 груд 2017, 09:19 
Творець електромобіля, член клубу
Аватара користувача
Не в мережі

Звідки: Запорожье
Дякував (ла) 415 Подякували 1019
Мій електротранспорт: ROVER 75
Хочу електротранспорт: электробус
XML не плохой светодиод,в даташите про драйвера вы ни чего не найдете,там только токи,зависимости,режимы...
любому светодиоду нужен драйвер,очень кривая зависимость,тока от напряжения..уложить диод раз плюнуть...
ну типа напряжение поднимаете на 0.1в а ток выростает в двое...правильный драйвер с контролем по температуре рулит,особенно в вашем варианте.когда тепло от подложки будет довольно слабо отбираться...думаю оптимальный режим в 350ма должен выдержать,больше лучше не разгонять,да и смысла особо нету,колличество люмен не сильно добавляется.а ток и тепловые потери возрастают нормально...

_________________
подтягивайтесь на страничку
https://www.facebook.com/Create-your-el ... 8811748137
постараюсь чтобы было интересно!


Повернутися до початку
 Профіль  
Відповісти цитуючи  
 Заголовок повідомлення: Re: Электроминибусик Subaru libero, Киев
#48551Повідомлення 25 груд 2017, 13:01 
Творець електромобіля, член клубу
Аватара користувача
Не в мережі

Звідки: Глеваха, возле Киева
Дякував (ла) 244 Подякували 222
Мій електротранспорт: Subaru Libero
Хочу електротранспорт: 4х4 с солнечными панелями
У меня чем хорошо, что бортовая сеть максимум 12,4В и в этих светодиодов такой же максимальный порог. Но я подозреваю, что все же придется использовать драйвера :) но то уже потом после испытаний со стабилизатором


Повернутися до початку
 Профіль  
Відповісти цитуючи  
 Заголовок повідомлення: Re: Электроминибусик Subaru libero, Киев
#48595Повідомлення 26 груд 2017, 10:05 
Творець електромобіля, член клубу
Аватара користувача
Не в мережі

Звідки: Dніпропетровськ
Дякував (ла) 407 Подякували 490
Мій електротранспорт: ЗАЗ-968А, SUZUKI Carry.
Denis писав(ла):
У меня чем хорошо, что бортовая сеть максимум 12,4В и в этих светодиодов такой же максимальный порог. Но я подозреваю, что все же придется использовать драйвера :) но то уже потом после испытаний со стабилизатором

Поставьте хотя бы простенький стабилизатор в цепь лампы... Пользуюсь таким. Проблем нет! :gott: {O_0}
https://www.youtube.com/watch?v=O3s8ceiIs9U
https://www.youtube.com/watch?v=zUop_dznAEY
:idee:

_________________
"...я мзду не беру, мне за державу обидно..."


Повернутися до початку
 Профіль  
Відповісти цитуючи  
 Заголовок повідомлення: Re: Электроминибусик Subaru libero, Киев
#49984Повідомлення 15 січ 2018, 22:01 
Творець електромобіля, член клубу
Аватара користувача
Не в мережі

Звідки: Запорожье
Дякував (ла) 415 Подякували 1019
Мій електротранспорт: ROVER 75
Хочу електротранспорт: электробус
та нее,простенький не годится,нужно драйвер,они продаются,и стоят не дорого,иначе диодам каюк

_________________
подтягивайтесь на страничку
https://www.facebook.com/Create-your-el ... 8811748137
постараюсь чтобы было интересно!


Повернутися до початку
 Профіль  
Відповісти цитуючи  
 Заголовок повідомлення: Re: Электроминибусик Subaru libero, Киев
#49989Повідомлення 15 січ 2018, 22:28 
Не в мережі

Звідки: Україна
Дякував (ла) 1653 Подякували 329
Мій електротранспорт: а ти чого, пацан, інтєрєсуєшся?
Если знать сколько точно до диода доходит В и его ВАХ, +нормальное охлаждение - никакого каюка.
Лев писав(ла):
ну типа напряжение поднимаете на 0.1в а ток выростает в двое...

Не знаю ни одного такого диода, но с интересом посмотрел бы datasheet.

Вот ВАХ xhp50, который собирается использовать Денис

Додаткові файли:
xhp50.png
xhp50.png [ 32.28 КБ | Переглядів: 10597 ]


Повернутися до початку
 Профіль  
Відповісти цитуючи  
 Заголовок повідомлення: Re: Электроминибусик Subaru libero, Киев
#49991Повідомлення 15 січ 2018, 22:57 
Творець електромобіля, член клубу
Аватара користувача
Не в мережі

Звідки: Запорожье
Дякував (ла) 415 Подякували 1019
Мій електротранспорт: ROVER 75
Хочу електротранспорт: электробус
ну хорошо,не 0.1 а 0.2в,,сути не меняет..(хотя на некоторых режимах есть и больше). 12.4 макс,при таком режиме он долго не проработает, нужно ограничивать по любому,плюс всякие разные помехи в сети,выбросы все такое....на глаз особо и не видно будет разницы на пример между 500ма или 750...но при 500 и тепла меньше,и жизнь дольше)
причем нужно учесть что это характеристики при 85град на кристалле,в данной системе на кристалле будет гораздо больше,если на пример 12и вольтовый запитать на 1000ма он довольно быстро нагреет медяху ,а потом все,остальное тепло девать некуда...


Додаткові файли:
Screenshot-2018-1-15 Cree XLamp XHP50 2 LED Data Sheet - ds-XHP502 pdf.png
Screenshot-2018-1-15 Cree XLamp XHP50 2 LED Data Sheet - ds-XHP502 pdf.png [ 171.21 КБ | Переглядів: 10579 ]

_________________
подтягивайтесь на страничку
https://www.facebook.com/Create-your-el ... 8811748137
постараюсь чтобы было интересно!
Повернутися до початку
 Профіль  
Відповісти цитуючи  
Показати повідомлення за:  Поле сортування  
Почати нову тему Відповісти на тему  [ Повідомлень: 263 ]              На сторінку Пред.  1 ... 11, 12, 13, 14, 15, 16, 17, 18  Наступ.

Часовий пояс: UTC + 2 години


Хто зараз на конференції

Зараз цей форум переглядають: немає зареєстрованих користувачів і гості: 185


Ви не можете створювати нові теми
Ви не можете відповідати на повідомлення
Ви не можете редагувати свої повідомлення
Ви не можете видаляти свої повідомлення
Ви не можете додавати додаткові файли

Найти:
Створено на основі phpBB® Forum Software © phpBB Group