Поточний час: 17 груд 2025, 13:06

Часовий пояс: UTC + 2 години



Почати нову тему Відповісти на тему  [ Повідомлень: 140 ]  На сторінку Пред.  1 ... 3, 4, 5, 6, 7, 8, 9, 10  Наступ.
Автор Повідомлення
#50019Повідомлення 16 січ 2018, 09:57 
Голова клубу
Аватара користувача
Не в мережі

Звідки: Україна, Донецьк => Ірпінь
Дякував (ла) 6969 Подякували 2591
Мій електротранспорт: Tesla S
Хочу електротранспорт: е-панцирник
-=TRO=- писав(ла):
А тем кому надо готовое решение, даже и не знаю куда послать :roll: .
А я знаю. Вот здесь купить у китайцев. Реально работают у меня уже полгода. Плюс скоро подоспеет решение от запорожцев. У них активные балансиры для свинцовых 12-вольтовых аккумуляторов были отличны. Электромобиль с ними на 10-15% дальше проезжал. Теперь они добрались и до лития.


Повернутися до початку
 Профіль  
Відповісти цитуючи  
#50028Повідомлення 16 січ 2018, 11:55 
Site Admin
Аватара користувача
Не в мережі

Звідки: город Киев
Дякував (ла) 420 Подякували 1155
Мій електротранспорт: Nissan Leaf
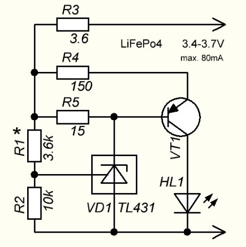
Раньше неплохую идею по балансировке лифера (именно балансировке, а не только ограничению) подал DeLike: viewtopic.php?f=35&t=2020
Правда, его схема не соответствует его же идее. Предлагаю такой вариант. Смысл в наличии отрицательной обратной связи на R2. Схема сырая, не взыщите, резисторы посчитаны на начало срабатывания 3,4В, конец - 3,7В, (уточнить не помешает). В процессе работы ток будет нарастать от минимума до максимума, и будет продолжать балансировать в этом диапазоне даже после выключения зарядки.

Но! Система контроля, защита от перезяряда/переразряда батареи обязательна, независимо от наличия/отсутствия любых балансиров!

Поэтому лучше взять готовую БМС, например Геннадия: viewtopic.php?f=35&t=800&start=90
Мне понравилось, что у него на экран, кроме всего прочего, выводится состояние самой сильной и самой слабой ячейки, что косвенно информирует о здоровье батареи задолго до того, как сработает защита.


Додаткові файли:
LiFePo4 _balans.jpg
LiFePo4 _balans.jpg [ 27.11 КБ | Переглядів: 8279 ]

_________________
Чем скуднее знания, тем категоричней суждения.

"Глупцы все, кто глупцами кажутся и половина тех, что не кажется". (Бальтасар Грасиан)
Повернутися до початку
 Профіль  
Відповісти цитуючи  
#50064Повідомлення 16 січ 2018, 21:25 
Site Admin
Аватара користувача
Не в мережі

Звідки: город Киев
Дякував (ла) 420 Подякували 1155
Мій електротранспорт: Nissan Leaf
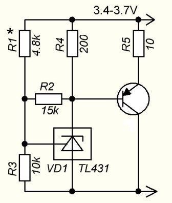
Оказывается, некоторые TL431 рассчитаны на 100-150мА, поэтому есть соблазн упростить схему и обойтись без дополнительного ключа. Любителям просто балансиров предлагается такой вариант:


Додаткові файли:
LiFePo4 _balans2.jpg
LiFePo4 _balans2.jpg [ 16.73 КБ | Переглядів: 8275 ]

_________________
Чем скуднее знания, тем категоричней суждения.

"Глупцы все, кто глупцами кажутся и половина тех, что не кажется". (Бальтасар Грасиан)
Повернутися до початку
 Профіль  
Відповісти цитуючи  
#50067Повідомлення 16 січ 2018, 21:40 
Власник електровелосипеда
Не в мережі

Звідки: Киев
Дякував (ла) 243 Подякували 617
Мій електротранспорт: Ё
по моему - не будет оно работать.
ПОС не в той фазе.

_________________
Э-вел,3 кВт Quanshun,Келли 200А,ли-ион,3.2кВтЧ,(LG 48АЧ, 21S) , max 75 км\ч, > 60 000 км


Повернутися до початку
 Профіль  
Відповісти цитуючи  
#50083Повідомлення 16 січ 2018, 22:47 
Site Admin
Аватара користувача
Не в мережі

Звідки: город Киев
Дякував (ла) 420 Подякували 1155
Мій електротранспорт: Nissan Leaf
В этом и смысл, чтоб получить именно балансир - ПОС заменена на ООС.

Кстати, по просьбам трудящихся - вот вам аналог стабилитрона (умного). Все еще больше упрощается. Ток указан максимальный при 3,7В, при напряжении ячейки ниже 3,4В ток мизерный, порядка 0,25 мА.
Основная часть энергии балансира будет рассеиваться на транзисторе.


Додаткові файли:
LiFePo4 _balans4.jpg
LiFePo4 _balans4.jpg [ 58.21 КБ | Переглядів: 8351 ]

_________________
Чем скуднее знания, тем категоричней суждения.

"Глупцы все, кто глупцами кажутся и половина тех, что не кажется". (Бальтасар Грасиан)
Повернутися до початку
 Профіль  
Відповісти цитуючи  
#50085Повідомлення 16 січ 2018, 22:55 
Власник електровелосипеда
Не в мережі

Звідки: Киев
Дякував (ла) 243 Подякували 617
Мій електротранспорт: Ё
ДядяВася писав(ла):
В этом и смысл, что ПОС заменена на ООС.

а какой в этом смысл?
у ТЛ431 и так ВАХ пологая , а вы ее еще больше наклоняете.
Тут наоборот , нужно вводить ПОС , что бы вывести ее в триггерный режим, добиться четкого срабатывания и гистерезиса,тот что Дрим предлагал , в классике схема вот так выглядит

Додаткові файли:
2018-01-16 22 51 08.jpg
2018-01-16 22 51 08.jpg [ 13.92 КБ | Переглядів: 8351 ]

_________________
Э-вел,3 кВт Quanshun,Келли 200А,ли-ион,3.2кВтЧ,(LG 48АЧ, 21S) , max 75 км\ч, > 60 000 км


Повернутися до початку
 Профіль  
Відповісти цитуючи  
#50086Повідомлення 16 січ 2018, 22:59 
Site Admin
Аватара користувача
Не в мережі

Звідки: город Киев
Дякував (ла) 420 Подякували 1155
Мій електротранспорт: Nissan Leaf
Логика мне понятна, схему эту знаю. К сожалению, триггерный режим из балансира делает дисбалансир.

_________________
Чем скуднее знания, тем категоричней суждения.

"Глупцы все, кто глупцами кажутся и половина тех, что не кажется". (Бальтасар Грасиан)


Повернутися до початку
 Профіль  
Відповісти цитуючи  
#50088Повідомлення 16 січ 2018, 23:08 
Власник електровелосипеда
Не в мережі

Звідки: Киев
Дякував (ла) 243 Подякували 617
Мій електротранспорт: Ё
может итак , но это при токах как у Михалыча , 3-5А.
А если там 50-100ма ?

_________________
Э-вел,3 кВт Quanshun,Келли 200А,ли-ион,3.2кВтЧ,(LG 48АЧ, 21S) , max 75 км\ч, > 60 000 км


Повернутися до початку
 Профіль  
Відповісти цитуючи  
#50090Повідомлення 16 січ 2018, 23:11 
Site Admin
Аватара користувача
Не в мережі

Звідки: город Киев
Дякував (ла) 420 Подякували 1155
Мій електротранспорт: Nissan Leaf
Про 3А речь не идет. Я считаю, что 50мА+/- вполне достаточно. Кому мало - тот с транзистором применит. Токи считать легко - при 3,4В около 0 мА, при 3,45 - 50 мА, при 3,5В уже 100 мА, а при 3,6 - 200. Это больше, чем достаточно.

_________________
Чем скуднее знания, тем категоричней суждения.

"Глупцы все, кто глупцами кажутся и половина тех, что не кажется". (Бальтасар Грасиан)


Повернутися до початку
 Профіль  
Відповісти цитуючи  
#50093Повідомлення 16 січ 2018, 23:29 
Власник електровелосипеда
Аватара користувача
Не в мережі

Звідки: Ternopil
Дякував (ла) 83 Подякували 620
Сначала я делал в своей бмс гистерезис примерно 19мВ. Потом совершенствуя прошивку у меня закончилось место на тиньке, и гистерезис я убрал. И как показала практика, если гистерезис не больше падения напряжения на проводах, то разницы никакой в конечном результате. А отличия во времени выравнивания несущественные. Слишком большой гистерезис действительно приводит к разбалансу. На лифере это не пометно, так как от 3.6 до 3.55 скажем разница в запасе доли процента, а вот на кобальте от 4.20 до 4.15 очень много теряем. А китайские бмс имеют огромный гистерезис, почему то. И если сегодня балансир травит одну выскочку, то завтра уже другую, так как за ночь просядет прилично даже при токе 50мА. И так вечно) от этого общая ёмкость батареи не увеличится. А балансир как раз и нужен для максимальной энергоотдачи всей батареи вследствие равномерного заряда всех элементов.
Раньше я делал позитиву балансир на 24 канала на тл431, то без каких либо обратных связей. Паралельно балансирному резистору был красный светодиод, то было заметно, как при 3.45 уже слегка начинал светиться и в полный накал уходил аж где то при 3.57. Но для тл431 нужно задать правильный рабочий режим, как по току нагрузки так и по току управления. Вход у ней относительно низкоомный, что подразумевает достаточно низкоомный делитель по входу с током не менее 1мА вроде.

_________________
моя Smart BMS


Повернутися до початку
 Профіль  
Відповісти цитуючи  
#50094Повідомлення 16 січ 2018, 23:40 
Site Admin
Аватара користувача
Не в мережі

Звідки: город Киев
Дякував (ла) 420 Подякували 1155
Мій електротранспорт: Nissan Leaf
Про входное сопротивление все верно, но это еще зависит от производителя. У Тexas instruments, например, в примерах нарисовано 24k для R2, у ST 10k считается нормой.

А низкоомный вход нам ни к чему.

_________________
Чем скуднее знания, тем категоричней суждения.

"Глупцы все, кто глупцами кажутся и половина тех, что не кажется". (Бальтасар Грасиан)


Повернутися до початку
 Профіль  
Відповісти цитуючи  
#50102Повідомлення 17 січ 2018, 10:02 
Site Admin
Аватара користувача
Не в мережі

Звідки: город Киев
Дякував (ла) 420 Подякували 1155
Мій електротранспорт: Nissan Leaf
Следующий вариант - с индикацией. Светиться начинает при токе балансировки 50 мА и напряжении 3,55В (примерно), с увеличением яркости пропорционально увеличению напряжения.

На всякий случай напоминаю, что при срабатывании первого же светодиода нужно уменьшать ток зарядки, и так вплоть до зажигания всех светодиодов. Кстати, обычно в зарядке и так ток падает в конце заряда, и если батарея ровная, то даже регулировать не придется, но надеяться, что так будет всегда не надо, лучше смастырить управление током.


Додаткові файли:
LiFePo4 _balans5.jpg
LiFePo4 _balans5.jpg [ 34.4 КБ | Переглядів: 8314 ]

_________________
Чем скуднее знания, тем категоричней суждения.

"Глупцы все, кто глупцами кажутся и половина тех, что не кажется". (Бальтасар Грасиан)
Повернутися до початку
 Профіль  
Відповісти цитуючи  
#50106Повідомлення 17 січ 2018, 10:31 
Власник електровелосипеда, член клубу
Аватара користувача
Не в мережі

Звідки: Запорожье
Дякував (ла) 297 Подякували 1094
Мій електротранспорт: >
Чем мне никогда не нравились балансиры на древней TL431, так это тем что у неё низкоомный вход, в итоге нужен прожорливый делитель, и сама она прожорливая, так что если приехать домой на пустой батарее и не поставить её на заряд, то через некоторое время этот балансир может ушатать самый разряженный элемент. Как по мне БМС должна должна оберегать батарею от человеческого фактора, а не вводить дополнительные риски.
Поэтому в своем активном (ссыку давал выше) балансире я использовал в качестве верхнего плеча делителя сопротивление подтяжки микроконтроллера, и подключаю его только в момент замера (очень кратковременная процедура), и замер напряжения произвожу предварительно выключив балансировку и выдержав короткую паузу (чтобы просадка на балансирных проводах не влияла). А что бы микроконтроллер не высасывал с разряженной батареи остатки жизни, он при низком напряжении увеличивает время между опросами до нескольких секунд, при этом в промежутках между замерами впадает в полную отключку оставляя работать лишь микропотребляющий ватчдог.

А что касаемо балансира с плавным включением и низким током, то там вообще огород с TLками городить не надо, с такой задачей элементарно справляется цепочка из резистора и стабилитрона. Кстати такие балансирные цепочки некоторые производители батарей ставят прямо в щели между банками 18650, равномерно распределяя их по всей батарее (заодно прогрев батареи в конце заряда, что зимой перед выездом вполне не помешает).

_________________
2 моноколеса, 2 электровела, 2 подводных буксира, надувной электро-каяк.


Повернутися до початку
 Профіль  
Відповісти цитуючи  
#50115Повідомлення 17 січ 2018, 11:28 
Творець електромобіля, засновник клубу
Аватара користувача
Не в мережі

Звідки: Украина. Киев. †.
Дякував (ла) 872 Подякували 1389
Мій електротранспорт: "Электра 2"
Хочу електротранспорт: "Электра 3" вдвое легче, но с втрое бОльшим солнцеобеспечением
Уважаемые Коллеги! ...Я , в поисках истины, измерял сравнивал ,и анализировал , в меру своих теоретических( скромных) знаний; И пришёл к выводу, что, действительно внутреннее сопротивление ячейки и падение напряжения на ней, не единственная причина разбаланса ячеек.....

....но, однако, и до сих пор не понимаю, как , током балансировки 50 милиампер, можно исправить дизбаланс в 10 - 20 АЧ...автомобильной
100- 200 АЧасовой батареи , и буду очень благодарен тому, кто мне ЭТО
объяснит. ......................
Согласен, светлое наше будущее за активным выравниванием , не только во время заряда , но и в покое и в разряде, но , когда ОНО станет реальностью, и не слишком ли повысит стоимость системы ?
.....Заманчива и идея отдельных минизарядок, по числу ячеек. Но , преемлемое для вело батареи, -сомнительно, для мощной - электромобильной ; тем более , при тенденции ускорения - увеличении мощности зарядки. Пока проблема остаётся и не только с " лифером",
что демонстрируется обилием БУшных -не старых батарей и Лифовских и Тесловских , на вторичном рынке..


Повернутися до початку
 Профіль  
Відповісти цитуючи  
#50118Повідомлення 17 січ 2018, 12:04 
Site Admin
Аватара користувача
Не в мережі

Звідки: город Киев
Дякував (ла) 420 Подякували 1155
Мій електротранспорт: Nissan Leaf
Веру в сильноточные «балансиры» я потерял давно, но окончательно меня добила батарея Лифа 12-го года, с остатком емкости 63% - идеально ровная! Даже на более новых такого не видел.

Михалыч, весь секрет в предварительной балансировке перед эксплуатацией. Если батарея правильно отбалансирована, то в дальнейшем нужно только слегка поправлять, и 50 мА для этого вполне достаточно. Другое дело, если в ячейке появилась утечка. Можно, конечно большим током подгонять под нее здоровые ячейки, но зачем? Лучше заменить как можно быстрее, а до этого временно можно организовать ей подзаряд от всей батареи.

Активное выравнивание имеет право на жизнь, и даже присутствует в современных чипах для БМС. Но в том понимании, что излагаете вы – это только инструмент для поддержания жизни заведомо бракованной батареи. Я такое не приветствую, но считаю, в багажнике электромобиля с лиферной батареей должен лежать источник CC/CV на 3,5В 5-10А.

_________________
Чем скуднее знания, тем категоричней суждения.

"Глупцы все, кто глупцами кажутся и половина тех, что не кажется". (Бальтасар Грасиан)


Повернутися до початку
 Профіль  
Відповісти цитуючи  
Показати повідомлення за:  Поле сортування  
Почати нову тему Відповісти на тему  [ Повідомлень: 140 ]              На сторінку Пред.  1 ... 3, 4, 5, 6, 7, 8, 9, 10  Наступ.

Часовий пояс: UTC + 2 години


Хто зараз на конференції

Зараз цей форум переглядають: немає зареєстрованих користувачів і гості: 15


Ви не можете створювати нові теми
Ви не можете відповідати на повідомлення
Ви не можете редагувати свої повідомлення
Ви не можете видаляти свої повідомлення
Ви не можете додавати додаткові файли

Найти:
Створено на основі phpBB® Forum Software © phpBB Group