Поточний час: 18 груд 2025, 21:12

Часовий пояс: UTC + 2 години


Правила форума


Обговорення лише самостійно зібраних/переобладнаних електромобілів на ходу


Почати нову тему Відповісти на тему  [ Повідомлень: 522 ]  На сторінку Пред.  1, 2, 3, 4, 5, 6 ... 35  Наступ.
Автор Повідомлення
 Заголовок повідомлення: Re: Таврия Пикап
#50541Повідомлення 24 січ 2018, 12:27 
Творець електромобіля, член клубу
Не в мережі

Звідки: Дніпро
Дякував (ла) 188 Подякували 661
Хочу електротранспорт: Tesla Model3
yuri писав(ла):
Как соосность делать будете?
Чертеж плиты выполнен на основе заводских чертежей кпп и картера сцепления, предоставленных зам. ген. конструктора АвтоЗАЗ. Так что соосность, при изготовлении на ЧПУ, получится автоматически. Фанерный шаблон нужен для корректировки формы внешнего контура.

_________________
Electric Drive Solutions Laboratory (EDSLab)

ЗАЗ 1103 "Slavuta AC Electric"
ГАЗ 24 "Волга електро"
А091 "Богдан електро"
ХТЗ Е25 "Едісон"
VW T5 "Combi drive"
"Synchronous"
Volvo 740 GL EDSLab
КМЗ "Дніпро електро Bonneville"
Dong Feng EDSLab
ЗАЗ 11055 "Tavria electro smart pickup"
ЗАЗ 1102 "Tavria electro smart coupe"

https://driver.top/user/68227/


Повернутися до початку
 Профіль  
Відповісти цитуючи  
 Заголовок повідомлення: Re: Таврия Пикап
#50543Повідомлення 24 січ 2018, 12:56 
Творець електромобіля, член клубу
Аватара користувача
Не в мережі

Звідки: Кременчуг
Дякував (ла) 733 Подякували 322
Мій електротранспорт: е-Таврия
Везет вам! Если бы у меня был этот чертеж я б уже год на Таврии катался.

_________________
автопробег на электричестве 50000 км


Повернутися до початку
 Профіль  
Відповісти цитуючи  
 Заголовок повідомлення: Re: Таврия Пикап
#50544Повідомлення 24 січ 2018, 13:06 
Творець електромобіля, член клубу
Не в мережі

Звідки: Дніпро
Дякував (ла) 188 Подякували 661
Хочу електротранспорт: Tesla Model3
Окончательный рабочий чертеж будет выложен в свободный доступ

_________________
Electric Drive Solutions Laboratory (EDSLab)

ЗАЗ 1103 "Slavuta AC Electric"
ГАЗ 24 "Волга електро"
А091 "Богдан електро"
ХТЗ Е25 "Едісон"
VW T5 "Combi drive"
"Synchronous"
Volvo 740 GL EDSLab
КМЗ "Дніпро електро Bonneville"
Dong Feng EDSLab
ЗАЗ 11055 "Tavria electro smart pickup"
ЗАЗ 1102 "Tavria electro smart coupe"

https://driver.top/user/68227/


Повернутися до початку
 Профіль  
Відповісти цитуючи  
 Заголовок повідомлення: Re: Таврия Пикап
#50547Повідомлення 24 січ 2018, 14:00 
Творець електромобіля, керівник відділення клубу
Не в мережі

Звідки: Днепроптеровск
Дякував (ла) 578 Подякували 453
Мій електротранспорт: Fiat Panda пробег 60000км
Молодцы земляки и правильно что алюминьку (рекомендую Д16) берете.
Ибо наблюдаю как люди сталь ставят и сердце кровью обливается.
Вроде не намного и тяжелее ... а с другой стороны зачеммм???

С батарейкой и чем ее контролировать определились?


Повернутися до початку
 Профіль  
Відповісти цитуючи  
 Заголовок повідомлення: Re: Таврия Пикап
#50550Повідомлення 24 січ 2018, 14:31 
Творець електромобіля, член клубу
Не в мережі

Звідки: Дніпро
Дякував (ла) 188 Подякували 661
Хочу електротранспорт: Tesla Model3
32 лифовские консервы 2p16s. Для контроля БМС и PowerWatcher от Юры Логвина.

_________________
Electric Drive Solutions Laboratory (EDSLab)

ЗАЗ 1103 "Slavuta AC Electric"
ГАЗ 24 "Волга електро"
А091 "Богдан електро"
ХТЗ Е25 "Едісон"
VW T5 "Combi drive"
"Synchronous"
Volvo 740 GL EDSLab
КМЗ "Дніпро електро Bonneville"
Dong Feng EDSLab
ЗАЗ 11055 "Tavria electro smart pickup"
ЗАЗ 1102 "Tavria electro smart coupe"

https://driver.top/user/68227/


Повернутися до початку
 Профіль  
Відповісти цитуючи  
 Заголовок повідомлення: Re: Таврия Пикап
#50551Повідомлення 24 січ 2018, 14:47 
Творець електромобіля, член клубу
Аватара користувача
Не в мережі

Звідки: Кременчуг
Дякував (ла) 733 Подякували 322
Мій електротранспорт: е-Таврия
Алексей В писав(ла):
32 лифовские консервы 2p16s. Для контроля БМС и PowerWatcher от Юры Логвина.
А на 100км хватит? И какая максималка планируется?

_________________
автопробег на электричестве 50000 км


Повернутися до початку
 Профіль  
Відповісти цитуючи  
 Заголовок повідомлення: Re: Таврия Пикап
#50552Повідомлення 24 січ 2018, 15:21 
Творець електромобіля, член клубу
Не в мережі

Звідки: Дніпро
Дякував (ла) 188 Подякували 661
Хочу електротранспорт: Tesla Model3
По расчетам должно хватить на 100, а может и больше. Максималка около 70 км/ч

_________________
Electric Drive Solutions Laboratory (EDSLab)

ЗАЗ 1103 "Slavuta AC Electric"
ГАЗ 24 "Волга електро"
А091 "Богдан електро"
ХТЗ Е25 "Едісон"
VW T5 "Combi drive"
"Synchronous"
Volvo 740 GL EDSLab
КМЗ "Дніпро електро Bonneville"
Dong Feng EDSLab
ЗАЗ 11055 "Tavria electro smart pickup"
ЗАЗ 1102 "Tavria electro smart coupe"

https://driver.top/user/68227/


Повернутися до початку
 Профіль  
Відповісти цитуючи  
 Заголовок повідомлення: Re: Таврия Пикап
#50586Повідомлення 25 січ 2018, 00:00 
Творець електромобіля, керівник відділення клубу
Аватара користувача
Не в мережі

Звідки: Кременчуг
Дякував (ла) 206 Подякували 171
Мій електротранспорт: пока нету
Хочу електротранспорт: оч хочу свой ...
Смотрю я на эту плиту и думаю , что кроме чпу до соосности ещё и ручки хорошо приложить надо ... ДС на союзной территории делался , отверстия креплений на 0.5 мм гулять могут ...


Повернутися до початку
 Профіль  
Відповісти цитуючи  
 Заголовок повідомлення: Re: Таврия Пикап
#50596Повідомлення 25 січ 2018, 09:36 
Не в мережі

Звідки: Днепр
Дякував (ла) 1187 Подякували 1175
sean писав(ла):
кроме чпу до соосности ещё и ручки хорошо приложить надо

...та чё,может у них переходная (для центровки) "шайба" будет,шо-б привязать перчик на передней крышке ДС-а и большое отверстие на плите?! Не думаю,что ребята настолько ...э-э...неосведомлены :D ,чтобы привязываться к крепежным отверстиям мотора...


Повернутися до початку
 Профіль  
Відповісти цитуючи  
 Заголовок повідомлення: Re: Таврия Пикап
#50598Повідомлення 25 січ 2018, 10:09 
Творець електромобіля, член клубу
Аватара користувача
Не в мережі

Звідки: Кременчуг
Дякував (ла) 733 Подякували 322
Мій електротранспорт: е-Таврия
Инженер писав(ла):
sean писав(ла):
кроме чпу до соосности ещё и ручки хорошо приложить надо

...та чё,может у них переходная (для центровки) "шайба" будет,шо-б привязать перчик на передней крышке ДС-а и большое отверстие на плите?! Не думаю,что ребята настолько ...э-э...неосведомлены :D ,чтобы привязываться к крепежным отверстиям мотора...
Это ж какого размера шайба нужна, когда можно было диаметр центрального отверстия меньше сделать?

_________________
автопробег на электричестве 50000 км


Повернутися до початку
 Профіль  
Відповісти цитуючи  
 Заголовок повідомлення: Re: Таврия Пикап
#50601Повідомлення 25 січ 2018, 10:51 
Не в мережі

Звідки: Днепр
Дякував (ла) 1187 Подякували 1175
yuri писав(ла):
когда можно было диаметр центрального отверстия меньше сделать?

...тогда вся плита толще была-бы - отливка передней крышки мотора коническая-же. Вообще мы можем пока только гадать,как будет происходить стыковка - а это дело неблагодарное...подождём,посмотрим ;) ...


Повернутися до початку
 Профіль  
Відповісти цитуючи  
 Заголовок повідомлення: Re: Таврия Пикап
#50607Повідомлення 25 січ 2018, 12:40 
Творець електромобіля, член клубу
Не в мережі

Звідки: Дніпро
Дякував (ла) 188 Подякували 661
Хочу електротранспорт: Tesla Model3
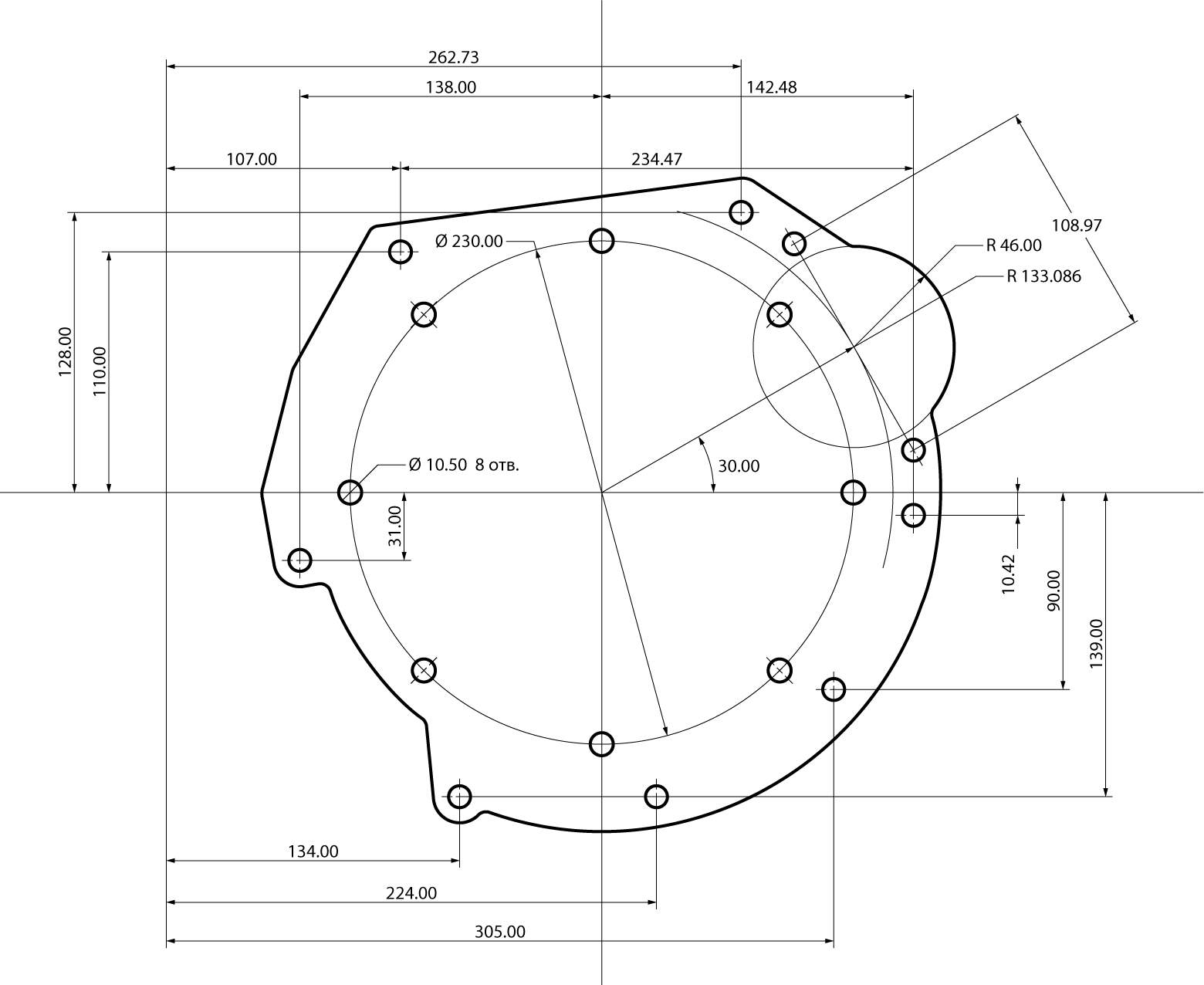
Если внимательно посмотреть на фото мотора (выше в теме) то можно увидеть что он переделан предыдущим владельцем. Крышка мотора теперь не коническая, а вал переточен на диаметр 32 мм под шпонку. Так что классические способы центровки ДСов нам не совсем подходят. Будем сочинять свой


Додаткові файли:
Tavria carter clutch3-01.png
Tavria carter clutch3-01.png [ 115.02 КБ | Переглядів: 9612 ]

_________________
Electric Drive Solutions Laboratory (EDSLab)

ЗАЗ 1103 "Slavuta AC Electric"
ГАЗ 24 "Волга електро"
А091 "Богдан електро"
ХТЗ Е25 "Едісон"
VW T5 "Combi drive"
"Synchronous"
Volvo 740 GL EDSLab
КМЗ "Дніпро електро Bonneville"
Dong Feng EDSLab
ЗАЗ 11055 "Tavria electro smart pickup"
ЗАЗ 1102 "Tavria electro smart coupe"

https://driver.top/user/68227/
Повернутися до початку
 Профіль  
Відповісти цитуючи  
 Заголовок повідомлення: Re: Таврия Пикап
#50626Повідомлення 25 січ 2018, 18:15 
Голова клубу
Аватара користувача
Не в мережі

Звідки: Україна, Донецьк => Ірпінь
Дякував (ла) 6969 Подякували 2591
Мій електротранспорт: Tesla S
Хочу електротранспорт: е-панцирник
Перенёс тему пока в "Текущие разработки". Рано этой Таврии в Самодельных электромобилях быть.


Повернутися до початку
 Профіль  
Відповісти цитуючи  
 Заголовок повідомлення: Re: Таврия Пикап
#50638Повідомлення 25 січ 2018, 20:36 
Творець електромобіля, член клубу
Аватара користувача
Не в мережі

Звідки: Запорожье
Дякував (ла) 415 Подякували 1019
Мій електротранспорт: ROVER 75
Хочу електротранспорт: электробус
ну так а в чем проблема?
делаете отверстие в плите такое как выступ на моторе...ну чтобы нормально сел в плиту,и не ерзался....
прикрутите мотор к плите,только проверьте чтобы на примыкающих плоскостях мотора не было выступов,а то на фотке что-то блестит...все....,плиту на коробку струбцинами прижали,выставили,по месту сверлонули пару отверстий притянули на пару болтов...проверили соосность...подтянули болты...
потом сверлите пару отверстий где будут штифты...разворачиваете по одному,с промежуточной проверкой на соосность,досверливаете остальные....
если нужно отнести мотор от плиты,то я бы выточил проставку,которая бы центровалась на моторе и в плите...
зачем нужна предварительная резка из фанеры со здоровенным отверстием под другой мотор?
делов на три часа......

_________________
подтягивайтесь на страничку
https://www.facebook.com/Create-your-el ... 8811748137
постараюсь чтобы было интересно!


Повернутися до початку
 Профіль  
Відповісти цитуючи  
 Заголовок повідомлення: Re: Таврия Пикап
#50642Повідомлення 25 січ 2018, 21:01 
Не в мережі

Звідки: Днепр
Дякував (ла) 1187 Подякували 1175
Лев писав(ла):
делов на три часа.....

...так а зачем подгонять, если есть точный чертеж плиты с привязкой к геометрическим размерам тавро-кпп (кстати эти размеры гуляют в сети не один год) и новой крышке мотора?! Качественный исполнитель изделия - и фсё. :D И кстати неплохое решение по новой передней крышке - миллиметров 40-50 думаю удалось "оптимизировать" по длине...


Повернутися до початку
 Профіль  
Відповісти цитуючи  
Показати повідомлення за:  Поле сортування  
Почати нову тему Відповісти на тему  [ Повідомлень: 522 ]              На сторінку Пред.  1, 2, 3, 4, 5, 6 ... 35  Наступ.

Часовий пояс: UTC + 2 години


Хто зараз на конференції

Зараз цей форум переглядають: немає зареєстрованих користувачів і гості: 146


Ви не можете створювати нові теми
Ви не можете відповідати на повідомлення
Ви не можете редагувати свої повідомлення
Ви не можете видаляти свої повідомлення
Ви не можете додавати додаткові файли

Найти:
Створено на основі phpBB® Forum Software © phpBB Group