Поточний час: 28 жовт 2025, 16:09

Часовий пояс: UTC + 2 години



Почати нову тему Відповісти на тему  [ Повідомлень: 43 ]  На сторінку 1, 2, 3  Наступ.
Автор Повідомлення
 Заголовок повідомлення: Балансир с Али на HY2213 тест\обзорчик
#48730Повідомлення 29 груд 2017, 00:03 
Власник електровелосипеда
Не в мережі

Звідки: Киев
Дякував (ла) 243 Подякували 617
Мій електротранспорт: Ё
в связи с переходом с лифера на ли-ион понадобился новый балансир , но самому его паять уже надоело , купил один на пробу, готовый

https://ru.aliexpress.com/item/4S-4-2v- ... 265.9RfMw9

сижу копаю.

Спаян аккуратно , плата чистая.
Подключил к БП , проверил каждый канал отдельно, ток балансировки оеоло 65 мА, один канал включается при 4.25В , остальные три - при 4.2В.

Параллельно нагрузочному резистору подпаял светодиод , для наглядности работы балансира.
Включение резкое , скорее всего чип работает в триггерном режиме , гистерезис очень маленький , меньше 10мВ, измерить точнее не могу , тестер на пределе 20В не позволяет.
Чип HY2213, полевик A2SHB 2А , 100мОм,
Мне конечно ток 60мА , ничто , я переделаю его на 1-2А , мощные ключи есть, поменять полевик не проблема.
Главное для меня , что бы балансир работал в триггерном режиме ,что бы ключи не грелись, и с малым гистерезисом,что бы зазря ячейку не садили.
Напрягает только то , что один канал имеет аж 4.25В , вместо 4.2.
И по видимому уменьшить напругу включения не удастся.
Выход - покупать много таких платок и подбирать .
Если у кого есть вопросы - задавайте

Додаткові файли:
2017-12-29 00 01 57.jpg
2017-12-29 00 01 57.jpg [ 27.42 КБ | Переглядів: 14694 ]

_________________
Э-вел,3 кВт Quanshun,Келли 200А,ли-ион,3.2кВтЧ,(LG 48АЧ, 21S) , max 75 км\ч, > 60 000 км


Повернутися до початку
 Профіль  
Відповісти цитуючи  
 Заголовок повідомлення: Re: Балансир с Али на HY2213 тест\обзорчик
#48734Повідомлення 29 груд 2017, 07:45 
Творець електромобіля, член клубу
Аватара користувача
Не в мережі

Звідки: Харьков
Дякував (ла) 140 Подякували 133
Мій електротранспорт: Безлошадный
Хочу електротранспорт: Наш отечественный электромобиль!!!
А чем балансиры от Романтика не подходят?
Вроде товар проверенный и успешно используется на просторах СНГ.

P.S. Таки дополню))
http://electrotransport.ru/ussr/index.php?topic=27789.0

_________________
http://controllers.emkit.net


Повернутися до початку
 Профіль  
Відповісти цитуючи  
 Заголовок повідомлення: Re: Балансир с Али на HY2213 тест\обзорчик
#48738Повідомлення 29 груд 2017, 10:02 
Власник електровелосипеда
Не в мережі

Звідки: Киев
Дякував (ла) 243 Подякували 617
Мій електротранспорт: Ё
я ж не против балансира Романтика.
Но если в доступности появилось что то новенькое - почему бы не попробовать.
У него размер платы 40 на 20 мм , цена 2 дол. на 1 канал
У этой платки размер 20 на 25 , цена 1 долл , но это 4 канала.
Размер конечно же не имеет значения , но все же , да и в цене разница заметна.

_________________
Э-вел,3 кВт Quanshun,Келли 200А,ли-ион,3.2кВтЧ,(LG 48АЧ, 21S) , max 75 км\ч, > 60 000 км


Повернутися до початку
 Профіль  
Відповісти цитуючи  
 Заголовок повідомлення: Re: Балансир с Али на HY2213 тест\обзорчик
#48739Повідомлення 29 груд 2017, 10:30 
Власник електромобіля
Не в мережі

Звідки: Марьинка
Дякував (ла) 405 Подякували 345
Хочу електротранспорт: Kia soul ev, но ищу лифа или зою
я паял по всем известной схеме на tl431 и полевике. в нагрузке стояло 10 ом 1 вт и при токе в 1.2 ампера прилично грелось.а транзистор был холодный. мне кажется вам надо пробовать сопротивление поменять.а предел попробовать подобрать сопротивлением в цепи микросхемы. я свой балансир раза три использовал, сейчас валяется.


Повернутися до початку
 Профіль  
Відповісти цитуючи  
 Заголовок повідомлення: Re: Балансир с Али на HY2213 тест\обзорчик
#48740Повідомлення 29 груд 2017, 11:36 
Творець електромобіля, член клубу
Аватара користувача
Не в мережі

Звідки: Кременчуг
Дякував (ла) 728 Подякували 319
Мій електротранспорт: е-Таврия
С китайцами по цене трудно конкурировать отечественному производителю :(, зато у нас качество выше :D

_________________
автопробег на электричестве 49000 км


Повернутися до початку
 Профіль  
Відповісти цитуючи  
 Заголовок повідомлення: Re: Балансир с Али на HY2213 тест\обзорчик
#48743Повідомлення 29 груд 2017, 14:20 
Власник електровелосипеда
Аватара користувача
Не в мережі

Звідки: Ternopil
Дякував (ла) 83 Подякували 609
В китайцев сильно большой разброс параметров. Даже сами пишут что +-25мВ точность балансировки. Это от 4.15 до 4.25. Очень паскудно. Нужно дорабатывать напильником.

_________________
моя Smart BMS


Повернутися до початку
 Профіль  
Відповісти цитуючи  
 Заголовок повідомлення: Re: Балансир с Али на HY2213 тест\обзорчик
#48748Повідомлення 29 груд 2017, 17:15 
Власник електровелосипеда
Не в мережі

Звідки: Київ Україна
Дякував (ла) 442 Подякували 623
Мій електротранспорт: Електровелосипед Заря Силач
Хочу електротранспорт: BYD
Давно присматриваюсь к этим балансирам, 165грн 5 штук. Мучает вопрос напряжения балансировки. 4,2-4,25В совсем не устраивает, хочу меньше. Тоже не знаю есть ли возможность уменьшить напряжения включения. Если аккумулятор заряжать до 4,15В, то до балансировки дело не дойдет. Если у Вас получиться напишите, интересный вопрос.
Даташит https://datasheet.lcsc.com/szlcsc/HY221 ... 113632.pdf


Повернутися до початку
 Профіль  
Відповісти цитуючи  
 Заголовок повідомлення: Re: Балансир с Али на HY2213 тест\обзорчик
#48755Повідомлення 29 груд 2017, 23:48 
Власник електровелосипеда
Аватара користувача
Не в мережі

Звідки: Ternopil
Дякував (ла) 83 Подякували 609
HY2213-CB3A 4.180±0.025V
Но все равно это не балансировка, а разбалансировка) так как бывает, что за пару лет эксплуатации качественные элементы будут иметь меньший разбег от саморазряда неравномерного) а "балансир" может иметь порог срабатывания от экземпляра к экземпляту от 4,155 до 4,205, а это уже приличный процент ампер*часов. Хотя, их ставят в китайские БМС и катают годами, не подозревая, что их батарейка может на 10% больше ))))

_________________
моя Smart BMS


Повернутися до початку
 Профіль  
Відповісти цитуючи  
 Заголовок повідомлення: Re: Балансир с Али на HY2213 тест\обзорчик
#50673Повідомлення 26 січ 2018, 11:17 
Власник електровелосипеда
Не в мережі

Звідки: Киев
Дякував (ла) 243 Подякували 617
Мій електротранспорт: Ё
Leon29 писав(ла):
не знаю есть ли возможность уменьшить напряжения включения. Если аккумулятор заряжать до 4,15В, то до балансировки дело не дойдет. Если у Вас получиться напишите, интересный вопрос.


Недавно пришел заказ 10 шт. таких платок .
Появился стимул их помучить.
Никакие внешние воздействия пороги не меняют.
Да и по большому счету в этом нет надобности.

Проверку делал на тестере ZKETECH , очень удобно.

Додаткові файли:
2018-01-26 10 51 18.jpg
2018-01-26 10 51 18.jpg [ 194.32 КБ | Переглядів: 14445 ]


Из всех платок , только у одной напруга включения балансира была 4.21.
В остальных в среднем 4.17 -4.18В.
Гистерезис 2-3 мВ. Его вообще очень тяжело уловить.
Все видно на графике.

Что интересно , платка из моего первого поста была красная , а эти синие,
Хотя это наверное не имеет значения.

_________________
Э-вел,3 кВт Quanshun,Келли 200А,ли-ион,3.2кВтЧ,(LG 48АЧ, 21S) , max 75 км\ч, > 60 000 км


Повернутися до початку
 Профіль  
Відповісти цитуючи  
 Заголовок повідомлення: Re: Балансир с Али на HY2213 тест\обзорчик
#50694Повідомлення 26 січ 2018, 18:37 
Власник електровелосипеда
Не в мережі

Звідки: Київ Україна
Дякував (ла) 442 Подякували 623
Мій електротранспорт: Електровелосипед Заря Силач
Хочу електротранспорт: BYD
Выходит платами можно пользоваться, но напряжение заряда должно быть не более 4,2в на элемент и маленький ток заряда насыщения аккумулятора, чтоб плата успевала стравливать выскочок. Но обязательным условием является проверка плат на напряжение включения балансира. Кто помнит, когда то транзисторы тоже проверяли на работу в паре. Еще хорошо бы впаять индикаторные светодиоды для наглядности. Если там полевик на 2А, то можно резистор заменить или добавить резистор в параллель для большего тока балансировки.


Повернутися до початку
 Профіль  
Відповісти цитуючи  
 Заголовок повідомлення: Re: Балансир с Али на HY2213 тест\обзорчик
#50700Повідомлення 26 січ 2018, 20:06 
Власник електровелосипеда
Не в мережі

Звідки: Киев
Дякував (ла) 243 Подякували 617
Мій електротранспорт: Ё
Leon29 писав(ла):
Еще хорошо бы впаять индикаторные светодиоды для наглядности. Если там полевик на 2А, то можно резистор заменить или добавить резистор в параллель для большего тока балансировки.

Светики поставил прежде всего, не люблю вслепую работать.
Штатный полевик не стал мучить, припаял мощные внешние ключи , и резисторы на 4.7 Ом.
Специально немного разбалансировал свой экспериментальный аккум, с мыслью, вот мой мощный балансир за 5 сек все выровнит.
Ага , щас.
Балансир начало жутко штормить и колбасить, цветики вспыхивали даже на самом разряженной ячейке , где напруга была 4.10В.
Все это дело я контролировал селлогами.
По ним то же было видно скАчки напруги.
Думаю вся эта беда из за проводов.
На их сопротивлении идет падение напруги , которое искажает реальность.
Завтра буду разносить силу и сигнал.

_________________
Э-вел,3 кВт Quanshun,Келли 200А,ли-ион,3.2кВтЧ,(LG 48АЧ, 21S) , max 75 км\ч, > 60 000 км


Повернутися до початку
 Профіль  
Відповісти цитуючи  
 Заголовок повідомлення: Re: Балансир с Али на HY2213 тест\обзорчик
#50702Повідомлення 26 січ 2018, 20:49 
Власник електровелосипеда
Не в мережі

Звідки: Киев
Дякував (ла) 243 Подякували 617
Мій електротранспорт: Ё
Leon29 писав(ла):
Выходит платами можно пользоваться, .


А почему же нельзя , нормальные девайсы.
На графике - это проверка одного не разрезанного блока ( 5 платок по 4 канала , тоесть 20 каналов , на всю мою батарею)

_________________
Э-вел,3 кВт Quanshun,Келли 200А,ли-ион,3.2кВтЧ,(LG 48АЧ, 21S) , max 75 км\ч, > 60 000 км


Повернутися до початку
 Профіль  
Відповісти цитуючи  
 Заголовок повідомлення: Re: Балансир с Али на HY2213 тест\обзорчик
#50725Повідомлення 27 січ 2018, 01:25 
Власник електровелосипеда
Не в мережі

Звідки: Київ Україна
Дякував (ла) 442 Подякували 623
Мій електротранспорт: Електровелосипед Заря Силач
Хочу електротранспорт: BYD
Каналы работают по отдельности, или как то связаны между собой? Если ставить четыре платы по 4 канала (16S), то не надо мудрить с какими то перемычками?
Платы можно впаять на постой, не включать только во время заряда. Энергии они не берут, а работают только при достижении 4,17-4,18В при заряде. Выходит как рубанок по доске, срезает только то что торчит выше заданного уровня.


Повернутися до початку
 Профіль  
Відповісти цитуючи  
 Заголовок повідомлення: Re: Балансир с Али на HY2213 тест\обзорчик
#50783Повідомлення 27 січ 2018, 23:25 
Власник електровелосипеда
Не в мережі

Звідки: Київ Україна
Дякував (ла) 442 Подякували 623
Мій електротранспорт: Електровелосипед Заря Силач
Хочу електротранспорт: BYD
Китайцы просто ставят другие резисторы https://ru.aliexpress.com/item/4S-300ma ... 1c84&tpp=1
но что то на 300мА никак не выходит.


Повернутися до початку
 Профіль  
Відповісти цитуючи  
 Заголовок повідомлення: Re: Балансир с Али на HY2213 тест\обзорчик
#50852Повідомлення 28 січ 2018, 16:52 
Власник електровелосипеда
Не в мережі

Звідки: Киев
Дякував (ла) 243 Подякували 617
Мій електротранспорт: Ё
Leon29 писав(ла):
Каналы работают по отдельности, или как то связаны между собой? Если ставить четыре платы по 4 канала (16S), то не надо мудрить с какими то перемычками?
Платы можно впаять на постой, не включать только во время заряда. Энергии они не берут, а работают только при достижении 4,17-4,18В при заряде. Выходит как рубанок по доске, срезает только то что торчит выше заданного уровня.

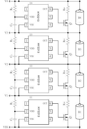
На схеме же все видно, это одна платка , на 4 канала.
download/file.php?id=11934
На 16S нужно 4 таких платки.

_________________
Э-вел,3 кВт Quanshun,Келли 200А,ли-ион,3.2кВтЧ,(LG 48АЧ, 21S) , max 75 км\ч, > 60 000 км


Повернутися до початку
 Профіль  
Відповісти цитуючи  
Показати повідомлення за:  Поле сортування  
Почати нову тему Відповісти на тему  [ Повідомлень: 43 ]              На сторінку 1, 2, 3  Наступ.

Часовий пояс: UTC + 2 години


Хто зараз на конференції

Зараз цей форум переглядають: немає зареєстрованих користувачів і гості: 30


Ви не можете створювати нові теми
Ви не можете відповідати на повідомлення
Ви не можете редагувати свої повідомлення
Ви не можете видаляти свої повідомлення
Ви не можете додавати додаткові файли

Найти:
Створено на основі phpBB® Forum Software © phpBB Group