Устанавливал или нет, а о температурной зависимости от окр. среды и количестве/расстоянии соседних элементов защиты знаю. Да и +30°С на протяжении меньше четверти года

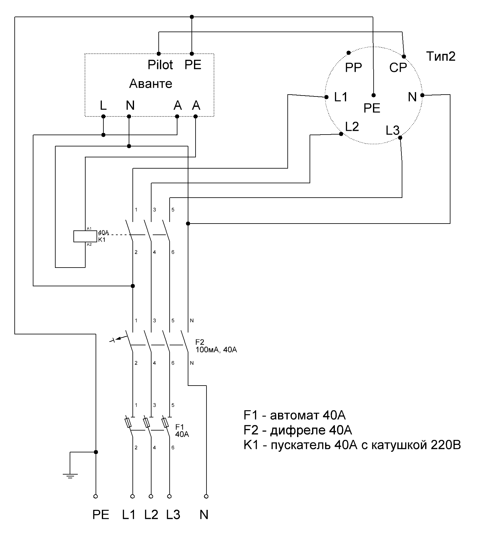
И большее время года автомат не защищает линию от перегрева, т.к. пластина автомата на 40А будет дольше нагреваться чем линия в 6мм2 расчитана на длительные 32А. Вторым моментом является то, что ни один автомат не срабатывает чуть выше своего номинала, есть коэффициенты срабатывания, Вы о них знаете, уверен. И дифреле имеет больше шансов выйти из строя. Теоретически если с автоматом на 40А будет протекать ток в 45-50А - дифреле выйдет из строя до того как сработает автомат. А что значит выйдет из строя? Не будет срабатывать при токе утечки!!! Не зря на них часто есть кнопка для ежемесячной проверки срабатывания. Это при том, что изначально номинал тока утечки подобран завышенно, я писал выше, что нужно 30мА. А по стандарту в станциях для зарядки ЭМ УЗО вообще нужно типа Б, дорогущее капец... Это я к тому, что 100-200мА точно не панацея! Поймите меня правильно, это все не мое мнение или мне просто скучно. Я задал вопросы, т.к. увидел конкретное отличие от стандартов, которые умные дяди в составе комиссий составляли для всех и с ответственностью перед всеми.
Для меня аргумент, что на жаре автомат выдерживает 27-28А длительно и поэтому поставили 40А, такой же как анекдот из жизни у электриков:
На кухне выбивает автомат на 16А, так сосед "электрик" заменил его на 25А...

На моей памяти 2 ЭМ могуть тянуть аж 32А по трем фазам: тесла европейка и рено зое, остальные модели, что с однофазным ЗУ на 32А (например лиф 6,6кВт) если и будет выбивать автомат летом то, нужно узнать просто как снизить макс ток из сети, кстати батарее будет легче в жару

У теслы в шаг с 1А можно выставить, в ЗОЕ не знаю как. Но если однофазные ЗУ на 16 можно заставлять потреблять не больше 5, 8, 10, 13, 16А, то думаю и 32ух амперным ЗУ это под силу (выставить 25-26А макс). Ведь безопасность превыше всего!
П.С: мы тут про +30 говорим, а у меня первой зимой с ЭМ станции с тип2 при -7°С запускались (электроника глючила в момент авторизации) с раза десятого
С уважением,
Александр.