Сегодня подключил ноутбук к контроллеру Евы через недавно купленные 16-ти пиновые раз'емы и адаптер компорт- usb, ничего не вышло, параметры зашитые в контроллер не считываются. Адаптер фирменный Gimberd, когда-то, лет 15 назад, работал, я прошивал спутниковые тюнера. Заказал на ОЛХ еще один, HL-340 рекомендованный Вадимом, получу на следующей неделе, попробую.
Вадим, все ли правильно я сделал?
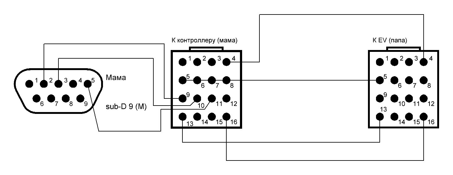
При выключенном главном контакторе и зажигании подключил маму и папу прошивочного кабеля к контроллеру и авто, соединил адаптер RS232-USB с ноутбуком.
Как написано в инструкции, включил контактор, заднюю передачу, нажал на педаль тормоза и повернул ключ зажигания в положение Старт, я так понимаю, это нефиксирумое положение Стартер, подержал 10 секунд, символ двигателя не загорелся зеленым. После этого, запустил программу, выбрал компорт, соответствующий адаптеру, у меня это 4 и пытался вычитать настройки, нажимая кнопку Load в программе, облом... Пробовал так несколько раз, результат тот же, даные не считываются. То ли адаптер не работает, то ли данные от контроллера не отсылаются. Или я что-то делаю не так? Ошибок в распайке раз'ема нет, проверял несколько раз.
Переподключил все в обратном порядке, контроллер работает, машина едет и то, слава богу
