Поточний час: 05 груд 2025, 09:19

Часовий пояс: UTC + 2 години



Почати нову тему Відповісти на тему  [ Повідомлень: 71 ]  На сторінку Пред.  1, 2, 3, 4, 5  Наступ.
Автор Повідомлення
#88102Повідомлення 09 серп 2019, 23:03 
Творець електромобіля, член клубу
Не в мережі

Звідки: Украина
Дякував (ла) 117 Подякували 562
Мій електротранспорт: COOLON
Хочу електротранспорт: COOLON
Не оись. В электрофорде заводской сборки он основной. И в реношках вроде тоже.
Жузжит отчетливо слышно.

_________________
CEO COOLON MOTORS
Head Project "City Truck "COOLON"
https://coolonmotors.com


Повернутися до початку
 Профіль  
Відповісти цитуючи  
#88326Повідомлення 12 серп 2019, 20:47 
Творець електромобіля
Не в мережі

Звідки: Ярославль
Дякував (ла) 0 Подякували 202
Мій електротранспорт: ВАЗ-2108 гибрид
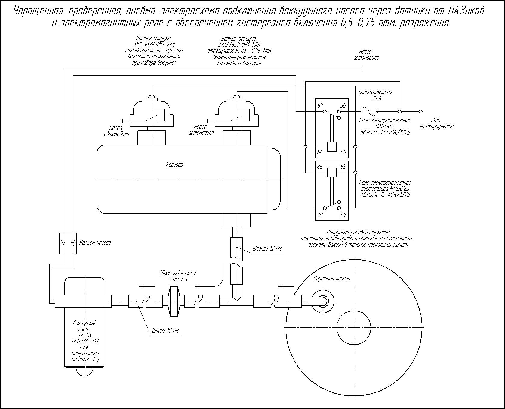
Удалил из схемы работы вакуумного насоса электронные компоненты, т.к. сгорело второе электронное реле. Перешел на релейно-контактную автоматику. Насос как на картинке, только не китайский, а немецкий б/у. Думаю китайский самое то. Насос включается чаще при периодических торможениях, если на педаль не нажимать, то раз в несколько минут. Вакуумник обязательно проверить даже новый в магазине на способность держать вакуум 0,8 атм. в течение нескольких минут до снижения до 0,5 атм. Буквально прийти с насосом и вакуомметром в магазин и там проверить, ну или с собой до машины донести, подключить шланг и вакуум не закрепляя вакуумник на машине. Многие новые вакуумники непонятного производства травят!
Датчик на нижний предел гистерезиса можно не переделывать, будут дольше паузы между включениями, а педаль все равно легкая останется.
Релюхи берите качественные (с большой площадью контактов) на ток в 40 А.
Додаткові файли:
Электросхема применения реле.jpg
Электросхема применения реле.jpg [ 208.44 КБ | Переглядів: 12521 ]


Повернутися до початку
 Профіль  
Відповісти цитуючи  
#88359Повідомлення 13 серп 2019, 08:56 
Не в мережі

Звідки: Днепр
Дякував (ла) 1187 Подякували 1175
Очень нужные подробности! Ещё-бы "натурных" изображений сюда добавить! И описаний компонентов и т.д.
А, Александр?!


Повернутися до початку
 Профіль  
Відповісти цитуючи  
#88395Повідомлення 13 серп 2019, 18:31 
Творець електромобіля
Не в мережі

Звідки: Ярославль
Дякував (ла) 0 Подякували 202
Мій електротранспорт: ВАЗ-2108 гибрид
Инженер писав(ла):
Очень нужные подробности! Ещё-бы "натурных" изображений сюда добавить! И описаний компонентов и т.д.
А, Александр?!

Я публиковал уже в своей теме на другом форуме.
Додаткові файли:
стенд.JPG
стенд.JPG [ 116.43 КБ | Переглядів: 12490 ]

Компоненты подписаны на схеме. Как сделать ресивер (корпус водяного фильтра)или переходники с тройниками зависит от фантазии трубопроводчика... Обратные клапаны взяты от тех же иномарок, на которых насос ставится, там мембрана внутри из резины и много дырочек Можно взять наши клапаны.
Собирал на водопроводный анаэробный герметик. Вакуумник брал в обертке от LADA производства ДААЗ, он держал вакуум, желтый типа "спорт" не держал, безымянный китайский проработал одну неделю...
В остальном хитрого ничего нет.


Повернутися до початку
 Профіль  
Відповісти цитуючи  
#88401Повідомлення 13 серп 2019, 19:02 
Не в мережі

Звідки: Днепр
Дякував (ла) 1187 Подякували 1175
sanfox писав(ла):
Я публиковал уже в своей теме на другом форуме.

...в этой (профильной) теме дублирование информации из «личных» тем позволит быстрее найти и получить ответ на конкретные вопросы. В частности об устройстве электровакуумного усиления. Поэтому «лишним» ваш конкретный опыт здесь точно не будет :D
А вакуумный датчик настраивали «традиционно» - развальцовка/разборка,
подкручивание колесика(шестеренки) до нужных параметров,сборка? Или шо-то ещё?


Повернутися до початку
 Профіль  
Відповісти цитуючи  
#88430Повідомлення 14 серп 2019, 10:32 
Не в мережі

Звідки: Днепр
Дякував (ла) 1187 Подякували 1175
...просматривал вакуумные датчики - много чего интересного есть,и мысли соотв.,но возможно заблуждаюсь :ups: ...
Есть очень компактные датчики вакуума (они-же МАР-сенсоры), так вот в характеристиках пишут,шо при 10-300кРа (цифры примерные) датчик выдает 250мВ-4.5В. Правильно-ли я понимаю,что 10-300кРа соответствует примерно 0,1-3,0 атм. (ну или бара)? Если это так,то хорошо было-бы собрать какой нибудь "контроллерчик" :D для управления насосом,
задав в нём все нужные (подобранные экспериментально) характеристики на включение/выключение,задержку и т.п.
Интересно насколько сложен (ну и дорог ес-но :D ) в реализации такой контроллер?!
...уж больно красиво вписываются такие датчики в общую конструкцию в отличии от "грубых" датчиков на вкл/выкл.
Шо скажете?!


Повернутися до початку
 Профіль  
Відповісти цитуючи  
#88434Повідомлення 14 серп 2019, 11:31 
Творець електромобіля, член клубу
Не в мережі

Звідки: Хмельницький
Дякував (ла) 7 Подякували 150
Я на таком датчике еще в 2011г сделал управление вак насосом для Матиза.
Схема позволяла регулировать порог включения и отключения насоса и контролировать низкий вакуум в системе-лампа на панеле.
В Смарте тоже такая схема.


Повернутися до початку
 Профіль  
Відповісти цитуючи  
#88441Повідомлення 14 серп 2019, 12:14 
Не в мережі

Звідки: Днепр
Дякував (ла) 1187 Подякували 1175
...так опиши,если не лень. А лучше покажи и опиши :D .Многие будут благодарны.
Надо-бы залезть в соседний форум,перечитать твою тему...хотя я там не помню подробностей по этому вопросу...


Повернутися до початку
 Профіль  
Відповісти цитуючи  
#88447Повідомлення 14 серп 2019, 13:53 
Творець електромобіля, член клубу
Не в мережі

Звідки: Хмельницький
Дякував (ла) 7 Подякували 150
Цитата:
...так опиши,если не лень. А лучше покажи и опиши

так опишите,если не лень. А лучше покажите и опишите. :doh: Проявляйте уважение к коллегам-будьте чемними з людьми,яких ні разу не бачили і не розмовляли.
В теме о Матизе и Смарте есть информация и видео про управление насосом.
Так же я писал , что могу сделать платы управления в трех модификациях-вполоть до защиты двигателя насоса от сгорания.


Повернутися до початку
 Профіль  
Відповісти цитуючи  
#88466Повідомлення 14 серп 2019, 18:41 
Творець електромобіля
Не в мережі

Звідки: Ярославль
Дякував (ла) 0 Подякували 202
Мій електротранспорт: ВАЗ-2108 гибрид
Китайцы на алиэкспресс уже продают готовый датчик для запуска их насоса, можно у них взять. Можно сделать схему на базе MAP сенсора. У кого на что мозгов хватает. Я просто на релюхах лучше логику понимаю и ремонтировать их проще. Датчики от пазиков по другому не настроить. Но они настолько кондовые, что на токах управления катушками реле будут очень долго работать.


Повернутися до початку
 Профіль  
Відповісти цитуючи  
#88468Повідомлення 14 серп 2019, 19:21 
Не в мережі

Звідки: Днепр
Дякував (ла) 1187 Подякували 1175
Dima писав(ла):
так опишите,если не лень. А лучше покажите и опишите

...стоп-стоп! Давай...вернее давайте (если настаиваете) сперва разберёмся с вашей ,как я понял, претензией! Я никогда,подчеркиваю - никогда!!! не фамильярничал и не переходил на «ты» с малознакомыми людьми без их на то желания и разрешения! Ваше разрешение я получил после нескольких телефонных разговоров....лет несколько назад! Зачем было его (разрешение) давать, если оно так сейчас вас коробит?!
Ну да то ерунда - мне совершенно не составит труда обращаться на вы, ...
но теперь боюсь желания может не быть...
Dima писав(ла):
я писал , что могу сделать

...покорнейше благодарю, лично я как нибудь обойдусь своими скромными возможностями, а вот форумчанам подобный опыт не помешал-бы...

П.С. Ну почему-бы просто не сказать - «... так мол и так, был опыт использования такого-то и такого, получилось вот так и вот так...»?!?! Неужели сложно (даже если это было где-то когда-то описано) черкнуть несколько строк описания и пару-тройку фот прицепить?!
Бескорыстно,без пафоса, с открытой душой - это-же обернётся сторицей...если не материальной,то моральной! Нет! Надо «туману навести», значимость свою обозначить...всё,дальше ненорматив...


Востаннє редагувалось Инженер 14 серп 2019, 19:32, редаговано 1 раз.

Повернутися до початку
 Профіль  
Відповісти цитуючи  
#88469Повідомлення 14 серп 2019, 19:30 
Не в мережі

Звідки: Днепр
Дякував (ла) 1187 Подякували 1175
sanfox писав(ла):
У кого на что мозгов хватает. Я просто на релюхах лучше логику понимаю

...так ото-ж, и я такой-же :D . Просто если-бы кто-то попродвинутей (из электронщиков) смог-бы, вернее захотел, предложить несложную схемку для повторения, а лучше предложил-бы готовый продукт - я был-бы первым покупателем. Решение ведь хорошее,красивое и современное...
Ну да ладно - нет так нет...по крайней мере в теме уже описано два варианта решений. Думаю со-временем появятся ещё...


Повернутися до початку
 Профіль  
Відповісти цитуючи  
#88472Повідомлення 14 серп 2019, 20:32 
Власник електровелосипеда
Аватара користувача
Не в мережі

Звідки: Херсон, Украина
Дякував (ла) 144 Подякували 141
Мій електротранспорт: Эл.вел 48В/500Вт
Инженер писав(ла):
Есть очень компактные датчики вакуума (они-же МАР-сенсоры), так вот в характеристиках пишут,шо при 10-300кРа (цифры примерные) датчик выдает 250мВ-4.5В. Правильно-ли я понимаю,что 10-300кРа соответствует примерно 0,1-3,0 атм. (ну или бара)? Если это так,то хорошо было-бы собрать какой нибудь "контроллерчик" :D для управления насосом,

Да, есть такие датчики. Один из таких (МРХ4100АР) я пользую на бензинке в качестве вакуумсенсора. Есть подобные "автомобильные" датчики (ДАД, датчик абсолютного давления) для инжекторных авто. Лично сам пользовался датчикоми от инжовой "газели" 45.3829 и от "сенса" (номер не помню :ups: ).
Три указанных датчика функционально и по характеристикам взаимозаменяемые (разница в форме корпуса и цоколёвке). Питание 5В, выходное напряжение 4,5В при атмосферном давлении (100кРа), 0,5В - при разряжении (25кРа). Зависимость выходного напряжения от разряжения - линейная.
Вот схемка несложная "контроллера" для включения/выключения вакуумнасоса. Задаётся порог отключения насоса и гистерезис на включение насоса:


Додаткові файли:
МАР.GIF
МАР.GIF [ 13.56 КБ | Переглядів: 12430 ]
Повернутися до початку
 Профіль  
Відповісти цитуючи  
#88473Повідомлення 14 серп 2019, 21:00 
Не в мережі

Звідки: Днепр
Дякував (ла) 1187 Подякували 1175
igo61 писав(ла):
Вот схемка несложная "контроллера"

...вот это «по нашему»! Огроменная «благодарочка»! Обязательно запомню этот вариант...


Повернутися до початку
 Профіль  
Відповісти цитуючи  
#88569Повідомлення 15 серп 2019, 21:16 
Не в мережі

Звідки: Днепр
Дякував (ла) 1187 Подякували 1175
...просьба к адм. (или к «хозяину» той темы) - у нашего друга Льва :D в его теме про Ровер на 7й или 8й странице есть вложение с описанием работы вакуумного насоса. Очень просто,понятно и наглядно всё описано и показано. Перетащите пожалуйста кто-нибудь в эту тему. Я не умею...к своему стыду :ups:
П.с. ...только сейчас «освежая в памяти» инф. по вак. насосам, наткнулся на этот материал. Как я раньше его не заметил?!


Повернутися до початку
 Профіль  
Відповісти цитуючи  
Показати повідомлення за:  Поле сортування  
Почати нову тему Відповісти на тему  [ Повідомлень: 71 ]              На сторінку Пред.  1, 2, 3, 4, 5  Наступ.

Часовий пояс: UTC + 2 години


Хто зараз на конференції

Зараз цей форум переглядають: немає зареєстрованих користувачів і гості: 3


Ви не можете створювати нові теми
Ви не можете відповідати на повідомлення
Ви не можете редагувати свої повідомлення
Ви не можете видаляти свої повідомлення
Ви не можете додавати додаткові файли

Найти:
Створено на основі phpBB® Forum Software © phpBB Group