Поточний час: 03 лист 2025, 01:47

Часовий пояс: UTC + 2 години



Почати нову тему Відповісти на тему  [ Повідомлень: 19 ]  На сторінку 1, 2  Наступ.
Автор Повідомлення
 Заголовок повідомлення: Гібрид Матіз.А можна Таврію?
#138109Повідомлення 01 лист 2024, 09:59 
Не в мережі

Звідки: Кринички
Дякував (ла) 3 Подякували 0
Мій електротранспорт: хочу
Хочу електротранспорт: ел таврія


Хто шо скаже по цьому питанню? Є ідея так зробити таврію


Повернутися до початку
 Профіль  
Відповісти цитуючи  
 Заголовок повідомлення: Re: Гібрид Матіз.А можна Таврію?
#138110Повідомлення 01 лист 2024, 17:42 
Не в мережі

Звідки: Кринички
Дякував (ла) 3 Подякували 0
Мій електротранспорт: хочу
Хочу електротранспорт: ел таврія


є ще такий відос


Повернутися до початку
 Профіль  
Відповісти цитуючи  
 Заголовок повідомлення: Re: Гібрид Матіз.А можна Таврію?
#138111Повідомлення 01 лист 2024, 23:04 
Творець електромобіля
Не в мережі

Дякував (ла) 227 Подякували 1134
Здравствуйте, могу ответить на интересующие вас вопросы, рассказать, показать, покатать и дать проехать на практически полном аналоге электромобиля на мотор колесах, как в сюжете про star factory и академика.


Додаткові файли:
IMG_20230923_114253_738.jpg
IMG_20230923_114253_738.jpg [ 484.64 КБ | Переглядів: 17730 ]
Повернутися до початку
 Профіль  
Відповісти цитуючи  
 Заголовок повідомлення: Re: Гібрид Матіз.А можна Таврію?
#138120Повідомлення 02 лист 2024, 22:10 
Не в мережі

Звідки: Кринички
Дякував (ла) 3 Подякували 0
Мій електротранспорт: хочу
Хочу електротранспорт: ел таврія
Цікаво було б почути думки про переобладнання Таврії в гібрид


Повернутися до початку
 Профіль  
Відповісти цитуючи  
 Заголовок повідомлення: Re: Гібрид Матіз.А можна Таврію?
#138121Повідомлення 02 лист 2024, 22:14 
Творець електромобіля
Не в мережі

Дякував (ла) 227 Подякували 1134
Напишите в личку, пообщаемся


Повернутися до початку
 Профіль  
Відповісти цитуючи  
 Заголовок повідомлення: Re: Гібрид Матіз.А можна Таврію?
#138122Повідомлення 02 лист 2024, 22:16 
Творець електромобіля, член клубу
Аватара користувача
Не в мережі

Звідки: Кременчуг
Дякував (ла) 728 Подякували 319
Мій електротранспорт: е-Таврия
Дорого, але можливо.

_________________
автопробег на электричестве 49000 км


Повернутися до початку
 Профіль  
Відповісти цитуючи  
 Заголовок повідомлення: Re: Гібрид Матіз.А можна Таврію?
#138125Повідомлення 03 лист 2024, 17:38 
Творець електромобіля, член клубу
Не в мережі

Звідки: Дніпро
Дякував (ла) 187 Подякували 661
Хочу електротранспорт: Tesla Model3
Цікава ідея. Треба почати з розрахунків.
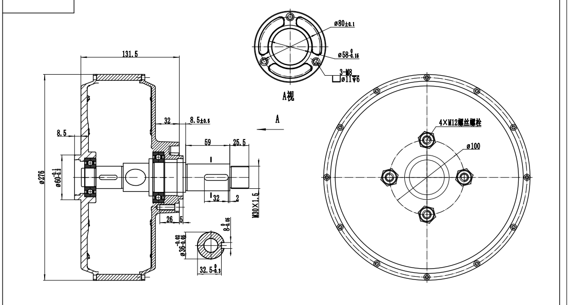
Беремо колесо QS72V5000W. Ось його креслення
Додаткові файли:
Sace92cfbf81c4627a7252d23af49c565h.png
Sace92cfbf81c4627a7252d23af49c565h.png [ 132.18 КБ | Переглядів: 17625 ]

Бачимо що відстань від поверхні кріплення маточини до поверхні кріплення колісного диску складає 140 мм.
Беремо креслення балки Таврії.
Додаткові файли:
img15-s.jpg [25.1 КБ]
Завантажень: 0

Відстань між двома поверхнями кріплення маточини 1175 мм. Отже загальна ширина між поверхнями кріплення дисків буде 1175+140+140=1455.
Найближчі за розміром диски які підійдуть на QS72V5000W знайшов від Ланоса.J5 R13 PCD4x100 ET49 DIA56.6. Вони на пів дюйма ширші за таврійські, і мають центральний отвір менший ніж потрібен для мотор-колеса. Або проточити центральний отвір, або проточити мотор-колеса.
З цими дисками ширина колії буде 1455-2*ЕТ = 1357. Ширина задньої колії Таврії 1306 мм. Різниця 51 мм. Крім цього на диски J5 ширина резини 165мм замість 155мм таврійськой. Тобто до ще +20 мм до загальної ширини. 71 мм. Або +35.5 мм на кожну сторону. Треба дивитися чи дозволяє ширина задніх арок таке розширення.

_________________
Electric Drive Solutions Laboratory (EDSLab)

ЗАЗ 1103 "Slavuta AC Electric"
ГАЗ 24 "Волга електро"
А091 "Богдан електро"
ХТЗ Е25 "Едісон"
VW T5 "Combi drive"
"Synchronous"
Volvo 740 GL EDSLab
КМЗ "Дніпро електро Bonneville"
Dong Feng EDSLab
ЗАЗ 11055 "Tavria electro smart pickup"
ЗАЗ 1102 "Tavria electro smart coupe"

https://driver.top/user/68227/


Повернутися до початку
 Профіль  
Відповісти цитуючи  
 Заголовок повідомлення: Re: Гібрид Матіз.А можна Таврію?
#138126Повідомлення 03 лист 2024, 20:32 
Не в мережі

Звідки: Україна
Дякував (ла) 1653 Подякували 329
Мій електротранспорт: а ти чого, пацан, інтєрєсуєшся?
Алексей В писав(ла):
Крім цього на диски J5 ширина резини 165мм замість 155мм таврійськой.

А це навіщо?


Повернутися до початку
 Профіль  
Відповісти цитуючи  
 Заголовок повідомлення: Re: Гібрид Матіз.А можна Таврію?
#138128Повідомлення 03 лист 2024, 21:37 
Не в мережі

Звідки: Кринички
Дякував (ла) 3 Подякували 0
Мій електротранспорт: хочу
Хочу електротранспорт: ел таврія
Алексей В писав(ла):
Цікава ідея. Треба почати з розрахунків.
Беремо колесо QS72V5000W. Ось його креслення
Додаткові файли:
Sace92cfbf81c4627a7252d23af49c565h.png

Бачимо що відстань від поверхні кріплення маточини до поверхні кріплення колісного диску складає 140 мм.
Беремо креслення балки Таврії.
Додаткові файли:
img15-s.jpg

Відстань між двома поверхнями кріплення маточини 1175 мм. Отже загальна ширина між поверхнями кріплення дисків буде 1175+140+140=1455.
Найближчі за розміром диски які підійдуть на QS72V5000W знайшов від Ланоса.J5 R13 PCD4x100 ET49 DIA56.6. Вони на пів дюйма ширші за таврійські, і мають центральний отвір менший ніж потрібен для мотор-колеса. Або проточити центральний отвір, або проточити мотор-колеса.
З цими дисками ширина колії буде 1455-2*ЕТ = 1357. Ширина задньої колії Таврії 1306 мм. Різниця 51 мм. Крім цього на диски J5 ширина резини 165мм замість 155мм таврійськой. Тобто до ще +20 мм до загальної ширини. 71 мм. Або +35.5 мм на кожну сторону. Треба дивитися чи дозволяє ширина задніх арок таке розширення.
Все це не проблема.Це вирішує токарка і сварка.Проблєма в основному в питаннях доцільності,вартості,і деяких технічних питаннях,наприклад розміру батареї,її розміщення,і потужності моторів.А також комутації,і живлення штатного електрообладнання при експлуатації на електоро


Повернутися до початку
 Профіль  
Відповісти цитуючи  
 Заголовок повідомлення: Re: Гібрид Матіз.А можна Таврію?
#138129Повідомлення 03 лист 2024, 22:43 
Творець електромобіля, член клубу
Не в мережі

Звідки: Харьков-České Budějovice
Дякував (ла) 860 Подякували 710
Мій електротранспорт: Citroen C-zero, Citroen Berlingo 24kWh
Все вопросы, которые вы задали кроме одного решаемы, более того ответы на них можно найти на страницах этого форума в разных темах или посоветовавшись например с Шотой, который вам предлагал. Не решаем никем кроме вас вопрос целесообразности этого мероприятия. То есть пока не будет понятно зачем вам нужна именно гибридная Таврия, на какие пробеги и нагрузку, кто будет делать и каковы финансовые ограничения нет смысла говорить о технике.

_________________
Наши конверсии- http://www.evlab.com.ua/


Повернутися до початку
 Профіль  
Відповісти цитуючи  
 Заголовок повідомлення: Re: Гібрид Матіз.А можна Таврію?
#138131Повідомлення 03 лист 2024, 23:32 
Творець електромобіля, член клубу
Не в мережі

Звідки: Дніпро
Дякував (ла) 187 Подякували 661
Хочу електротранспорт: Tesla Model3
Дел Спунер писав(ла):
Алексей В писав(ла):
Цікава ідея. Треба почати з розрахунків.
Беремо колесо QS72V5000W. Ось його креслення
Додаткові файли:
Sace92cfbf81c4627a7252d23af49c565h.png

Бачимо що відстань від поверхні кріплення маточини до поверхні кріплення колісного диску складає 140 мм.
Беремо креслення балки Таврії.
Додаткові файли:
img15-s.jpg

Відстань між двома поверхнями кріплення маточини 1175 мм. Отже загальна ширина між поверхнями кріплення дисків буде 1175+140+140=1455.
Найближчі за розміром диски які підійдуть на QS72V5000W знайшов від Ланоса.J5 R13 PCD4x100 ET49 DIA56.6. Вони на пів дюйма ширші за таврійські, і мають центральний отвір менший ніж потрібен для мотор-колеса. Або проточити центральний отвір, або проточити мотор-колеса.
З цими дисками ширина колії буде 1455-2*ЕТ = 1357. Ширина задньої колії Таврії 1306 мм. Різниця 51 мм. Крім цього на диски J5 ширина резини 165мм замість 155мм таврійськой. Тобто до ще +20 мм до загальної ширини. 71 мм. Або +35.5 мм на кожну сторону. Треба дивитися чи дозволяє ширина задніх арок таке розширення.
Все це не проблема.Це вирішує токарка і сварка.Проблєма в основному в питаннях доцільності,вартості,і деяких технічних питаннях,наприклад розміру батареї,її розміщення,і потужності моторів.А також комутації,і живлення штатного електрообладнання при експлуатації на електоро

Стосовно батареї. Відштовхуючись від власного досвіду вважаю що для такої конфігурації, зважаючи на доступні об'єми у Таврії, доцільно буде зібрати батарею 8-10 кВтг. 21s2p 60 Ah. Вага приблизно 60кг. Вона чудово розміститься у багажнику. Ця ємність забезпечить гарантованих 60-70 км пробігу на електротязі.

_________________
Electric Drive Solutions Laboratory (EDSLab)

ЗАЗ 1103 "Slavuta AC Electric"
ГАЗ 24 "Волга електро"
А091 "Богдан електро"
ХТЗ Е25 "Едісон"
VW T5 "Combi drive"
"Synchronous"
Volvo 740 GL EDSLab
КМЗ "Дніпро електро Bonneville"
Dong Feng EDSLab
ЗАЗ 11055 "Tavria electro smart pickup"
ЗАЗ 1102 "Tavria electro smart coupe"

https://driver.top/user/68227/


Повернутися до початку
 Профіль  
Відповісти цитуючи  
 Заголовок повідомлення: Re: Гібрид Матіз.А можна Таврію?
#138135Повідомлення 04 лист 2024, 18:19 
Не в мережі

Звідки: Кринички
Дякував (ла) 3 Подякували 0
Мій електротранспорт: хочу
Хочу електротранспорт: ел таврія
Алексей В писав(ла):
Дел Спунер писав(ла):
Алексей В писав(ла):
Цікава ідея. Треба почати з розрахунків.
Беремо колесо QS72V5000W. Ось його креслення
Додаткові файли:
Sace92cfbf81c4627a7252d23af49c565h.png

Бачимо що відстань від поверхні кріплення маточини до поверхні кріплення колісного диску складає 140 мм.
Беремо креслення балки Таврії.
Додаткові файли:
img15-s.jpg

Відстань між двома поверхнями кріплення маточини 1175 мм. Отже загальна ширина між поверхнями кріплення дисків буде 1175+140+140=1455.
Найближчі за розміром диски які підійдуть на QS72V5000W знайшов від Ланоса.J5 R13 PCD4x100 ET49 DIA56.6. Вони на пів дюйма ширші за таврійські, і мають центральний отвір менший ніж потрібен для мотор-колеса. Або проточити центральний отвір, або проточити мотор-колеса.
З цими дисками ширина колії буде 1455-2*ЕТ = 1357. Ширина задньої колії Таврії 1306 мм. Різниця 51 мм. Крім цього на диски J5 ширина резини 165мм замість 155мм таврійськой. Тобто до ще +20 мм до загальної ширини. 71 мм. Або +35.5 мм на кожну сторону. Треба дивитися чи дозволяє ширина задніх арок таке розширення.
Все це не проблема.Це вирішує токарка і сварка.Проблєма в основному в питаннях доцільності,вартості,і деяких технічних питаннях,наприклад розміру батареї,її розміщення,і потужності моторів.А також комутації,і живлення штатного електрообладнання при експлуатації на електоро

Стосовно батареї. Відштовхуючись від власного досвіду вважаю що для такої конфігурації, зважаючи на доступні об'єми у Таврії, доцільно буде зібрати батарею 8-10 кВтг. 21s2p 60 Ah. Вага приблизно 60кг. Вона чудово розміститься у багажнику. Ця ємність забезпечить гарантованих 60-70 км пробігу на електротязі.
як об"єднати дві електричні схеми,коли на роботі електро напруга мін 60 в,а штатна 12. При експлуатації на елтязі,потрібні повороти ,габарити,як це реалізувати? Опалення має свої запитання.Чи треба робити автономку,чи коли на електриці,то заводити бенз?Тоді який толок в цьому проекті?Яка потужність елдвигунів,буде достатньою,щоб пхати авто з бенз двигуном,акумом і пасажирами,хоча б по прямій,не говорячи під гору? Яка вага цих двигунів,і як це відоб"ється на них при їзді по нашим ямам?


Повернутися до початку
 Профіль  
Відповісти цитуючи  
 Заголовок повідомлення: Re: Гібрид Матіз.А можна Таврію?
#138136Повідомлення 04 лист 2024, 18:19 
Не в мережі

Звідки: Кринички
Дякував (ла) 3 Подякували 0
Мій електротранспорт: хочу
Хочу електротранспорт: ел таврія
Алексей В писав(ла):
Дел Спунер писав(ла):
Алексей В писав(ла):
Цікава ідея. Треба почати з розрахунків.
Беремо колесо QS72V5000W. Ось його креслення
Додаткові файли:
Sace92cfbf81c4627a7252d23af49c565h.png

Бачимо що відстань від поверхні кріплення маточини до поверхні кріплення колісного диску складає 140 мм.
Беремо креслення балки Таврії.
Додаткові файли:
img15-s.jpg

Відстань між двома поверхнями кріплення маточини 1175 мм. Отже загальна ширина між поверхнями кріплення дисків буде 1175+140+140=1455.
Найближчі за розміром диски які підійдуть на QS72V5000W знайшов від Ланоса.J5 R13 PCD4x100 ET49 DIA56.6. Вони на пів дюйма ширші за таврійські, і мають центральний отвір менший ніж потрібен для мотор-колеса. Або проточити центральний отвір, або проточити мотор-колеса.
З цими дисками ширина колії буде 1455-2*ЕТ = 1357. Ширина задньої колії Таврії 1306 мм. Різниця 51 мм. Крім цього на диски J5 ширина резини 165мм замість 155мм таврійськой. Тобто до ще +20 мм до загальної ширини. 71 мм. Або +35.5 мм на кожну сторону. Треба дивитися чи дозволяє ширина задніх арок таке розширення.
Все це не проблема.Це вирішує токарка і сварка.Проблєма в основному в питаннях доцільності,вартості,і деяких технічних питаннях,наприклад розміру батареї,її розміщення,і потужності моторів.А також комутації,і живлення штатного електрообладнання при експлуатації на електоро

Стосовно батареї. Відштовхуючись від власного досвіду вважаю що для такої конфігурації, зважаючи на доступні об'єми у Таврії, доцільно буде зібрати батарею 8-10 кВтг. 21s2p 60 Ah. Вага приблизно 60кг. Вона чудово розміститься у багажнику. Ця ємність забезпечить гарантованих 60-70 км пробігу на електротязі.
як об"єднати дві електричні схеми,коли на роботі електро напруга мін 60 в,а штатна 12. При експлуатації на елтязі,потрібні повороти ,габарити,як це реалізувати? Опалення має свої запитання.Чи треба робити автономку,чи коли на електриці,то заводити бенз?Тоді який толок в цьому проекті?Яка потужність елдвигунів,буде достатньою,щоб пхати авто з бенз двигуном,акумом і пасажирами,хоча б по прямій,не говорячи під гору? Яка вага цих двигунів,і як це відоб"ється на них при їзді по нашим ямам?


Повернутися до початку
 Профіль  
Відповісти цитуючи  
 Заголовок повідомлення: Re: Гібрид Матіз.А можна Таврію?
#138137Повідомлення 04 лист 2024, 18:32 
Не в мережі

Звідки: Кринички
Дякував (ла) 3 Подякували 0
Мій електротранспорт: хочу
Хочу електротранспорт: ел таврія
Olaff писав(ла):
Все вопросы, которые вы задали кроме одного решаемы, более того ответы на них можно найти на страницах этого форума в разных темах или посоветовавшись например с Шотой, который вам предлагал. Не решаем никем кроме вас вопрос целесообразности этого мероприятия. То есть пока не будет понятно зачем вам нужна именно гибридная Таврия, на какие пробеги и нагрузку, кто будет делать и каковы финансовые ограничения нет смысла говорить о технике.
Ясне діло ,що про доцільність має вирішувати той,хто буде це виконувати.Але думку про це мають всі,і коли хтось питає про доцільність,він хоче знати думку інших. Що до мети такої переробки,то це така ж мета ,як і переробка на ел тягу,але з елементом варіативності,і більшого діапазону використання на невеликих перебігах в межах 30-70 км,і змоги зворотнього тюнінгу(тобто повернення до початкового стану без затрат). Знову ж таки ,яка межа вартості такого проекту,коли він ще є доцільний,і коли вже не вартий роботи(краще придбати готове авто,як зробив автор одного з відео,що я виклав)


Повернутися до початку
 Профіль  
Відповісти цитуючи  
 Заголовок повідомлення: Re: Гібрид Матіз.А можна Таврію?
#138139Повідомлення 04 лист 2024, 22:31 
Творець електромобіля, член клубу
Не в мережі

Звідки: Харьков-České Budějovice
Дякував (ла) 860 Подякували 710
Мій електротранспорт: Citroen C-zero, Citroen Berlingo 24kWh
Моё мнение, что сейчас уже такая ситуация, что переделка автомобиля на электропривод (или гибрид) имеет смысл только в трёх случаях. Это если нужно получить какие то уникальные свойства, купить с которыми сложно или невозможно, например внедорожник с очень высокой проходимостью или сверх лёгкий спортивный электромобиль. Или если конвертируется какой нибудь старый культовый или просто редкий автомобиль , что бы упростить его эксплуатацию в современных условиях. Ну и последний случай, под который могла бы подойти переделка Таврии в гибрид- это любовь к творчеству или отработка технологии для более серьёзного проекта (из первых двух вариантов).

_________________
Наши конверсии- http://www.evlab.com.ua/


Повернутися до початку
 Профіль  
Відповісти цитуючи  
Показати повідомлення за:  Поле сортування  
Почати нову тему Відповісти на тему  [ Повідомлень: 19 ]              На сторінку 1, 2  Наступ.

Часовий пояс: UTC + 2 години


Хто зараз на конференції

Зараз цей форум переглядають: немає зареєстрованих користувачів і гості: 20


Ви не можете створювати нові теми
Ви не можете відповідати на повідомлення
Ви не можете редагувати свої повідомлення
Ви не можете видаляти свої повідомлення
Ви не можете додавати додаткові файли

Найти:
Створено на основі phpBB® Forum Software © phpBB Group