Поточний час: 18 груд 2025, 07:55

Часовий пояс: UTC + 2 години



Почати нову тему Відповісти на тему  [ Повідомлень: 25 ]  На сторінку 1, 2  Наступ.
Автор Повідомлення
#110979Повідомлення 29 вер 2020, 07:34 
Власник електромобіля
Не в мережі

Звідки: Ужгород
Дякував (ла) 7 Подякували 26
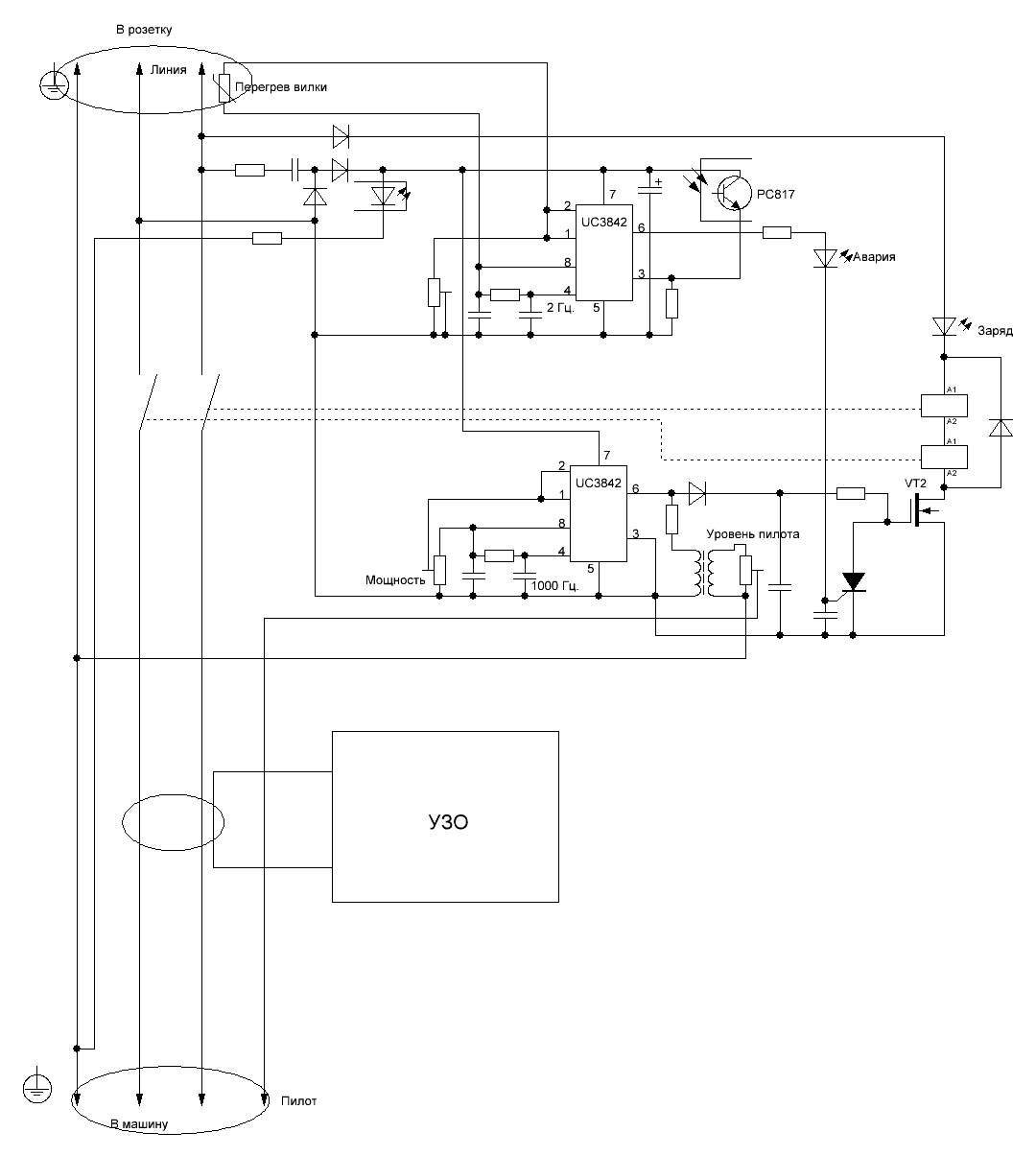
Зарядный кабель Nissan Leaf, в дальнейшем именуемый Кирпич разработан на основании требований ГОСТ Р МЭК 61851-1-2013 Система токопроводящей зарядки электромобилей.
https://files.stroyinf.ru/Index2/1/4293 ... 774646.htm
Кирпич предназначен для зарядки электромобилей Nissan Leaf и других с разъемом J1772 (старым) от бытовой розетки током до 16 А.
Кирпич имеет следующие виды защит:
1. Запрет на включение при отсутствии или обрыве заземления.
2. Отключение при перегреве вилки выше 60-70 градусов.
3. Отключение при токе утечки выше 15 мА.
4. Отключение сигналом «Пилот» по окончанию заряда или нажатием кнопки на пистолете.
Кирпич изготовлен с применением кабеля, пистолета, вилки, корпуса и реле от сгоревшего зарядного кабеля. Разработана схема, печатная плата, изготовлен и испытан образец Кирпича.
Сейчас находится в опытной эксплуатации в течение 3 месяцев.


Додаткові файли:
Коментарій до файлу: Схема электрическая принципиальная
Кирпич схема.JPG
Кирпич схема.JPG [ 184.94 КБ | Переглядів: 18862 ]
Повернутися до початку
 Профіль  
Відповісти цитуючи  
#110983Повідомлення 29 вер 2020, 08:54 
Творець електромобіля, член клубу
Аватара користувача
Не в мережі

Звідки: Украина,Киев
Дякував (ла) 114 Подякували 682
Мій електротранспорт: ЗАЗ 965e, Peugeot Partner (продан), Renault Zoe, Renault Fluence, Tesla Model 3
Как по мне не хватает МК, так как если нужно что-то перенастроить нужно лезть а схемотехнику. На МК можно больше функций добавить, более простыми способами.


Повернутися до початку
 Профіль  
Відповісти цитуючи  
#110987Повідомлення 29 вер 2020, 12:56 
Власник електромобіля
Не в мережі

Звідки: Ужгород
Дякував (ла) 7 Подякували 26
Настройка по току - изменение скважности импульсов с частотой 1 кГц. 10% 6 А; 20% 12 А; 30% 18A; 40% 24A; 50% 30A; 60% 36A; 70% 42A; 80% 48A; 86% 55A; 88% 60A; 90% 65A; 92% 70A; 94% 75A; 96% 80A .
Настройка по температуре перегрева вилки - резистор R7.


Повернутися до початку
 Профіль  
Відповісти цитуючи  
#111006Повідомлення 30 вер 2020, 09:24 
Активіст форуму
Аватара користувача
Не в мережі

Звідки: Троицк
Дякував (ла) 69 Подякували 105
Cytu54, схему не пробовали упростить? Лично ваша разработка?

_________________
-----------------------------------------------------------------------
Лучше сразу взяться за ум, чтобы потом не хвататься за голову!


Повернутися до початку
 Профіль  
Відповісти цитуючи  
#111007Повідомлення 30 вер 2020, 09:31 
Голова клубу
Аватара користувача
Не в мережі

Звідки: Україна, Донецьк => Ірпінь
Дякував (ла) 6969 Подякували 2591
Мій електротранспорт: Tesla S
Хочу електротранспорт: е-панцирник
А как же её упростишь кроме как применением МК?


Повернутися до початку
 Профіль  
Відповісти цитуючи  
#111009Повідомлення 30 вер 2020, 09:36 
Активіст форуму
Аватара користувача
Не в мережі

Звідки: Троицк
Дякував (ла) 69 Подякували 105
Процентов 30 деталей можно убрать (если поизголяться то возможно и половину).
МК лепить - это чтоб в сарае нельзя было повторить/отремонтировать (если нет "ботанов" в деревне)?
А какие еще функции требуются от этого кабеля? Это всего лишь соединяющее звено, "посредник".

Якщо цэ зроблэно в Украини, то трэба кэруватыся ДСТУ (Держстандарт Украины) а нэ ГОСТ Р (Гостандарт Росии).

По свободе схемку накропаю.

_________________
-----------------------------------------------------------------------
Лучше сразу взяться за ум, чтобы потом не хвататься за голову!


Востаннє редагувалось танго 30 вер 2020, 19:48, редаговано 1 раз.

Повернутися до початку
 Профіль  
Відповісти цитуючи  
#111022Повідомлення 30 вер 2020, 12:53 
Власник електромобіля
Не в мережі

Звідки: Ужгород
Дякував (ла) 7 Подякували 26
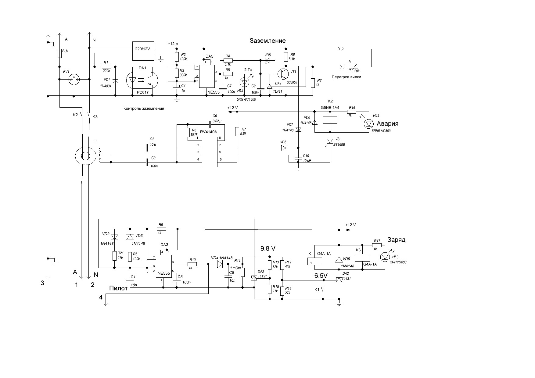
Слепил из того, что было под рукой. Устройство защитного отключения может быть на микросхеме RV4140A. Улучшать схему можно, если планировать мелкосерийное изготовление. А для единичного и так годится.


Додаткові файли:
УЗО.docx [191.54 КБ]
Завантажень: 607
Повернутися до початку
 Профіль  
Відповісти цитуючи  
#111066Повідомлення 01 жовт 2020, 08:34 
Голова клубу
Аватара користувача
Не в мережі

Звідки: Україна, Донецьк => Ірпінь
Дякував (ла) 6969 Подякували 2591
Мій електротранспорт: Tesla S
Хочу електротранспорт: е-панцирник
танго писав(ла):
Это всего лишь соединяющее звено
с различными защитами.
Да схема нагромождённая, но мне лично нравится, что есть даже что-то типа УЗО. Правильно же я понял?


Повернутися до початку
 Профіль  
Відповісти цитуючи  
#111072Повідомлення 01 жовт 2020, 09:29 
Активіст форуму
Аватара користувача
Не в мережі

Звідки: Троицк
Дякував (ла) 69 Подякували 105
Да, УЗО - средняя часть схемы.

Как просматривается вариант (на упрощение):

1. Верхняя часть схемы - ставится лишь одна UC384.... - в ней два компаратора (на один из них вешается измеритель температуры), есть генератор если хотите для "моргалки".

2. Средняя часть - УЗО - здесь надо смотреть. Трансформатор с 500 витками на вторичке - гемморойное занятие мотать.

3. Нижняя часть - тоже UC384.... - (ее генератор использовать для пилот-тона). Реле К1 и тиристор выкинуть - коммутацию с "защелкой" делается на одной из вышеперечисленных UC384....
Выход у UC384.... до 1 Ампера - так что ее можно нагрузить на катушки релюшек К2, К3.

4. Если здесь используется УЗО, то тогда есть резон не ставить в схему понижайку AC/DC.

_________________
-----------------------------------------------------------------------
Лучше сразу взяться за ум, чтобы потом не хвататься за голову!


Повернутися до початку
 Профіль  
Відповісти цитуючи  
#111076Повідомлення 01 жовт 2020, 10:19 
Власник електромобіля
Не в мережі

Звідки: Ужгород
Дякував (ла) 7 Подякували 26
1. Моргалка должна быть как в оригинале. При отсутствии заземления моргает зеленый светодиод и запрещается включение силовых реле.
2. Трансформатор тока использовался из сгоревшего зарядного кабеля Ниссан лиф. Можно применить АС1005 https://pdf1.alldatasheet.com/datasheet ... C1005.html
3. Согласен на компараторы, но UC384.. шим контроллер.


Повернутися до початку
 Профіль  
Відповісти цитуючи  
#111097Повідомлення 01 жовт 2020, 13:31 
Активіст форуму
Аватара користувача
Не в мережі

Звідки: Троицк
Дякував (ла) 69 Подякували 105
Любой ШИМ контроллер имеет в своем составе несколько компараторов (тех же операционников) для своего управления, и так же те же 555 таймеры.

_________________
-----------------------------------------------------------------------
Лучше сразу взяться за ум, чтобы потом не хвататься за голову!


Повернутися до початку
 Профіль  
Відповісти цитуючи  
#111174Повідомлення 03 жовт 2020, 20:52 
Власник електромобіля
Не в мережі

Звідки: Ужгород
Дякував (ла) 7 Подякували 26
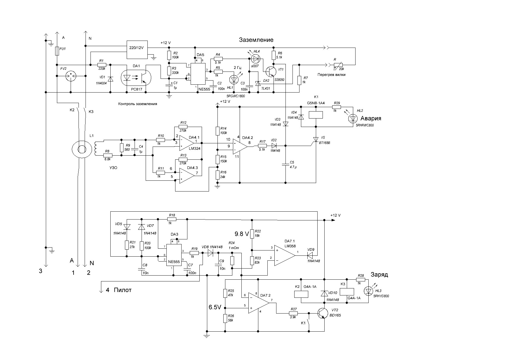
Немного упростил схему без макетирования.


Додаткові файли:
Кирпич упрощенный.JPG
Кирпич упрощенный.JPG [ 161.69 КБ | Переглядів: 18551 ]
Повернутися до початку
 Профіль  
Відповісти цитуючи  
#111184Повідомлення 04 жовт 2020, 09:45 
Активіст форуму
Аватара користувача
Не в мережі

Звідки: Троицк
Дякував (ла) 69 Подякували 105
Потихоньку рисую вариант на UC384.... - да и чтобы исключить из схемы AC/DC, промежуточное реле.

Почему то крутится мысль сделать токовый трансформатор для УЗО на ферритовом колечке с одними виткаим по входу и одним по выходу (чтобы не мотать).
Будет считывать лишь часть полуволны до насыщения колечка (короткие штырьки).

_________________
-----------------------------------------------------------------------
Лучше сразу взяться за ум, чтобы потом не хвататься за голову!


Повернутися до початку
 Профіль  
Відповісти цитуючи  
#111187Повідомлення 04 жовт 2020, 16:54 
Активіст форуму
Аватара користувача
Не в мережі

Звідки: Троицк
Дякував (ла) 69 Подякували 105
Направление где то в эту сторону.


Додаткові файли:
Для лифа.GIF
Для лифа.GIF [ 22.6 КБ | Переглядів: 18462 ]

_________________
-----------------------------------------------------------------------
Лучше сразу взяться за ум, чтобы потом не хвататься за голову!
Повернутися до початку
 Профіль  
Відповісти цитуючи  
#111191Повідомлення 04 жовт 2020, 21:27 
Активіст форуму
Аватара користувача
Не в мережі

Звідки: Полтава
Дякував (ла) 6 Подякували 34
1) Для желающих повторить данную конструкцию рекомендовал бы брать все-таки первую схему - не содержит дефицитных компонентов.
2) Устранить замеченную очепятку: у микрухи LM324 выв.7 отсоединить от выв.1 и подсоединить к..........?
3)Рассказать о конструкции токового диф. трансформатора, если его сделать самопальным.
4)Выходные провода блочка AC/DC пропустить несколько раз через подходящее ферритовое колечко во избежание свистопляски эл. схемы от воздействия помех, всегда присутствующих на выходе импульсных источников питания. По этой же причине проводники уже после ферритового колечка зашунтировать керамическим конденсатором емкостью не менее 0.1 мкф (соблюдение этого пункта ОЧЕНЬ облегчит вам жизнь - проверено временем).
Успехов :)


Повернутися до початку
 Профіль  
Відповісти цитуючи  
Показати повідомлення за:  Поле сортування  
Почати нову тему Відповісти на тему  [ Повідомлень: 25 ]              На сторінку 1, 2  Наступ.

Часовий пояс: UTC + 2 години


Хто зараз на конференції

Зараз цей форум переглядають: немає зареєстрованих користувачів і гості: 10


Ви не можете створювати нові теми
Ви не можете відповідати на повідомлення
Ви не можете редагувати свої повідомлення
Ви не можете видаляти свої повідомлення
Ви не можете додавати додаткові файли

Найти:
Створено на основі phpBB® Forum Software © phpBB Group