Поточний час: 18 груд 2025, 05:42

Часовий пояс: UTC + 2 години



Почати нову тему Відповісти на тему  [ Повідомлень: 416 ]  На сторінку Пред.  1 ... 22, 23, 24, 25, 26, 27, 28  Наступ.
Автор Повідомлення
 Заголовок повідомлення: Re: Балансиры с КПД >0% под свинцовые
#91006Повідомлення 21 вер 2019, 07:59 
Не в мережі

Звідки: Украина Сумы
Дякував (ла) 78 Подякували 50
Хочу електротранспорт: неопределился
Микроватт писав(ла):
Что конкретно будет означать это "модульное"?
В принципе, на его основе можно набирать балансировщик на неограниченное количество ячеек. Но каждая ячейка содержит набор деталей схемы управления, вспомогательные элементы и т.п. Все это удорожает приборы и создает некоторые неудобства с необходимостью внимательно подключить кучу проводов.

Модульность нужна, мне видеться два варианта 4 и 6 , а них можно собрать 8; 10; 14; и т.д.
Предложений вами метод построения даёт одну большую проблему! если оказываются две слабые секции рядом, эффективность такого балансира нулевая, нужно знать общее состояние батареи и на этом основании разрешать подпитку аккумулятора, а в этом варианте реверсивный преобразователь не сработает.
Цитата:
Потому и поднял тему - нужно прийти к какому-то стандарту.

_________________
---------------------------------------------------


Повернутися до початку
 Профіль  
Відповісти цитуючи  
 Заголовок повідомлення: Re: Балансиры с КПД >0% под свинцовые
#91022Повідомлення 21 вер 2019, 12:21 
Не в мережі

Звідки: Запорожье
Дякував (ла) 115 Подякували 193
Мій електротранспорт: -
Хочу електротранспорт: -
Babylon писав(ла):
Модульность нужна, мне видеться два варианта 4 и 6 , а них можно собрать 8; 10; 14; и т.д.
Предложений вами метод построения даёт одну большую проблему! если оказываются две слабые секции рядом, эффективность такого балансира нулевая, нужно знать общее состояние батареи и на этом основании разрешать подпитку аккумулятора, а в этом варианте реверсивный преобразователь не сработает.

Нет этой проблемы. Вы, похоже, просто не до конца понимаете физику работы реверсивного преобразователя.
Обмен энергией идет в любых направлениях и в любой комбинации. Т.е. одна ячейка может подпитывать и три слабых, независимо рядом они стоят или как-то по-другому. Это давно сделано и работает.
Можно сделать конструкцию из одной ячейки балансировщика, подключаемой только к одному аккумулятору, а выходы таких балансировщиков соединить параллельно. Это дает возможность балансировки произвольной по количеству ячеек батареи. Обмен одновременно любой с любой и в произвольных комбинациях.
Это вопросы конструктивного исполнения, а не принципа работы.
На сегодня нет более прогрессивного метода по простоте и точности . Недостатки, конечно, у него тоже есть.
Не будем углубляться, тут своих экспертов, оказывается, полно. Для меня другие области применения уже актуальны, не электромобили.


Повернутися до початку
 Профіль  
Відповісти цитуючи  
 Заголовок повідомлення: Re: Балансиры с КПД >0% под свинцовые
#91030Повідомлення 21 вер 2019, 14:45 
Не в мережі

Звідки: Украина Сумы
Дякував (ла) 78 Подякували 50
Хочу електротранспорт: неопределился
Микроватт писав(ла):
Нет этой проблемы.
Обмен энергией идет в любых направлениях и в любой комбинации. Т.е. одна ячейка может подпитывать и три слабых, независимо рядом они стоят или как-то по-другому.

Для меня другие области применения уже актуальны, не электромобили.[/quote]

Судя по схеме подпитка сначала идёт с ближних секций, а потом перераспределением уравниваться по всей батареи, это долгий процесс, плюс к этому количество модулей почти равно количеству элементов.
Цитата:
Для меня другие области применения уже актуальны, не электромобили.

У каждого свои пчёлы.


Додаткові файли:
Screenshot_62.png
Screenshot_62.png [ 392.7 КБ | Переглядів: 6320 ]

_________________
---------------------------------------------------
Повернутися до початку
 Профіль  
Відповісти цитуючи  
#91032Повідомлення 21 вер 2019, 14:56 
Активіст форуму
Аватара користувача
Не в мережі

Звідки: Троицк
Дякував (ла) 69 Подякували 105
Эта схема сделана на основе микросхемы для управления постоянными движками.
Понятно что берет энергию со смежного аккумулятора.

_________________
-----------------------------------------------------------------------
Лучше сразу взяться за ум, чтобы потом не хвататься за голову!


Повернутися до початку
 Профіль  
Відповісти цитуючи  
#91035Повідомлення 21 вер 2019, 15:07 
Не в мережі

Звідки: Запорожье
Дякував (ла) 115 Подякували 193
Мій електротранспорт: -
Хочу електротранспорт: -
танго писав(ла):
Эта схема сделана на основе микросхемы для управления постоянными движками.
Понятно что берет энергию со смежного аккумулятора.

Да вам все всегда понятно, по фотографии и диагноз готов. И как что сделано и как работает.
В гадалки бы вам...
На рисунке частный случай балансира на две ячейки. Просто первый заказчик года три назад так захотел. Это не значит, что можно немного иначе его сделать на 4 или 144.
Уже не раз пояснялось, что метод позволяет обмен энергией идет напрямую между любыми ячейками и в любых комбинациях.
Беда, что смысл прочитанного не доходит.


Повернутися до початку
 Профіль  
Відповісти цитуючи  
#91048Повідомлення 21 вер 2019, 17:35 
Активіст форуму
Аватара користувача
Не в мережі

Звідки: Троицк
Дякував (ла) 69 Подякували 105
:D Ну а на чем же еще может быть собран по простому реверсивный преобразователь.

Ну я бы допустил что на микроконтроллере, но частота этого преобразователя 190 КГц. (сразу видно - забугорная) да и встроенные ключи, блокировка - вот оно готовое.
Управление этой микрушкой и замер напряжения ячеек аккумулятора делается на той же АТтиньке (встроенный компаратор, временные интервалы...).

Полностью по этим микрушкам не копал, взял первую попавшуюся.

_________________
-----------------------------------------------------------------------
Лучше сразу взяться за ум, чтобы потом не хвататься за голову!


Повернутися до початку
 Профіль  
Відповісти цитуючи  
#91050Повідомлення 21 вер 2019, 18:05 
Не в мережі

Звідки: Запорожье
Дякував (ла) 115 Подякували 193
Мій електротранспорт: -
Хочу електротранспорт: -
танго писав(ла):
:D Ну а на чем же еще может быть собран по простому реверсивный преобразователь.
Управление этой микрушкой и замер напряжения ячеек аккумулятора делается на той же
Полностью по этим микрушкам не копал, взял первую попавшуюся.

Угу, это так. Нет микрухи - нет житухи. Не получается трамвай!




Повернутися до початку
 Профіль  
Відповісти цитуючи  
 Заголовок повідомлення: Re: Балансиры с КПД >0% под свинцовые
#91116Повідомлення 23 вер 2019, 07:58 
Активіст форуму
Аватара користувача
Не в мережі

Звідки: Запорожье
Дякував (ла) 21 Подякували 15
Мій електротранспорт: Aima King S
Babylon писав(ла):
Микроватт писав(ла):
Нет этой проблемы.
Обмен энергией идет в любых направлениях и в любой комбинации. Т.е. одна ячейка может подпитывать и три слабых, независимо рядом они стоят или как-то по-другому.

Для меня другие области применения уже актуальны, не электромобили.

Babylon писав(ла):
Судя по схеме подпитка сначала идёт с ближних секций, а потом перераспределением уравниваться по всей батареи, это долгий процесс, плюс к этому количество модулей почти равно количеству элементов.

Здравствуйте. Как написал Танго ниже - частота 190кГц - не забугорная, это сделано для уменьшения масогабаритов преобразователя (соответственно стоимости). При такой частоте преобразования - переброс энергии с одной ячейки в другу - сложно назвать МЕдленным процесом. Без обид. А вот минус такой систем все же есть - это КПД переброса с первой (плохой ячейки) в последнюю (лучшую). КПД одного балансира 0,93 ,что при низких питающих напряжениях - просто круто. Математика приблизительно такая - если используется 4 балансира - то передача вышеуказанного варианта равна 0.93*0.93*0.93*0.93=0,75%. Проще, в рядом стоящую батарею будет сбрасываться\вливаться 1Ампер, то в последнюю 0,75А. Сразу оговариваю (для Микровата) - расчет дан для понимания эффективности, ведь в расчете оперировал КПД при условии постоянства напряжения.

_________________
Перешел на литий - это сила!


Повернутися до початку
 Профіль  
Відповісти цитуючи  
#91117Повідомлення 23 вер 2019, 08:00 
Активіст форуму
Аватара користувача
Не в мережі

Звідки: Запорожье
Дякував (ла) 21 Подякували 15
Мій електротранспорт: Aima King S
танго писав(ла):
Эта схема сделана на основе микросхемы для управления постоянными движками.
Понятно что берет энергию со смежного аккумулятора.

А можно пример\ссылку - хочу ознакомиться.?

_________________
Перешел на литий - это сила!


Повернутися до початку
 Профіль  
Відповісти цитуючи  
#91118Повідомлення 23 вер 2019, 08:08 
Активіст форуму
Аватара користувача
Не в мережі

Звідки: Запорожье
Дякував (ла) 21 Подякували 15
Мій електротранспорт: Aima King S
танго писав(ла):
:D Ну а на чем же еще может быть собран по простому реверсивный преобразователь.

Ну я бы допустил что на микроконтроллере, но частота этого преобразователя 190 КГц. (сразу видно - забугорная) да и встроенные ключи, блокировка - вот оно готовое.
Управление этой микрушкой и замер напряжения ячеек аккумулятора делается на той же АТтиньке (встроенный компаратор, временные интервалы...).

Полностью по этим микрушкам не копал, взял первую попавшуюся.

Танго, один вопрос - цель диалога с Микроватом? Критика схемотехники? Поиск своего решения? Если Вы хотите его заставить сделать реверсивный балансировщик на Микроконтроллере - есть только один вариант - заказать ПАртию в сотню штук. Я уже пытался.

_________________
Перешел на литий - это сила!


Повернутися до початку
 Профіль  
Відповісти цитуючи  
#91132Повідомлення 23 вер 2019, 11:09 
Активіст форуму
Аватара користувача
Не в мережі

Звідки: Троицк
Дякував (ла) 69 Подякували 105
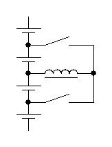
Реверсивный преобразователь можно сделать на чем угодно - это несложная вещь (два ключа, дроссель и та же двухгривенная UC3843 например).
Я никого не хочу заставлять что либо делать.
Под это дело (активные балансиры) выпускается разными фирмами специализированные микросхемы, НО - все это маломощное и не копеечное.

У меня есть ветка куда по ходу "мечтаний" я буду вносить свои схемные соображения.

На 190 КГц. мощное на ширпотребовских недорогих элементах не сделаешь (у Микроватта - для легкого электротранспорта), есть умельцы которые и на 500 Кгц. ЧТО ТО мастерят (но не более полсотни ватт на посредственной элементной базе).

А дорогой активный балансир нафиг никому не нужен, т. к. легче купить новую банку аккумулятора.

Принцип двунаправленного преобразователя на рис. (это не лучший вариант для балансиров).


Додаткові файли:
Двунаправленный преобразователь.JPG
Двунаправленный преобразователь.JPG [ 4.94 КБ | Переглядів: 6237 ]

_________________
-----------------------------------------------------------------------
Лучше сразу взяться за ум, чтобы потом не хвататься за голову!
Повернутися до початку
 Профіль  
Відповісти цитуючи  
#91147Повідомлення 23 вер 2019, 12:32 
Активіст форуму
Аватара користувача
Не в мережі

Звідки: Запорожье
Дякував (ла) 21 Подякували 15
Мій електротранспорт: Aima King S
Ну знание построения схемы от Микровата говорит, что Вы схемотехник, но на сколько практиК? Микроват нашел свою золотую середину в активном балансировщике - цена\функционал. Я сейчас не готов выложить нн сумму денег за активный балансировщик в соотношении с покупкой новой батареи. А представте, что будет, если Микроват начнет ставить туда ключи с 3мОм и габаритной мощностью моточных в сотни ват? НО все это фигня. На практике Вам прийдеться тянуть от КАЖДОЙ ячейки провода сечением не менее 2,5мм.кв к некоемому активному балансиру, чтобы ни грамма напряжения не упало на проводе, ведь 4,0В и 3,6В на литии - это серьезно. А так как Вы говорите о МОЩностях - то это так= 100Вт балансир при дельта напряжении 4.0-3.6=0.4В отсюда ток балансировки в сотню ват активного балансира = 100Вт/0,4В=250Ампер.
Мой вывод таков - балансир, способный по мощности поддержать хоть половину емкости основной батареи = напрасная трата ДЕНЕГ.
Плата БМС - нужна, но ее балансировку с резисторами на 20мА нужно заменить балансиром Реверсивно...
Элементную базу от Микроватовского балансира можно чуть улучшить - по крайней мере разъемы, так это уж точно. Тех балансировочных токов вполне хватает, чтобы улучшить показатели разношеной батареи в целом.
Вопрос в том, кто захочет, бахнуть уйму времени, сумму денег...разработать, отладить, спаять партию и потом отдать за дарма??? я точно не продам балансир от Микровата за 500грн, НО и не готов его купить - от засада..))))


Додаткові файли:
min.jpg
min.jpg [ 135.56 КБ | Переглядів: 6236 ]

_________________
Перешел на литий - это сила!
Повернутися до початку
 Профіль  
Відповісти цитуючи  
#91148Повідомлення 23 вер 2019, 12:34 
Активіст форуму
Аватара користувача
Не в мережі

Звідки: Запорожье
Дякував (ла) 21 Подякували 15
Мій електротранспорт: Aima King S
танго писав(ла):
Реверсивный преобразователь можно сделать на чем угодно - это несложная вещь (два ключа, дроссель и та же двухгривенная UC3843 например).
Я никого не хочу заставлять что либо делать.
Под это дело (активные балансиры) выпускается разными фирмами специализированные микросхемы, НО - все это маломощное и не копеечное.

У меня есть ветка куда по ходу "мечтаний" я буду вносить свои схемные соображения.

На 190 КГц. мощное на ширпотребовских недорогих элементах не сделаешь (у Микроватта - для легкого электротранспорта), есть умельцы которые и на 500 Кгц. ЧТО ТО мастерят (но не более полсотни ватт на посредственной элементной базе).

А дорогой активный балансир нафиг никому не нужен, т. к. легче купить новую банку аккумулятора.

Принцип двунаправленного преобразователя на рис. (это не лучший вариант для балансиров).


То, что это не лучший вариант, это подтвердил и Микроват - он уже это прошел, что мы сейчас пережовываем...так Вы сами собрались мастерить, отлаживать??

_________________
Перешел на литий - это сила!


Повернутися до початку
 Профіль  
Відповісти цитуючи  
#91157Повідомлення 23 вер 2019, 13:30 
Не в мережі

Звідки: Запорожье
Дякував (ла) 115 Подякували 193
Мій електротранспорт: -
Хочу електротранспорт: -
танго писав(ла):
Реверсивный преобразователь можно сделать на чем угодно - это несложная вещь (два ключа, дроссель и та же двухгривенная UC3843 например).

На 190 КГц. мощное на ширпотребовских недорогих элементах не сделаешь
А дорогой активный балансир нафиг никому не нужен, т. к. легче купить новую банку аккумулятора.

Принцип двунаправленного преобразователя на рис. (это не лучший вариант для балансиров).

Темнота....
Можно сделать? Ну так сделайте!
Частота преобразования и мощность - как длинное и зеленое сравнивать.
Да, мощный балансировщик электромобилистам не нужен. Да и вообще не нужен. Потому что дорогой и непонятно как и зачем работает. Купить новый аккумулятор - это просто и дворнику понятно. Я это уже усвоил, нашел другой сегмент потребителей.
На вашей схеме что угодно, только не реверсивный преобразователь. Такое уже делалось, выпускалось серийно. Есть даже попытка выпустить специализированную микросхему. Для свинца - годится, для лития не обеспечивает точность. Кроме того, дорого. В силовом контуре циркулирует раз в 10 большая энергия, чем идущая на уравнивание заряда. Приходится ставить мощные ключи, мощность их используется неэффективно.
Пишите в свою изобретательскую ветку. Тут , пожалуй , тема исчерпана.


Повернутися до початку
 Профіль  
Відповісти цитуючи  
#91158Повідомлення 23 вер 2019, 13:43 
Активіст форуму
Аватара користувача
Не в мережі

Звідки: Троицк
Дякував (ла) 69 Подякували 105
Не делалось - а делается в серийно производимых микросхемах, ток можно за счет ШИМа в данной схеме какой хочешь гонять.

Маломощные балансиры что делают - выравнивают (подгоняют) напряжение при зарядке, не более, емкость слабой батареи они нуууууууу....никак не восстанавливают. Это при зарядке.

При разрядке маломощный балансир в мощной автомобильной батарее вообще никакой роли не выполняет (ячейка как слабая была так и осталась). Ну, разве что при остановленном моторе они потихоооонечку перекачают энергию (за несколько часов) из "бодрой" ячейки в слабенькую.

Это речь идет об активных балансирах.
В пассивных - вообще все сплошные потери.

_________________
-----------------------------------------------------------------------
Лучше сразу взяться за ум, чтобы потом не хвататься за голову!


Востаннє редагувалось танго 23 вер 2019, 14:00, редаговано 1 раз.

Повернутися до початку
 Профіль  
Відповісти цитуючи  
Показати повідомлення за:  Поле сортування  
Почати нову тему Відповісти на тему  [ Повідомлень: 416 ]              На сторінку Пред.  1 ... 22, 23, 24, 25, 26, 27, 28  Наступ.

Часовий пояс: UTC + 2 години


Хто зараз на конференції

Зараз цей форум переглядають: немає зареєстрованих користувачів і гості: 15


Ви не можете створювати нові теми
Ви не можете відповідати на повідомлення
Ви не можете редагувати свої повідомлення
Ви не можете видаляти свої повідомлення
Ви не можете додавати додаткові файли

Найти:
Створено на основі phpBB® Forum Software © phpBB Group