Поточний час: 29 трав 2026, 20:32

Часовий пояс: UTC + 2 години


Правила форума


Обговорення лише самостійно зібраних/переобладнаних електромобілів на ходу


Почати нову тему Відповісти на тему  [ Повідомлень: 1495 ]  На сторінку Пред.  1 ... 64, 65, 66, 67, 68, 69, 70 ... 100  Наступ.
Автор Повідомлення
 Заголовок повідомлення: Re: Trabant 601 (Jekabes, Днепр)
#117991Повідомлення 29 квіт 2021, 22:39 
Творець електромобіля, член клубу
Не в мережі

Звідки: Дніпро, Україна
Дякував (ла) 635 Подякували 607
Мій електротранспорт: Trabant 601 Электро '76, Nissan Leaf Aze0 '13




Повернутися до початку
 Профіль  
Відповісти цитуючи  
 Заголовок повідомлення: Re: Trabant 601 (Jekabes, Днепр)
#118010Повідомлення 30 квіт 2021, 12:10 
Творець електромобіля, член клубу
Не в мережі

Звідки: Дніпро, Україна
Дякував (ла) 635 Подякували 607
Мій електротранспорт: Trabant 601 Электро '76, Nissan Leaf Aze0 '13
За 33 дня приехал разъемчик, 3 фазы 32А
https://a.aliexpress.com/_mt4HgZr
Но это потом........ тут хоть бы собрать.
Уже снял рессору, сегодня после обеда планирую вытянуть рейку и подрамник.


Додаткові файли:
IMG_20210430_125012.jpg
IMG_20210430_125012.jpg [ 253.14 КБ | Переглядів: 13194 ]
IMG_20210430_125034.jpg
IMG_20210430_125034.jpg [ 247.8 КБ | Переглядів: 13194 ]
Повернутися до початку
 Профіль  
Відповісти цитуючи  
 Заголовок повідомлення: Re: Trabant 601 (Jekabes, Днепр)
#118019Повідомлення 30 квіт 2021, 15:44 
Творець електромобіля, член клубу
Не в мережі

Звідки: Дніпро, Україна
Дякував (ла) 635 Подякували 607
Мій електротранспорт: Trabant 601 Электро '76, Nissan Leaf Aze0 '13
Всё разобрал!


Додаткові файли:
IMG_20210430_164306.jpg
IMG_20210430_164306.jpg [ 382.58 КБ | Переглядів: 13176 ]
Повернутися до початку
 Профіль  
Відповісти цитуючи  
 Заголовок повідомлення: Re: Trabant 601 (Jekabes, Днепр)
#118037Повідомлення 01 трав 2021, 07:10 
Творець електромобіля, член клубу
Не в мережі

Звідки: Жмеринка
Дякував (ла) 159 Подякували 692
Мій електротранспорт: Ел-Пежо 205 - 30000км ........ ..... Ел-FAW 6371 - 70000км
Любишь ты свою машинку :bravo:

_________________
Пробіг на Эл-Пежо 30 000км
Пробіг на єл-FAW 6371 60 000км


Повернутися до початку
 Профіль  
Відповісти цитуючи  
 Заголовок повідомлення: Re: Trabant 601 (Jekabes, Днепр)
#118142Повідомлення 05 трав 2021, 05:48 
Творець електромобіля, член клубу
Не в мережі

Звідки: Дніпро, Україна
Дякував (ла) 635 Подякували 607
Мій електротранспорт: Trabant 601 Электро '76, Nissan Leaf Aze0 '13




Повернутися до початку
 Профіль  
Відповісти цитуючи  
 Заголовок повідомлення: Re: Trabant 601 (Jekabes, Днепр)
#118152Повідомлення 05 трав 2021, 18:23 
Не в мережі

Звідки: Днепр
Дякував (ла) 1226 Подякували 1240
С днём рождения! :winken:
Очень хорошо, что не боишься делать работы, с которыми не знаком!
Очень хорошо и очень правильно! Всё получится, если хочешь...точно говорю.
Кстати песочка есть совсем не далеко от тебя - первый перекрёсток от евпаторийского моста налево и там ещё с пару километров в промзоне.
Молодые хлопчики , делают хорошо и недорого.
Надо будет подробнее - пиши/звони, расскажу


Повернутися до початку
 Профіль  
Відповісти цитуючи  
 Заголовок повідомлення: Re: Trabant 601 (Jekabes, Днепр)
#118166Повідомлення 07 трав 2021, 08:02 
Творець електромобіля, член клубу
Не в мережі

Звідки: Дніпро, Україна
Дякував (ла) 635 Подякували 607
Мій електротранспорт: Trabant 601 Электро '76, Nissan Leaf Aze0 '13



Вчера двигатель занял своё место.
А также забрал поворотные кулаки. Один подшипник токарь испортил при запрессовке. Начинается веселуха с тормозами...


Додаткові файли:
IMG_20210506_172651.jpg
IMG_20210506_172651.jpg [ 395.67 КБ | Переглядів: 12954 ]
Повернутися до початку
 Профіль  
Відповісти цитуючи  
 Заголовок повідомлення: Re: Trabant 601 (Jekabes, Днепр)
#118254Повідомлення 09 трав 2021, 07:13 
Творець електромобіля, член клубу
Не в мережі

Звідки: Дніпро, Україна
Дякував (ла) 635 Подякували 607
Мій електротранспорт: Trabant 601 Электро '76, Nissan Leaf Aze0 '13
Всем кому интересно, как вкорячить дисковые тормоза в родные кулаки от трабанта прошу к просмотру! :)




Повернутися до початку
 Профіль  
Відповісти цитуючи  
 Заголовок повідомлення: Re: Trabant 601 (Jekabes, Днепр)
#118257Повідомлення 09 трав 2021, 08:06 
Не в мережі

Звідки: Днепр
Дякував (ла) 1226 Подякували 1240
Методика подгонки/моделирования правильная. А вот с конечными решениями есть вопросы. Шо с вылетом? Делал ли предварительные замеры исходника и прикидывал ли на сколько и как изменится при переделке?
Аргументы типа «...я быстро не езжу, управляемость пофиг, и др....» не принимаются ;)
И крепёж переходной пластины кулак-скоба не нравится совсем. Слишком малые расстояния до тех двух отверстий м8 на кулаке. Плюс стрёмное решение с выносом на шестигранниках. Много консолей с малыми плечами.
Конечно правильно было бы предложить правильную альтернативу, но сходу не получается :? да и по картинкам и видео тоже сложно.
Не знаю на сколько подправит ситуацию сварка, но просто на двух болтиках не годится совершенно...
Я бы думал дальше...


Повернутися до початку
 Профіль  
Відповісти цитуючи  
 Заголовок повідомлення: Re: Trabant 601 (Jekabes, Днепр)
#118267Повідомлення 09 трав 2021, 19:35 
Не в мережі

Звідки: Украина, Харьков
Дякував (ла) 178 Подякували 163
Хочу електротранспорт: tesla roadster 2
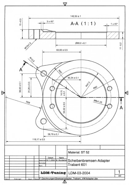
Невозможно не согласится с инженером, крепление переднего суппорта очень слабое. Вам нужна полноценная план-шайба такая же как у Вас сзади. Есть много поделок под суппорт VW
https://www.ldm-tuning.de/trabant_601/tuningteile/bremsen/seite_3.htm


Додаткові файли:
trb.jpg
trb.jpg [ 142.54 КБ | Переглядів: 12836 ]
trb1.jpg
trb1.jpg [ 173.3 КБ | Переглядів: 12836 ]
Повернутися до початку
 Профіль  
Відповісти цитуючи  
 Заголовок повідомлення: Re: Trabant 601 (Jekabes, Днепр)
#118270Повідомлення 09 трав 2021, 23:06 
Власник електромобіля
Не в мережі

Звідки: Poltava
Дякував (ла) 109 Подякували 51
Мій електротранспорт: USA AZEO, 2014/S
Хочу електротранспорт: теслу
Напомнило анекдот, вы мне тут сварочкой прихватите, а я дома намертво проволкой прикручу.
Рашение очень не надежное учитывая качество наших дорог....


Повернутися до початку
 Профіль  
Відповісти цитуючи  
 Заголовок повідомлення: Re: Trabant 601 (Jekabes, Днепр)
#118271Повідомлення 09 трав 2021, 23:27 
Творець електромобіля
Аватара користувача
Не в мережі

Звідки: Украина Киев
Дякував (ла) 28 Подякували 114
Мій електротранспорт: Trabant 601S electro в постройке
Выбор суппортов отличный, по крайней мере с точки зрения ремонтопригодности и цены.
Вспоминаю Льва точнее его переделку, он просто сделал две косынки и приварил их. Варить однозначно надо, так на шпильках не годится. Для примерки и выставить сойдет, для езды точно нет. И тут наступает делема. Если варить значит нагреть так неслабо подшипники по тому как они там рядом стоят. Значит по хорошему надо запресовывать туда которые не жалко, выставлять, варить а потом нормальные.
Второй момент. А он не менее важный. Переходная пластина что выше моего поста идет под суппорта второго гольфа, но на машинах разных лет она садится по разному. Я её вытачивал под заказ, и когда сажаю для примерки ступицу, то у меня получается меньше места чем у немца на этом видео.
https://youtu.be/ubHBiIqqpo4
Есть маленькая проблемка, и она в том что суппорта ваза крепятся с зади а vw спереди на эту пластину. И в идеале если набросать чертеж по быстрому то пластина должна иметь ступеньку для крепления суппортов.


Повернутися до початку
 Профіль  
Відповісти цитуючи  
 Заголовок повідомлення: Re: Trabant 601 (Jekabes, Днепр)
#118280Повідомлення 10 трав 2021, 08:57 
Не в мережі

Звідки: Днепр
Дякував (ла) 1226 Подякували 1240
XAOYAG писав(ла):
Значит по хорошему надо запресовывать туда которые не жалко, выставлять, варить а потом нормальны

...совершенно точно. Только лучше не подшипник,а болванку выточенную с бОльшим плюсом по внутреннему диаметру и минусом по внешнему. Чтобы во время примерки не запрессовывать/выпрессовывать в кулак и на ступицу, а одевать/снимать. Но если такой возможности нет, то подшипник сгодится...


Повернутися до початку
 Профіль  
Відповісти цитуючи  
 Заголовок повідомлення: Re: Trabant 601 (Jekabes, Днепр)
#118284Повідомлення 10 трав 2021, 11:36 
Творець електромобіля
Аватара користувача
Не в мережі

Звідки: Украина Киев
Дякував (ла) 28 Подякували 114
Мій електротранспорт: Trabant 601S electro в постройке
Я подозревал что прийдется точить болванку, но ненаписал, подумал вдруг мне в голову странные идеи приходят, а нет..... :o :D


Повернутися до початку
 Профіль  
Відповісти цитуючи  
 Заголовок повідомлення: Re: Trabant 601 (Jekabes, Днепр)
#118285Повідомлення 10 трав 2021, 11:46 
Не в мережі

Звідки: Днепр
Дякував (ла) 1226 Подякували 1240
XAOYAG писав(ла):
подумал вдруг мне в голову странные идеи приходят, а нет.....

...странные идеи, а точнее - одинаково странные, приходят в голову людям, одинаково странно мыслящим... :lol: А таких «странных» в реальности немало... ;)


Повернутися до початку
 Профіль  
Відповісти цитуючи  
Показати повідомлення за:  Поле сортування  
Почати нову тему Відповісти на тему  [ Повідомлень: 1495 ]              На сторінку Пред.  1 ... 64, 65, 66, 67, 68, 69, 70 ... 100  Наступ.

Часовий пояс: UTC + 2 години


Хто зараз на конференції

Зараз цей форум переглядають: немає зареєстрованих користувачів і гості: 220


Ви не можете створювати нові теми
Ви не можете відповідати на повідомлення
Ви не можете редагувати свої повідомлення
Ви не можете видаляти свої повідомлення
Ви не можете додавати додаткові файли

Найти:
Створено на основі phpBB® Forum Software © phpBB Group