Поточний час: 31 січ 2026, 23:55

Часовий пояс: UTC + 2 години


Правила форума


Обговорення лише самостійно зібраних/переобладнаних електромобілів на ходу


Почати нову тему Відповісти на тему  [ Повідомлень: 421 ]  На сторінку Пред.  1 ... 17, 18, 19, 20, 21, 22, 23 ... 29  Наступ.
Автор Повідомлення
 Заголовок повідомлення: Re: E-Boxer by Renegate
#128510Повідомлення 01 вер 2022, 22:24 
Творець електромобіля
Не в мережі

Звідки: Одесса
Дякував (ла) 260 Подякували 141
Мій електротранспорт: Пежо Боксер
Хочу електротранспорт: уже имею
ничего не надо. все встроено.

_________________
не говорите, что мне делать - я не скажу куда вам идти


Повернутися до початку
 Профіль  
Відповісти цитуючи  
 Заголовок повідомлення: Re: E-Boxer by Renegate
#128625Повідомлення 13 вер 2022, 12:05 
Творець електромобіля
Не в мережі

Звідки: Одесса
Дякував (ла) 260 Подякували 141
Мій електротранспорт: Пежо Боксер
Хочу електротранспорт: уже имею
такой DC/DC обязательно подключать в систему охлаждения?


Додаткові файли:
IMG20220913115959.jpg
IMG20220913115959.jpg [ 356.92 КБ | Переглядів: 11537 ]

_________________
не говорите, что мне делать - я не скажу куда вам идти
Повернутися до початку
 Профіль  
Відповісти цитуючи  
 Заголовок повідомлення: Re: E-Boxer by Renegate
#128629Повідомлення 13 вер 2022, 17:42 
Не в мережі

Звідки: Днепр
Дякував (ла) 1199 Подякували 1184
Хорошо было б наверное подключить. А так видимо от нагрузки зависит степень «разогреваемости»


Повернутися до початку
 Профіль  
Відповісти цитуючи  
 Заголовок повідомлення: Re: E-Boxer by Renegate
#128632Повідомлення 13 вер 2022, 18:43 
Творець електромобіля
Не в мережі

Звідки: Одесса
Дякував (ла) 260 Подякували 141
Мій електротранспорт: Пежо Боксер
Хочу електротранспорт: уже имею
Инженер писав(ла):
Хорошо было б наверное подключить. А так видимо от нагрузки зависит степень «разогреваемости»

Он уже подключен. В рабочем режиме ток примерно 11А. Нагрев мерял рукой - теплый. Вот и думаю стоит ли возиться с его интеграцией под капот и подключением в систему охлаждения. Может у кого был опыт использования.

_________________
не говорите, что мне делать - я не скажу куда вам идти


Повернутися до початку
 Профіль  
Відповісти цитуючи  
 Заголовок повідомлення: Re: E-Boxer by Renegate
#128633Повідомлення 14 вер 2022, 08:14 
Не в мережі

Звідки: Днепр
Дякував (ла) 1199 Подякували 1184
Renegate писав(ла):
Вот и думаю стоит ли возиться с его интеграцией под капот и подключением в систему охлаждения.

По фэншую - да, а так...на усмотрение хозяина :D


Повернутися до початку
 Профіль  
Відповісти цитуючи  
 Заголовок повідомлення: Re: E-Boxer by Renegate
#128642Повідомлення 14 вер 2022, 21:23 
Творець електромобіля, член клубу
Не в мережі

Звідки: Днепропетровск
Дякував (ла) 215 Подякували 253
Мій електротранспорт: пока только Электроскутер
Хочу електротранспорт: нисан лиф уже не хочу! Тесла хочу!
У меня на бусе такой без охлаждения три года, полет нормальный


Повернутися до початку
 Профіль  
Відповісти цитуючи  
 Заголовок повідомлення: Re: E-Boxer by Renegate
#128643Повідомлення 15 вер 2022, 07:56 
Творець електромобіля, член клубу
Аватара користувача
Не в мережі

Звідки: Запорожье
Дякував (ла) 415 Подякували 1019
Мій електротранспорт: ROVER 75
Хочу електротранспорт: электробус
Работать по идее должно,но если японцьі поставили контур охлаждения,то советую и вам так же сделать....иначе вьі снижаете надежность устройства,что может привести к его поломке в самьій не подходящий момент....

_________________
подтягивайтесь на страничку
https://www.facebook.com/Create-your-el ... 8811748137
постараюсь чтобы было интересно!


Повернутися до початку
 Профіль  
Відповісти цитуючи  
 Заголовок повідомлення: Re: E-Boxer by Renegate
#128659Повідомлення 17 вер 2022, 19:17 
Активіст форуму
Аватара користувача
Не в мережі

Звідки: луганск-одесса
Дякував (ла) 56 Подякували 52
Мій електротранспорт: Nissan leaf
Хочу електротранспорт: Шоб заряжался швидше а проїзджал бiльше
тоже голосую за подключение циркуляции бо так бывает шо обстоятельства сходятся в какой то критической точке и заставляют агрегат работать на износ. Хз шо это может быть но лудше перестраховацца ;)

_________________
Желающий создавать находит средства. Не желающий- причину


Повернутися до початку
 Профіль  
Відповісти цитуючи  
 Заголовок повідомлення: Re: E-Boxer by Renegate
#129065Повідомлення 12 жовт 2022, 20:16 
Творець електромобіля
Не в мережі

Звідки: Одесса
Дякував (ла) 260 Подякували 141
Мій електротранспорт: Пежо Боксер
Хочу електротранспорт: уже имею
Кто-то использует зарядное/dc-dc от mitsubishi outlander PHEV ?
такого плана


Додаткові файли:
IMG20221012093814.jpg
IMG20221012093814.jpg [ 479.69 КБ | Переглядів: 11280 ]
IMG20221012093811.jpg
IMG20221012093811.jpg [ 503.88 КБ | Переглядів: 11280 ]
IMG20221012094310.jpg
IMG20221012094310.jpg [ 716.22 КБ | Переглядів: 11280 ]

_________________
не говорите, что мне делать - я не скажу куда вам идти
Повернутися до початку
 Профіль  
Відповісти цитуючи  
 Заголовок повідомлення: Re: E-Boxer by Renegate
#130860Повідомлення 05 січ 2023, 00:24 
Творець електромобіля
Не в мережі

Звідки: Одесса
Дякував (ла) 260 Подякували 141
Мій електротранспорт: Пежо Боксер
Хочу електротранспорт: уже имею
В преддверии нового года начат новый проект - тепловой насос. Да не совсем электроавтосам, скорее электросам :D
Инверторный компрессор запускается приблудой с алиэкспресса под контролем платы ССS-008 оттуда же.
Первый запуск на видео. Конечно в классическом варианте с торчащими проводами везде. {!_!}



Весной планирую вернуться к установке теплового насоса в Пежо Боксер на базе компрессора от Лифа - надоела вонь вебасты.

_________________
не говорите, что мне делать - я не скажу куда вам идти


Повернутися до початку
 Профіль  
Відповісти цитуючи  
 Заголовок повідомлення: Re: E-Boxer by Renegate
#133254Повідомлення 27 черв 2023, 09:35 
Творець електромобіля
Не в мережі

Звідки: Одесса
Дякував (ла) 260 Подякували 141
Мій електротранспорт: Пежо Боксер
Хочу електротранспорт: уже имею
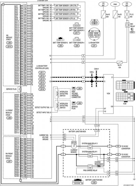
Встречал две схемы батарея+бмс от лифа.
У них в разных местах расположен датчик тока. Как лучше?
Нужен ли контактор на минус батареи?


Додаткові файли:
circuit-diagram-battery-nissan-leaf (1).png
circuit-diagram-battery-nissan-leaf (1).png [ 1.23 МБ | Переглядів: 10220 ]
$_57 (1).JPG
$_57 (1).JPG [ 297.04 КБ | Переглядів: 10220 ]

_________________
не говорите, что мне делать - я не скажу куда вам идти
Повернутися до початку
 Профіль  
Відповісти цитуючи  
 Заголовок повідомлення: Re: E-Boxer by Renegate
#133255Повідомлення 27 черв 2023, 10:47 
Не в мережі

Звідки: Україна
Дякував (ла) 1653 Подякували 329
Мій електротранспорт: а ти чого, пацан, інтєрєсуєшся?
Припущу, що це схеми від ZE0 і AZE0. Залишилось тільки з'ясувати яка є яка, і від чого сАме БМС в наявності.

upd. Схоже, що так воно і є. Перша від ZE0, з трьома інтерлоками, один з яких через PTC.


Повернутися до початку
 Профіль  
Відповісти цитуючи  
 Заголовок повідомлення: Re: E-Boxer by Renegate
#133256Повідомлення 27 черв 2023, 12:49 
Творець електромобіля, член клубу
Аватара користувача
Не в мережі

Звідки: Украина,Киев
Дякував (ла) 115 Подякували 689
Мій електротранспорт: ЗАЗ 965e, Peugeot Partner (продан), Renault Zoe, Renault Fluence, Tesla Model 3
Первая схема АЗЕО, вторая ЗЕО так как там 4 термодатчика и датчик тока в блоке контакторов


Повернутися до початку
 Профіль  
Відповісти цитуючи  
 Заголовок повідомлення: Re: E-Boxer by Renegate
#133274Повідомлення 28 черв 2023, 15:09 
Творець електромобіля
Не в мережі

Звідки: Одесса
Дякував (ла) 260 Подякували 141
Мій електротранспорт: Пежо Боксер
Хочу електротранспорт: уже имею
Имеет значение где размещен шунт?

_________________
не говорите, что мне делать - я не скажу куда вам идти


Повернутися до початку
 Профіль  
Відповісти цитуючи  
 Заголовок повідомлення: Re: E-Boxer by Renegate
#133275Повідомлення 28 черв 2023, 15:53 
Творець електромобіля, член клубу
Не в мережі

Звідки: Днепропетровск
Дякував (ла) 215 Подякували 253
Мій електротранспорт: пока только Электроскутер
Хочу електротранспорт: нисан лиф уже не хочу! Тесла хочу!
Если имеется в виду датчик тока, то нет


Повернутися до початку
 Профіль  
Відповісти цитуючи  
Показати повідомлення за:  Поле сортування  
Почати нову тему Відповісти на тему  [ Повідомлень: 421 ]              На сторінку Пред.  1 ... 17, 18, 19, 20, 21, 22, 23 ... 29  Наступ.

Часовий пояс: UTC + 2 години


Хто зараз на конференції

Зараз цей форум переглядають: немає зареєстрованих користувачів і гості: 229


Ви не можете створювати нові теми
Ви не можете відповідати на повідомлення
Ви не можете редагувати свої повідомлення
Ви не можете видаляти свої повідомлення
Ви не можете додавати додаткові файли

Найти:
Створено на основі phpBB® Forum Software © phpBB Group