Поточний час: 27 квіт 2026, 16:15

Часовий пояс: UTC + 2 години



Почати нову тему Відповісти на тему  [ Повідомлень: 462 ]  На сторінку Пред.  1 ... 3, 4, 5, 6, 7, 8, 9 ... 31  Наступ.
Автор Повідомлення
 Заголовок повідомлення: Re: Зарядки Дельта
#32644Повідомлення 28 січ 2017, 22:14 
Власник електровелосипеда
Не в мережі

Звідки: Киев
Дякував (ла) 243 Подякували 617
Мій електротранспорт: Ё
Vladimirvv писав(ла):
Ячейки в параллель соединить проводами одинаковой длинны в "пучок".Затем эти "пучки" соединяйте последовательно,получите тяговую..

Извините , я не понимаю , что такое "пучки" , что такое " получите тяговую".
Нарисовали бы , хоть на клочке бумаги.

_________________
Э-вел,3 кВт Quanshun,Келли 200А,ли-ион,3.2кВтЧ,(LG 48АЧ, 21S) , max 75 км\ч, > 60 000 км


Повернутися до початку
 Профіль  
Відповісти цитуючи  
 Заголовок повідомлення: Re: Зарядки Дельта
#32653Повідомлення 28 січ 2017, 23:53 
Site Admin
Аватара користувача
Не в мережі

Звідки: город Киев
Дякував (ла) 423 Подякували 1180
Мій електротранспорт: Nissan Leaf
-=TRO=- писав(ла):
А что бы посчитать самостоятельно, то нужно просто сократить число параллельных элементов до трех, убрать источники напряжения (там всего то 7 сопротивлений остается, по два из них последовательно, т.е. в расчете будет всего пять), подать напряжение вместо нагрузки, и посчитать ручками по закону Ома распределение токов по веткам.

Кто не верит в симулятор, считайте (51 это бывшие последовательно 50 и 1).
Я симулятору в моделировании сопротивлений верю, убеждался неоднократно.

Оно то да, если сильно упростить, то может и срастется все, а вот если не упрощать, и параллельных ячеек много, то ситуация выглядит по-другому.
На рисунке по красной и синей цепи течет разный ток (при одинаковом напряжении ячеек). Или мне показалось?


Додаткові файли:
бат_парал.JPG
бат_парал.JPG [ 79.23 КБ | Переглядів: 9104 ]

_________________
Чем скуднее знания, тем категоричней суждения.

"Глупцы все, кто глупцами кажутся и половина тех, что не кажется". (Бальтасар Грасиан)
Повернутися до початку
 Профіль  
Відповісти цитуючи  
 Заголовок повідомлення: Re: Зарядки Дельта
#32657Повідомлення 29 січ 2017, 00:08 
Власник електровелосипеда
Не в мережі

Звідки: Киев
Дякував (ла) 243 Подякували 617
Мій електротранспорт: Ё
Цитата:
Или мне показалось?

Вам не показалось, в том и фишка , что по мнению симулятора , нет таких точек подключения нагрузки , при котором через элементы протекали бы равные токи.
Перекосы буду в любом варианте.

_________________
Э-вел,3 кВт Quanshun,Келли 200А,ли-ион,3.2кВтЧ,(LG 48АЧ, 21S) , max 75 км\ч, > 60 000 км


Повернутися до початку
 Профіль  
Відповісти цитуючи  
 Заголовок повідомлення: Re: Зарядки Дельта
#32659Повідомлення 29 січ 2017, 00:41 
Site Admin
Аватара користувача
Не в мережі

Звідки: город Киев
Дякував (ла) 423 Подякували 1180
Мій електротранспорт: Nissan Leaf
Не согласен. В изначальном варианте таких перекосов не наблюдается.
На рисунке по красной, синей и зеленой цепи течет одинаковый ток. Или мне показалось?


Додаткові файли:
ScreenShot_.jpg
ScreenShot_.jpg [ 77.02 КБ | Переглядів: 9095 ]

_________________
Чем скуднее знания, тем категоричней суждения.

"Глупцы все, кто глупцами кажутся и половина тех, что не кажется". (Бальтасар Грасиан)
Повернутися до початку
 Профіль  
Відповісти цитуючи  
 Заголовок повідомлення: Re: Зарядки Дельта
#32663Повідомлення 29 січ 2017, 01:18 
Власник електровелосипеда
Не в мережі

Звідки: Киев
Дякував (ла) 243 Подякували 617
Мій електротранспорт: Ё
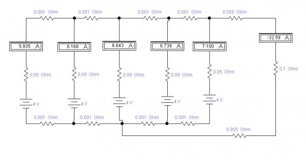
Для простоты и удобства я сократил количество элементов из схемы ТРО , до 5 штук , вместо 10.
Суть от этого не меняется.
Программа - Workbench , Протеус слишком тяжелый.

Додаткові файли:
ScreenShot.jpg0.jpg
ScreenShot.jpg0.jpg [ 32.94 КБ | Переглядів: 9093 ]


Додаткові файли:
ScreenShot.jpg1.jpg
ScreenShot.jpg1.jpg [ 33.54 КБ | Переглядів: 9093 ]


Додаткові файли:
ScreenShot.jpg3.jpg
ScreenShot.jpg3.jpg [ 32.33 КБ | Переглядів: 9093 ]


Додаткові файли:
ScreenShot.jpg4.jpg
ScreenShot.jpg4.jpg [ 32.19 КБ | Переглядів: 9093 ]


Додаткові файли:
ScreenShot.jpg5.jpg
ScreenShot.jpg5.jpg [ 33.11 КБ | Переглядів: 9093 ]


Додаткові файли:
ScreenShot.jpg7.jpg
ScreenShot.jpg7.jpg [ 32.05 КБ | Переглядів: 9093 ]

_________________
Э-вел,3 кВт Quanshun,Келли 200А,ли-ион,3.2кВтЧ,(LG 48АЧ, 21S) , max 75 км\ч, > 60 000 км


Повернутися до початку
 Профіль  
Відповісти цитуючи  
 Заголовок повідомлення: Re: Зарядки Дельта
#32664Повідомлення 29 січ 2017, 01:21 
Власник електровелосипеда
Не в мережі

Звідки: Киев
Дякував (ла) 243 Подякували 617
Мій електротранспорт: Ё
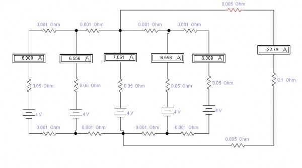
И последний вариант , в предыдущий пост не влезло.

Додаткові файли:
ScreenShot.jpg8.jpg
ScreenShot.jpg8.jpg [ 32.96 КБ | Переглядів: 9092 ]


Вроде бы перебрал все возможные разумные варианты, но как видите , в любом варианте подключения нагрузки, ток через элементы не равен ( не одинаков) .

В первом варианте , который обычно и применяют неопытные сборщики батарей перекос просто жуткий.
В остальных - он меньше , но все же есть.
Все это по мнению симулятора , а как на самом деле?

_________________
Э-вел,3 кВт Quanshun,Келли 200А,ли-ион,3.2кВтЧ,(LG 48АЧ, 21S) , max 75 км\ч, > 60 000 км


Повернутися до початку
 Профіль  
Відповісти цитуючи  
 Заголовок повідомлення: Re: Зарядки Дельта
#32666Повідомлення 29 січ 2017, 07:21 
Творець електромобіля
Аватара користувача
Не в мережі

Звідки: Tumen
Дякував (ла) 166 Подякували 68
Мій електротранспорт: Заз 968м
irde писав(ла):
Vladimirvv писав(ла):
Ячейки в параллель соединить проводами одинаковой длинны в "пучок".Затем эти "пучки" соединяйте последовательно,получите тяговую..

Извините , я не понимаю , что такое "пучки" , что такое " получите тяговую".
Нарисовали бы , хоть на клочке бумаги.

Ячейки,которые нужно соединить в параллель,соединяете проводами одинаковой длинны( у них одинаковое сопротивление):
Минуса ячеек в одну точку,плюса- в другую.И к этим точкам подключайте зарядку или нагрузку.
Чтобы тяговую батарею получить,соединяйте получившиеся ячейки последовательно.
Что касается метода Сороки,надо сделать проверку программы симулятора,когда все токи ячеек известны,с программы симулятора,легко просчитать все остальное,например,общий ток,тоже известный.Но это мало,надо точки напряжения проверить,чтоб нигде конфликта не было.Займусь,но позже.
По общему току сошлось 32.37=32.365( рис. download/file.php?id=7135&mode=view )

_________________
ЗАЗ 968М-электро
http://electricmobile.org.ua/forum/view ... =33&t=1087


Повернутися до початку
 Профіль  
Відповісти цитуючи  
 Заголовок повідомлення: Re: Зарядки Дельта
#32671Повідомлення 29 січ 2017, 10:36 
Власник електровелосипеда, член клубу
Аватара користувача
Не в мережі

Звідки: Запорожье
Дякував (ла) 298 Подякували 1099
Мій електротранспорт: >
irde писав(ла):
И последний вариант , в предыдущий пост не влезло.

Зображення


И как видим этот вариант самый оптимальный для такого конфига при двухточечном токосъеме, и дает максимальную разницу токов между банками всего 0,25А вместо 0,5А по схеме предложенной Сорокой. Это в два раза лучше.

_________________
2 моноколеса, 2 электровела, 2 подводных буксира, надувной электро-каяк.


Повернутися до початку
 Профіль  
Відповісти цитуючи  
 Заголовок повідомлення: Re: Зарядки Дельта
#32675Повідомлення 29 січ 2017, 12:02 
Site Admin
Аватара користувача
Не в мережі

Звідки: город Киев
Дякував (ла) 423 Подякували 1180
Мій електротранспорт: Nissan Leaf
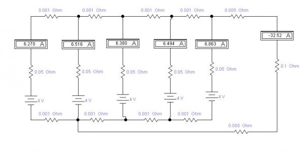
Все верно.
На схеме я цифрами обозначил токи на перемычках, исходя из тока каждой ячейки 10А. Это то, что не бросается в глаза, но на крайних ячейках создается легкий перекос по напряжению исходя из разных токов на верхней и нижней перемычках (на крайних ячейках разница 30А, на средних 10А). В итоге, это и делает разбег по ячейкам.


Додаткові файли:
ScreenS__.jpg1.jpg
ScreenS__.jpg1.jpg [ 47.23 КБ | Переглядів: 9055 ]

_________________
Чем скуднее знания, тем категоричней суждения.

"Глупцы все, кто глупцами кажутся и половина тех, что не кажется". (Бальтасар Грасиан)
Повернутися до початку
 Профіль  
Відповісти цитуючи  
 Заголовок повідомлення: Re: Зарядки Дельта
#32677Повідомлення 29 січ 2017, 16:11 
Творець електромобіля
Аватара користувача
Не в мережі

Звідки: Tumen
Дякував (ла) 166 Подякували 68
Мій електротранспорт: Заз 968м
Vladimirvv писав(ла):
irde писав(ла):
Vladimirvv писав(ла):
Ячейки в параллель соединить проводами одинаковой длинны в "пучок".Затем эти "пучки" соединяйте последовательно,получите тяговую..

Извините , я не понимаю , что такое "пучки" , что такое " получите тяговую".
Нарисовали бы , хоть на клочке бумаги.

Ячейки,которые нужно соединить в параллель,соединяете проводами одинаковой длинны( у них одинаковое сопротивление):
Минуса ячеек в одну точку,плюса- в другую.И к этим точкам подключайте зарядку или нагрузку.
Чтобы тяговую батарею получить,соединяйте получившиеся ячейки последовательно.
Что касается метода Сороки,надо сделать проверку программы симулятора,когда все токи ячеек известны,с программы симулятора,легко просчитать все остальное,например,общий ток,тоже известный.Но это мало,надо точки напряжения проверить,чтоб нигде конфликта не было.Займусь,но позже.
По общему току сошлось 32.37=32.365( рис. download/file.php?id=7135&mode=view )

1-баланс токов источников совпал 32.37=32.365.
2- по токам определены падения напряжения на резисторах
3- проверен баланс напряжений всех 5 источников: крайние сошлись с превышением +0.02 вольта,3 внутренних сошлись с минусом - 0.04 вольта.
(Е1=4.021v)(Е2=3.961v)(Е3=3.961v)(Е4=3.962v)(Е5=4.018v);
Округлял до третьего знака после запятой.
Общее впечатление,что программа немного врёт.
Фото не очень,планшетом снял.


Додаткові файли:
IMG_20170129_191237.jpg
IMG_20170129_191237.jpg [ 959.06 КБ | Переглядів: 9038 ]

_________________
ЗАЗ 968М-электро
http://electricmobile.org.ua/forum/view ... =33&t=1087
Повернутися до початку
 Профіль  
Відповісти цитуючи  
 Заголовок повідомлення: Re: Зарядки Дельта
#32678Повідомлення 29 січ 2017, 16:35 
Власник електровелосипеда, член клубу
Аватара користувача
Не в мережі

Звідки: Запорожье
Дякував (ла) 298 Подякували 1099
Мій електротранспорт: >
Vladimirvv, в воркбенче в котором мы симулируем, сопротивление амперметра по умолчанию 1 миллиОм, поэтому в расчетах это сопротивление нужно прибавить к последовательно с ним стоящему резистору, возможно ваши расчеты из за этого немного не совпадают.

_________________
2 моноколеса, 2 электровела, 2 подводных буксира, надувной электро-каяк.


Повернутися до початку
 Профіль  
Відповісти цитуючи  
 Заголовок повідомлення: Re: Зарядки Дельта
#32679Повідомлення 29 січ 2017, 16:54 
Творець електромобіля
Аватара користувача
Не в мережі

Звідки: Tumen
Дякував (ла) 166 Подякували 68
Мій електротранспорт: Заз 968м
-=TRO=- писав(ла):
Vladimirvv, в воркбенче в котором мы симулируем, сопротивление амперметра по умолчанию 1 миллиОм, поэтому в расчетах это сопротивление нужно прибавить к последовательно с ним стоящему резистору, возможно ваши расчеты из за этого немного не совпадают.

Оно получается в 50 раз меньше,врядли такая добавка изменит картину.
У дяди Васи тоже по крайним источникам "не то".Да и по токам видно.
Балансы напряжений явно не сходятся,если программа правильно посчитала,они толжны сойтись точнее,четыре сотки много,я округлял четвёртый знак после запятой до третьего.
И вообще,что мы копья ломаем,шинка из меди 1мм на 10 мм длинной 1 метр имеет 1.7мом сопротивление,нам 5 ячеек закрыть надо в 5 раз короче,т.е 0.3 мом получается,а у нас в расчетах 10 мом в сумме.???
Надо вместо 1 мом брать 0.1 мом и прогонять снова программу.ПРОБУЕМ так???

_________________
ЗАЗ 968М-электро
http://electricmobile.org.ua/forum/view ... =33&t=1087


Повернутися до початку
 Профіль  
Відповісти цитуючи  
 Заголовок повідомлення: Re: Зарядки Дельта
#32682Повідомлення 29 січ 2017, 18:01 
Власник електровелосипеда, член клубу
Аватара користувача
Не в мережі

Звідки: Запорожье
Дякував (ла) 298 Подякували 1099
Мій електротранспорт: >
Vladimirvv, можно конечно и с шинками считать, и с чем угодно, но обычно при сборке не ставять шины с таким запасом, а делают их согласно разумной достаточности, и если в букварях написано 10 ампер на квадрат меди, то так и ставят. К тому же дальше развивать эту тему я смысла не вижу, куда лучше присоединять вроде выяснили, а вот насколько будут перекосы в каждом конкретном случае, все равно нужно считать или симулировать отдельно, всех вариантов на форуме не переберешь. Да и от зарядок Дельта уж слишком отвлеклись, настолько что прямо выделить в отдельную тему просится.

_________________
2 моноколеса, 2 электровела, 2 подводных буксира, надувной электро-каяк.


Повернутися до початку
 Профіль  
Відповісти цитуючи  
 Заголовок повідомлення: Re: Зарядки Дельта
#32683Повідомлення 29 січ 2017, 18:15 
Власник електровелосипеда
Не в мережі

Звідки: Киев
Дякував (ла) 243 Подякували 617
Мій електротранспорт: Ё
Цитата:
Vladimirvv

Вы посмотрите на перемычки заводских батарей или на самодельные сборки,под заводские , там никелевая полоса ,0.1*5мм , а не медная 1мм проволока.
Да и то , в лучшем случае. В худшем- железная из непойми какого железа , покрытого никелем.

Поэтому, принимая в расчетах 1 мОм на перемычку считаю правильным.

_________________
Э-вел,3 кВт Quanshun,Келли 200А,ли-ион,3.2кВтЧ,(LG 48АЧ, 21S) , max 75 км\ч, > 60 000 км


Повернутися до початку
 Профіль  
Відповісти цитуючи  
 Заголовок повідомлення: Re: Зарядки Дельта
#32684Повідомлення 29 січ 2017, 18:34 
Творець електромобіля
Аватара користувача
Не в мережі

Звідки: Tumen
Дякував (ла) 166 Подякували 68
Мій електротранспорт: Заз 968м
Да,пора завязывать,проблему все поняли как решать,неважно что имеется в ввиду,схема,она и в Африке схема.А в электромобиле надо думать не только,чтоб провода не сгорели,но и проблемы решить.

_________________
ЗАЗ 968М-электро
http://electricmobile.org.ua/forum/view ... =33&t=1087


Повернутися до початку
 Профіль  
Відповісти цитуючи  
Показати повідомлення за:  Поле сортування  
Почати нову тему Відповісти на тему  [ Повідомлень: 462 ]              На сторінку Пред.  1 ... 3, 4, 5, 6, 7, 8, 9 ... 31  Наступ.

Часовий пояс: UTC + 2 години


Хто зараз на конференції

Зараз цей форум переглядають: немає зареєстрованих користувачів і гості: 20


Ви не можете створювати нові теми
Ви не можете відповідати на повідомлення
Ви не можете редагувати свої повідомлення
Ви не можете видаляти свої повідомлення
Ви не можете додавати додаткові файли

Найти:
Створено на основі phpBB® Forum Software © phpBB Group