Поточний час: 29 трав 2026, 22:23

Часовий пояс: UTC + 2 години


Правила форума


Обговорення лише самостійно зібраних/переобладнаних електромобілів на ходу


Почати нову тему Відповісти на тему  [ Повідомлень: 1495 ]  На сторінку Пред.  1 ... 40, 41, 42, 43, 44, 45, 46 ... 100  Наступ.
Автор Повідомлення
 Заголовок повідомлення: Re: Trabant 601 (Jekabes, Днепр)
#89923Повідомлення 06 вер 2019, 21:13 
Творець електромобіля, член клубу
Не в мережі

Звідки: Дніпро, Україна
Дякував (ла) 635 Подякували 607
Мій електротранспорт: Trabant 601 Электро '76, Nissan Leaf Aze0 '13
Валентин Михайлович, на счёт двоякого мнениния хочу подчеркнуть, что меня текущий мотор устраивает по большинству параметров и потребительских характеристик. До 70км/час на 3й передаче вообще без проблем, дальше просто не раскручиваю. По большому счёту с новой батареей расход меня мало волнует. Контроллер на 100%. Мне больше важно держаться в потоке в городе, чем мешать другим участникам движения. Смотрю далеко на перёд и стараюсь делать максимально большие выкаты. Если впереди красный, то спокойно могу катиться 200-300м. Если подъём не сильно затяжной, то легче брать его с разгона, чем тянуться 40км/час. Скоро установлю до конца PowerWatcher, сможем узнать расход. Датчик распредвала уже куплен, плата установлена. Осталось кинуть провода на датчик тока и установить датчик на полуось.

Тем временем на днях...




Повернутися до початку
 Профіль  
Відповісти цитуючи  
 Заголовок повідомлення: Re: Trabant 601 (Jekabes, Днепр)
#89945Повідомлення 07 вер 2019, 12:32 
Творець електромобіля, засновник клубу
Аватара користувача
Не в мережі

Звідки: Украина. Киев. †.
Дякував (ла) 872 Подякували 1389
Мій електротранспорт: "Электра 2"
Хочу електротранспорт: "Электра 3" вдвое легче, но с втрое бОльшим солнцеобеспечением
Охотно соглашусь, если расход энергии вашего привода окажется до 100 втчкм; Но ведь возможны и за 200 втчкм. , как и было с аналогичным приводом Трабанта у Руслана .( в крыму).... Проект, в конце концов, заглох.
.......Тогда и вспоминается неписанный закон экономики электропривода :
" Сэкономленное на дешёвом моторе, с лихвой вернётся потерями срока службы дорогой батареи "


Повернутися до початку
 Профіль  
Відповісти цитуючи  
 Заголовок повідомлення: Re: Trabant 601 (Jekabes, Днепр)
#89954Повідомлення 07 вер 2019, 15:52 
Творець електромобіля, член клубу
Не в мережі

Звідки: Запорожье
Дякував (ла) 1028 Подякували 324
Мій електротранспорт: электровелосипед 500Вт 55В, 350Вт 24В, электроЗАЗ-965
Михалыч писав(ла):
Но ведь возможны и за 200 втчкм. , как и было с аналогичным приводом Трабанта у Руслана .( в крыму)...

Это называется - плодим мифы. И кто - самый старожил-электросамодельщик!
Rule-X писав(ла):
До весны 2013 года катался на 4-х СК...После приобретения Цикланалиста и ходовых испытаний был оставлен один режим, с 4-мя обмотками "2+1+1", и хоть максимальная скорость движения составила всего 50 км/ч, ток при этом был 85А....

перемножаем - получаем 85Втч\км, что и подтверждают уже следующие замеры на лифере:
Rule-X писав(ла):
После установки батареи и ходовых испытаний, были получены следующие результаты:Расход по трассе 85 ваттчасов на километр.Максимальная скорость 50 км/ч.
После испытаний автомобиль был признан работоспособным и перспективным, а посему был разобран для полной реконструкции кузова и модернизации....

Зачем сбивать новичков, читающих сей форум, заведомо ложной информацией? Это информационная диверсия!

Кроме того, если "неписанный закон экономики электропривода :
" Сэкономленное на дешёвом моторе, с лихвой вернётся потерями срока службы дорогой батареи "" - принять действительно за аксиому, то напрашивается вопрос к автору предыдущего сообщения: а правильно ли он сам выбрал мотор, если со службой его недешёвой батареи хуже некуда????
на самом деле, это злые слова с моей стороны: я прекрасно понимаю, что у него - отличный мотор, и я искренне сочувствую его финансовым потерям, потраченным на эксперименты с недешёвым товаром; однако достали его категоричные высказывания, противоречащие часто объективной информации и часто самому себе ...


Повернутися до початку
 Профіль  
Відповісти цитуючи  
 Заголовок повідомлення: Re: Trabant 601 (Jekabes, Днепр)
#89957Повідомлення 07 вер 2019, 18:36 
Творець електромобіля, засновник клубу
Аватара користувача
Не в мережі

Звідки: Украина. Киев. †.
Дякував (ла) 872 Подякували 1389
Мій електротранспорт: "Электра 2"
Хочу електротранспорт: "Электра 3" вдвое легче, но с втрое бОльшим солнцеобеспечением
Ну, если , Для батареи, срок службы 10 лет, это хуже некуда, ? ?
Из моих общений с РулеХ, он снял быстроперегревающийся насосник, и искал ему замену. ОН давно не пояявлялся. Попробую связаться с ним -уточнить.


Повернутися до початку
 Профіль  
Відповісти цитуючи  
 Заголовок повідомлення: Re: Trabant 601 (Jekabes, Днепр)
#89967Повідомлення 07 вер 2019, 21:07 
Творець електромобіля, член клубу
Не в мережі

Звідки: Дніпро, Україна
Дякував (ла) 635 Подякували 607
Мій електротранспорт: Trabant 601 Электро '76, Nissan Leaf Aze0 '13
Сегодня затестил на "дальняк" новую(большую) батарейку из 40 б/у консерв с третьих рук)) В машине я, жена и 2х летний ребёнок, багажник тоже не пустой был, колёса "раком" стоят, развал никакой, хотя накат отличный, даже на небольших горках на нейтрали скорость хорошо набирает накатом.
Напомню свою конфигурацию 2.5 консервы в параллель и 16 штук последовательно - 32s5p.
PowerWatcher к сожалению не подключен, точный расход будет позже. Пока простыми цифрами...
Начальное напряжение 130.5В(4.05-4.10В)
Конечное напряжение 122В, на двух самых старых слабых ячейках 3.77В, остальные 3.79-3.85В.
Итого проехал на одном заряде 98км. Город-Трасса 50/50.
Думаю ещё 20км смог бы протянуть.
Скорость движения 50-60, местами до 70км/час на 3й передаче.
Передние колёса 155/80 R13 давление 2.15 бар, зад 165/70 давление 1.7 бар.
Двигатель горячий не более 60 градусов, лазерный пирометр забыл взять, нужно градусник установить в двигатель.
Далі буде...


Повернутися до початку
 Профіль  
Відповісти цитуючи  
 Заголовок повідомлення: Re: Trabant 601 (Jekabes, Днепр)
#89989Повідомлення 08 вер 2019, 10:39 
Творець електромобіля, член клубу
Не в мережі

Звідки: Дніпро, Україна
Дякував (ла) 635 Подякували 607
Мій електротранспорт: Trabant 601 Электро '76, Nissan Leaf Aze0 '13
Сегодня отказало самодельное реле поворотов, лампы светят, но не моргают. Дома буду разбираться. Скорее всего таймер 555 заглючил. Либо полевик пробило. Вскрою посмотрю...


Додаткові файли:
Screenshot_2019-09-08-11-23-33.png
Screenshot_2019-09-08-11-23-33.png [ 235.28 КБ | Переглядів: 20151 ]
Коментарій до файлу: Отработало 10 месяцев без проблем...
Screenshot_2019-09-08-11-38-11.png
Screenshot_2019-09-08-11-38-11.png [ 424.29 КБ | Переглядів: 20151 ]
Повернутися до початку
 Профіль  
Відповісти цитуючи  
 Заголовок повідомлення: Re: Trabant 601 (Jekabes, Днепр)
#89990Повідомлення 08 вер 2019, 11:31 
Творець електромобіля, член клубу
Не в мережі

Звідки: Жмеринка
Дякував (ла) 159 Подякували 692
Мій електротранспорт: Ел-Пежо 205 - 30000км ........ ..... Ел-FAW 6371 - 70000км
Jekabes писав(ла):
... самодельное реле поворотов...

Напоминает последнюю страницу журнала "Юный техник",она называлась "Зачем просто,если можно сложно" :?

_________________
Пробіг на Эл-Пежо 30 000км
Пробіг на єл-FAW 6371 60 000км


Повернутися до початку
 Профіль  
Відповісти цитуючи  
 Заголовок повідомлення: Re: Trabant 601 (Jekabes, Днепр)
#89991Повідомлення 08 вер 2019, 11:49 
Творець електромобіля, засновник клубу
Аватара користувача
Не в мережі

Звідки: Украина. Киев. †.
Дякував (ла) 872 Подякували 1389
Мій електротранспорт: "Электра 2"
Хочу електротранспорт: "Электра 3" вдвое легче, но с втрое бОльшим солнцеобеспечением
Евгений, если после пробега, температура мотора ~ 60 гр., то это уже хорошо.
Но, лучше бы, про батарею: вместо КОНФИГУРАЦИИ КОНСЕРВ, общепринятые величины амперчасы или квтчасы.


Повернутися до початку
 Профіль  
Відповісти цитуючи  
 Заголовок повідомлення: Re: Trabant 601 (Jekabes, Днепр)
#89997Повідомлення 08 вер 2019, 14:37 
Творець електромобіля, член клубу
Не в мережі

Звідки: Дніпро, Україна
Дякував (ла) 635 Подякували 607
Мій електротранспорт: Trabant 601 Электро '76, Nissan Leaf Aze0 '13
Goga65 писав(ла):
Jekabes писав(ла):
... самодельное реле поворотов...

Напоминает последнюю страницу журнала "Юный техник",она называлась "Зачем просто,если можно сложно" :?

Критикуете, предлагайте... зачем заниматься флудом в моей теме?

Михалыч писав(ла):
Евгений, если после пробега, температура мотора ~ 60 гр., то это уже хорошо.
Но, лучше бы, про батарею: вместо КОНФИГУРАЦИИ КОНСЕРВ, общепринятые величины амперчасы или квтчасы.

Новые консервы 66.6Ач, б/у консервы допустим 40Ач. Напряжение на ячейку 3.7В×32шт=118.4В
2.5консерв×40×118.4=11840Вт•ч
Расход (примерно)11840/120км=98.6Втч/км
Когда будет подключен и откалиброван PowerWatcher смогу более точно предоставить информацию про расход.


Повернутися до початку
 Профіль  
Відповісти цитуючи  
 Заголовок повідомлення: Re: Trabant 601 (Jekabes, Днепр)
#90057Повідомлення 09 вер 2019, 08:43 
Творець електромобіля, член клубу
Не в мережі

Звідки: Жмеринка
Дякував (ла) 159 Подякували 692
Мій електротранспорт: Ел-Пежо 205 - 30000км ........ ..... Ел-FAW 6371 - 70000км
Jekabes писав(ла):
Критикуете, предлагайте... зачем заниматься флудом в моей теме?

Какой флуд? Зачем тратить время на изобретение велосипеда? :wallbash: http://samodelkin.komi.ru/electron/relepov.html

_________________
Пробіг на Эл-Пежо 30 000км
Пробіг на єл-FAW 6371 60 000км


Повернутися до початку
 Профіль  
Відповісти цитуючи  
 Заголовок повідомлення: Re: Trabant 601 (Jekabes, Днепр)
#90091Повідомлення 09 вер 2019, 15:05 
Творець електромобіля, член клубу
Не в мережі

Звідки: Дніпро, Україна
Дякував (ла) 635 Подякували 607
Мій електротранспорт: Trabant 601 Электро '76, Nissan Leaf Aze0 '13
Додаткові файли:
Коментарій до файлу: 31 - масса
49 - вход "+"
49а - выход на лампы через тумблеры поворотов и аварийки.
Не забываем про разделительные диоды с кнопки аварийки.

20190909_155450.jpg
20190909_155450.jpg [ 261.87 КБ | Переглядів: 20083 ]
Переделал свои повороты. Знакомый на авторынке предложил реле от ланоса, продемонстрировав которое работает даже с одной светодиодной P21W. Убрал своё добро, внедрил, всё работает.
Изначально я тоже думал дорабатывать какое-нибудь серийное реле, потом сделал своё, теперь от ланоса без переделок... цена вопроса 50грн.
Тем временем пробег 4300км на электротяге.


Додаткові файли:
RelePov_ris2 (1).gif
RelePov_ris2 (1).gif [ 15.52 КБ | Переглядів: 20083 ]
Повернутися до початку
 Профіль  
Відповісти цитуючи  
 Заголовок повідомлення: Re: Trabant 601 (Jekabes, Днепр)
#90095Повідомлення 09 вер 2019, 15:42 
Власник електровелосипеда
Аватара користувача
Не в мережі

Звідки: Херсон, Украина
Дякував (ла) 144 Подякували 141
Мій електротранспорт: Эл.вел 48В/500Вт
Аварийка должна иметь приоритет перед поворотами. Провод с контакта 2 переключателя SW1 нужно перебросить на подвижный контакт этого же переключателя. И во включателе аварийки нужно предусмотреть контакты, подающие питание на "моргалку" при выключенном зажигании (по умолчанию, на авто поворотники работают при включенном зажигании, аварийка - хоть с зажиганием, хоть без него).


Повернутися до початку
 Профіль  
Відповісти цитуючи  
 Заголовок повідомлення: Re: Trabant 601 (Jekabes, Днепр)
#90096Повідомлення 09 вер 2019, 16:11 
Творець електромобіля, член клубу
Аватара користувача
Не в мережі

Звідки: Запорожье
Дякував (ла) 415 Подякували 1019
Мій електротранспорт: ROVER 75
Хочу електротранспорт: электробус
во время работы аварийки,если включаешь поворот,то должен работать поворот...

_________________
подтягивайтесь на страничку
https://www.facebook.com/Create-your-el ... 8811748137
постараюсь чтобы было интересно!


Повернутися до початку
 Профіль  
Відповісти цитуючи  
 Заголовок повідомлення: Re: Trabant 601 (Jekabes, Днепр)
#90098Повідомлення 09 вер 2019, 17:42 
Власник електровелосипеда
Аватара користувача
Не в мережі

Звідки: Херсон, Украина
Дякував (ла) 144 Подякували 141
Мій електротранспорт: Эл.вел 48В/500Вт
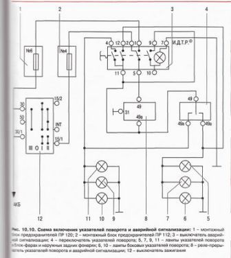
Угу, на чём? Пример промышленной схемы можно посмотреть?
Первое, что попалось под руку:
ВАЗ-2107 (10 - переключатель поворотов, 9 - включатель"аварийки")
Додаткові файли:
7-34.jpg
7-34.jpg [ 52.42 КБ | Переглядів: 20057 ]

ВАЗ-2108 (9 - переключатель поворотов, 8 - включатель "аварийки")
Додаткові файли:
vaz_2108_1650.jpg
vaz_2108_1650.jpg [ 66.54 КБ | Переглядів: 20057 ]

ЗАЗ-Таврия (4 - переключатель поворотов, 3 - включатель "аварийки", 1- предохранитель от АКБ на "аварийку", 2- предохранитель после замка зажигания на "поворотники")
Додаткові файли:
повор.jpg
повор.jpg [ 23.87 КБ | Переглядів: 20057 ]


Повернутися до початку
 Профіль  
Відповісти цитуючи  
 Заголовок повідомлення: Re: Trabant 601 (Jekabes, Днепр)
#90104Повідомлення 09 вер 2019, 19:16 
Творець електромобіля, член клубу
Не в мережі

Звідки: Дніпро
Дякував (ла) 191 Подякували 675
Хочу електротранспорт: Tesla Model3
Видел вчера Трабик часов в 7 на перекрестке Героев и Ильича. Характерный звук заставил обернуться))

_________________
Electric Drive Solutions Laboratory (EDSLab)

ЗАЗ 1103 "Slavuta AC Electric"
ГАЗ 24 "Волга електро"
А091 "Богдан електро"
ХТЗ Е25 "Едісон"
VW T5 "Combi drive"
"Synchronous"
Volvo 740 GL EDSLab
КМЗ "Дніпро електро Bonneville"
Dong Feng EDSLab
ЗАЗ 11055 "Tavria electro smart pickup"
ЗАЗ 1102 "Tavria electro smart coupe"

https://driver.top/user/68227/


Повернутися до початку
 Профіль  
Відповісти цитуючи  
Показати повідомлення за:  Поле сортування  
Почати нову тему Відповісти на тему  [ Повідомлень: 1495 ]              На сторінку Пред.  1 ... 40, 41, 42, 43, 44, 45, 46 ... 100  Наступ.

Часовий пояс: UTC + 2 години


Хто зараз на конференції

Зараз цей форум переглядають: немає зареєстрованих користувачів і гості: 168


Ви не можете створювати нові теми
Ви не можете відповідати на повідомлення
Ви не можете редагувати свої повідомлення
Ви не можете видаляти свої повідомлення
Ви не можете додавати додаткові файли

Найти:
Створено на основі phpBB® Forum Software © phpBB Group