Поточний час: 01 трав 2026, 09:49

Часовий пояс: UTC + 2 години



Почати нову тему Відповісти на тему  [ Повідомлень: 250 ]  На сторінку Пред.  1 ... 7, 8, 9, 10, 11, 12, 13 ... 17  Наступ.
Автор Повідомлення
 Заголовок повідомлення: Re: Электровелосипед Заря Силач
#90685Повідомлення 16 вер 2019, 20:08 
Активіст форуму
Аватара користувача
Не в мережі

Звідки: Троицк
Дякував (ла) 69 Подякували 105
Читайте книжки.
Там все есть.
И про токи утечки полевых транзисторов, и про эмиттерные повторители....
И могооооо чего интересного и полезного.

_________________
-----------------------------------------------------------------------
Лучше сразу взяться за ум, чтобы потом не хвататься за голову!


Повернутися до початку
 Профіль  
Відповісти цитуючи  
 Заголовок повідомлення: Re: Электровелосипед Заря Силач
#90686Повідомлення 16 вер 2019, 20:13 
Власник електровелосипеда
Аватара користувача
Не в мережі

Звідки: Херсон, Украина
Дякував (ла) 144 Подякували 141
Мій електротранспорт: Эл.вел 48В/500Вт
:lachtot:

Оффтоп
Продолжаем ржать попкорн.
:lachtot:


Повернутися до початку
 Профіль  
Відповісти цитуючи  
 Заголовок повідомлення: Re: Электровелосипед Заря Силач
#90689Повідомлення 16 вер 2019, 21:12 
Власник електровелосипеда
Не в мережі

Звідки: Київ Україна
Дякував (ла) 448 Подякували 634
Мій електротранспорт: Електровелосипед Заря Силач
Хочу електротранспорт: BYD
Мне уже страшно за своё реле поворотов после таких дискусий.
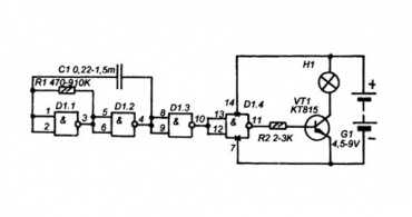
Танго может вы имели в виду такую схему
Додаткові файли:
k561la7.jpg
k561la7.jpg [ 17.46 КБ | Переглядів: 14611 ]

Это мигающий фонарь на микросхеме К561ЛА7 (К176ЛА7). Микросхема вырабатывает импульсы, которые поступают на базу транзистора VT1 и в те моменты, когда на его базу поступает напряжение единичного логического уровня (через резистор R2) он открывается и включает лампу накаливания, а в те моменты, когда напряжение на выводе 11 микросхемы равно нулевому уровню лампа гаснет.

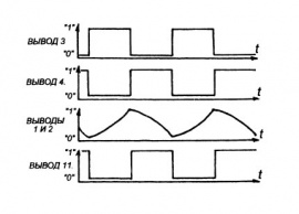
График, иллюстрирующий напряжение на выводе 11 микросхемы показан на рисунке ниже
Додаткові файли:
k561la7_1a.jpg
k561la7_1a.jpg [ 15.27 КБ | Переглядів: 14611 ]

Микросхема содержит четыре логических элемента "2И-НЕ", входы которые соединены вместе. В результате получается четыре инвертора ("НЕ". На первых двух D1.1 и D1.2 собран мультивибратор, вырабатывающий импульсы (на выводе 4), форма которых показана на рисунке. Частота этих импульсов зависит от параметров цепи, состоящей из конденсатора С1 и резистора R1. Приблизительно (без учета параметров микросхемы) эту частоту можно рассчитать по формуле F = 1/(CxR).

Работу такого мультивибратора можно пояснить так: когда на выходе D1.1 единица, на выходе D1.2 — нуль, это приводит к тому, что конденсатор С1 начинает заряжаться через R1, а вход элемента D1.1 следит за напряжением на С1. И как только это напряжение достигнет уровня логической единицы, схема как-бы переворачивается, теперь на выходе D1.1 будет ноль, а на выходе D1.2 единица.

Теперь уже конденсатор станет разряжаться через резистор, а вход D1.1 будет следить за этим процессом, и как только напряжение на нем станет равно логическому нуля схема опять перевернется. В результате уровень на выходе D1.2 будут импульсы, а на выходе D1.1 тоже будут импульсы, но противофазные импульсам на выходе D1.2.

На элементах D1.3 и D1.4 выполнен усилитель мощности, без которого, в принципе, можно обойтись.
В данной схеме можно использовать детали самых разных номиналов, пределы, в которые должны укладывать параметры деталей отмечены на схеме. Например, R1 может иметь сопротивление от 470 кОм до 910 кОм, конденсатор С1 иметь емкость от 0,22 мкФ до 1,5 мкФ, резистор R2 — от 2 кОм до 3 кОм.


Повернутися до початку
 Профіль  
Відповісти цитуючи  
 Заголовок повідомлення: Re: Электровелосипед Заря Силач
#90691Повідомлення 16 вер 2019, 23:05 
Власник електровелосипеда
Не в мережі

Звідки: Киев
Дякував (ла) 243 Подякували 617
Мій електротранспорт: Ё
все правильно , Леон , .
У меня поворотники именно по такой схеме и работают.
Только вместо КТ815 я поставил полевик, благо их много осталось после апгрейда контроллеров из 48В в 90В.

_________________
Э-вел,3 кВт Quanshun,Келли 200А,ли-ион,3.2кВтЧ,(LG 48АЧ, 21S) , max 75 км\ч, > 60 000 км


Повернутися до початку
 Профіль  
Відповісти цитуючи  
 Заголовок повідомлення: Re: Электровелосипед Заря Силач
#90699Повідомлення 17 вер 2019, 08:46 
Власник електровелосипеда, член клубу
Аватара користувача
Не в мережі

Звідки: Запорожье
Дякував (ла) 298 Подякували 1099
Мій електротранспорт: >
танго писав(ла):
... у микросхемы есть входное сопротивление ....

Да без разницы какое входное, конденсатор подключен к двум ВЫХОДАМ, что есть лютый схемотехнический эпикфейл, хотя я не удивлен, в соседней теме "танго" рисовал схему контролера и предлагал на протяжение всего ШИМ периода коротить две фазы, это почти из той же оперы.
Печально что "танго" и несколько похожих товарищей (я бы сказал вредителей) являются самыми активными пользователями форума. Я как модератор включать модерилку в технических спорах не могу (мне такого права не давали), так что жалобу на неправильную схему закрываю, но если бы моя воля, то таких товарищей за рамки флудилки бы не выпускал (детям место в песочнице).

_________________
2 моноколеса, 2 электровела, 2 подводных буксира, надувной электро-каяк.


Повернутися до початку
 Профіль  
Відповісти цитуючи  
 Заголовок повідомлення: Re: Электровелосипед Заря Силач
#90700Повідомлення 17 вер 2019, 08:51 
Site Admin
Аватара користувача
Не в мережі

Звідки: город Киев
Дякував (ла) 423 Подякували 1180
Мій електротранспорт: Nissan Leaf
танго писав(ла):
Вот собсно схема поворотника.
Светодиоды ставить 40 вольтовые или матрицы китайские на 36 вольт (10 Вт.)

Конечно по сравнению с лампочкой ярче но светодиодам то надо и тепло отводить. Так что думайте пан.
На схеме надо только транзистор n - p - n полярности (вот угораздило бли...н).

Одна КМОП микросхемка (дармовая) и тразистор типа КТ829А.

Танго, не диванный ты наш, хватит лажать, что со схемами, что с текстами. :maul:
Да, схема рабочая (почти, если поправить некоторые ляпы), резистор в базе не нужен, но делать ее никому не советую.

10 Вт в поворотники ЛЕД - не сильно ли круто? Учитывая, что светодиоды при той же яркости потребляют в 5 раз меньше лампочки - почему это вдруг там тепла больше? Может это тепло от резистора и транзистора в виду ущербности схемы? Тогда зачем она здесь? :wallbash:

_________________
Чем скуднее знания, тем категоричней суждения.

"Глупцы все, кто глупцами кажутся и половина тех, что не кажется". (Бальтасар Грасиан)


Повернутися до початку
 Профіль  
Відповісти цитуючи  
 Заголовок повідомлення: Re: Электровелосипед Заря Силач
#90713Повідомлення 17 вер 2019, 11:49 
Активіст форуму
Аватара користувача
Не в мережі

Звідки: Троицк
Дякував (ла) 69 Подякували 105
Леон, можно и такую схему что вы привели на 561ЛА7 - но она под лампу (стоит ключ на транзисторе).
Я нарисовал схему с максимальным упрощением под использование светодиодов.

Детали в китайской схеме все годные (вызывает сомнение отсутствие резистора последовательно в цепи базы транзистора 13007, хотя бы 100 ом)? По базе он не пробивается случаем? И коллектор-эмиттер первого транзистора прозвоните.
Если она изначально расчитана на 60 вольт., то при установке низковольтной лампы она потребляет большой ток и возможно некорректно работает. В этой схеме в генераторе задействованы оба транзистора, нельзя свободно варьировать ставить лампы на любое напряжение.
Параллельно бузеру конденсатор не нужен, резистор 4 ком. последовательно с ним если хватает громкости оставляйте.

Если хотите на светодиодах то лучше сделать на КМОП микросхеме и транзисторе.


Додаткові файли:
Поворотники.JPG
Поворотники.JPG [ 40.25 КБ | Переглядів: 14550 ]

_________________
-----------------------------------------------------------------------
Лучше сразу взяться за ум, чтобы потом не хвататься за голову!


Востаннє редагувалось танго 17 вер 2019, 13:46, редаговано 1 раз.
Повернутися до початку
 Профіль  
Відповісти цитуючи  
 Заголовок повідомлення: Re: Электровелосипед Заря Силач
#90717Повідомлення 17 вер 2019, 12:17 
Власник електровелосипеда
Не в мережі

Звідки: Киев
Дякував (ла) 243 Подякували 617
Мій електротранспорт: Ё
ДядяВася писав(ла):
), резистор в базе не нужен,

Д-я-я-д-я--В-а-с-я-, я был лучшего мнения , видимо ошибся.
Такими необдуманными постами вы провоцируете схемосочинителей подобных Танго , на всякую бредоересь.
Выход ЛА7 в таком случае будет практически работать на КЗ.
Выходной ток микросхемы будет ограничен ее защитными цепями , и составит около 10-12мА., что превышает допустимое значение по крайне мере в 20 раз.

А потом все удивляются , почему у самоделкиных все горит , взрывается и не работает.
Да потому что им пофиг на даташиты , на превышение значений , итд.

_________________
Э-вел,3 кВт Quanshun,Келли 200А,ли-ион,3.2кВтЧ,(LG 48АЧ, 21S) , max 75 км\ч, > 60 000 км


Повернутися до початку
 Профіль  
Відповісти цитуючи  
 Заголовок повідомлення: Re: Электровелосипед Заря Силач
#90718Повідомлення 17 вер 2019, 13:06 
Активіст форуму
Аватара користувача
Не в мережі

Звідки: Троицк
Дякував (ла) 69 Подякували 105
Ирде, а есть полно КМОП микросхем с буферами на выходе чтобы цеплять на них ТТЛ логику, и что? :XD:

Для того же Дяди Васи:
КПД светодиодов около 20% - если вы на него подаете 10 ватт мощности, то 8 ватт он рассеивает в виде тепла (греет сам себя). :ja:

ТРО, а что, кто то уже "взвыл" (жалится?) и "хнычет" в жилетку? :freu2:
Это же нормальный рабочий процесс, пора привыкать жить по новому. :ja:

К вопросу некоторых о невозможности генерить КМОП микросхемой с одним конденсатором или с одним резистором мы еще вернемся.
Пусть пока штудируют книжки о задержке распространении сигнала в элементах КМОП и о повороте фазы на 180 град. при соединении трех элементов КМОП последовательно (закольцовывании) и получении при этом ПОС.

_________________
-----------------------------------------------------------------------
Лучше сразу взяться за ум, чтобы потом не хвататься за голову!


Востаннє редагувалось танго 17 вер 2019, 19:21, редаговано 3 раз(а).

Повернутися до початку
 Профіль  
Відповісти цитуючи  
 Заголовок повідомлення: Re: Электровелосипед Заря Силач
#90720Повідомлення 17 вер 2019, 14:01 
Власник електровелосипеда, член клубу
Аватара користувача
Не в мережі

Звідки: Запорожье
Дякував (ла) 298 Подякували 1099
Мій електротранспорт: >
irde, когда я говорил о подобных танго, то имел вас в том числе. Он лажает в одних частях схем, вы в других, но серьезно плаваете оба, при этом пытаетесь учить тех кто таки знает толк в схемотехнических извращениях. ДядяВася не ошибся, просто симулятор схем в его голове, на порядки покруче вашего.
Додаткові файли:
njr.JPG
njr.JPG [ 20.08 КБ | Переглядів: 14543 ]

Надеюсь не надо объяснять почему ток через базу получился не выше половинки миллиампера.... (и он останется таким даже если выкоротить нагрузку в виде 20 Оммного резистора)

_________________
2 моноколеса, 2 электровела, 2 подводных буксира, надувной электро-каяк.


Повернутися до початку
 Профіль  
Відповісти цитуючи  
 Заголовок повідомлення: Re: Электровелосипед Заря Силач
#90737Повідомлення 17 вер 2019, 20:05 
Власник електровелосипеда
Не в мережі

Звідки: Киев
Дякував (ла) 243 Подякували 617
Мій електротранспорт: Ё
вы смоделируйте всю схему которую наваял танго , в том числе полярный конденсатор в мультивибраторе.
И обратите внимание на потенциал на эмиттере и следовательно на базе относительно массы ,( так как в цепи эмиттера стоит резистор ) .
И как этот потенциал согласуется с выходом ЛА7.
Мне не нужен симулятор , я и так вижу что схема опять корявая.
Если вы это не можете в голове прокрутить , ну флаг вам в руки , то бишь симулятор .
Только симулируйте правильно , тоесть все .
А не кусочковые апроксимации, на основании которых вы делаете недалекие выводы

_________________
Э-вел,3 кВт Quanshun,Келли 200А,ли-ион,3.2кВтЧ,(LG 48АЧ, 21S) , max 75 км\ч, > 60 000 км


Повернутися до початку
 Профіль  
Відповісти цитуючи  
 Заголовок повідомлення: Re: Электровелосипед Заря Силач
#90741Повідомлення 17 вер 2019, 20:14 
Site Admin
Аватара користувача
Не в мережі

Звідки: город Киев
Дякував (ла) 423 Подякували 1180
Мій електротранспорт: Nissan Leaf
Резистор в базе не нужен. От слова совсем. :motz: Даже если предположить, что там в нагрузке будут ЛЕДы на 15 Вт! (у меня 10 Вт кухню освещает).

Но резистор в базе обязательно бы понадобился, если б в эмиттере не было резистора (токозадающего). :ja:

_________________
Чем скуднее знания, тем категоричней суждения.

"Глупцы все, кто глупцами кажутся и половина тех, что не кажется". (Бальтасар Грасиан)


Повернутися до початку
 Профіль  
Відповісти цитуючи  
 Заголовок повідомлення: Re: Электровелосипед Заря Силач
#90759Повідомлення 17 вер 2019, 21:30 
Власник електровелосипеда
Не в мережі

Звідки: Київ Україна
Дякував (ла) 448 Подякували 634
Мій електротранспорт: Електровелосипед Заря Силач
Хочу електротранспорт: BYD
Вы лучше просимулируйте мою схему viewtopic.php?f=48&t=2222&start=105#p90528 а то опять начали изобретать компьютер Пионер :D


Повернутися до початку
 Профіль  
Відповісти цитуючи  
 Заголовок повідомлення: Re: Электровелосипед Заря Силач
#91749Повідомлення 05 жовт 2019, 14:17 
Власник електровелосипеда
Не в мережі

Звідки: Київ Україна
Дякував (ла) 448 Подякували 634
Мій електротранспорт: Електровелосипед Заря Силач
Хочу електротранспорт: BYD
Переміг я повороти на велосипеді. Довелося частину бортової мережі перевести на 12В. Для цього придбав ДС-ДС модуль 36-72В на 12В 10А
Додаткові файли:
DSCN16141.jpg
DSCN16141.jpg [ 129.6 КБ | Переглядів: 14447 ]

Переробив реле поворотів на 12В,
Додаткові файли:
DSCN15541.jpg
DSCN15541.jpg [ 129.54 КБ | Переглядів: 14447 ]

Світлодіоди 10Вт білі.
Додаткові файли:
свд.jpg
свд.jpg [ 3.63 КБ | Переглядів: 14447 ]

Щоб світло було помаранчеве придбав в автомагазині пластикове скло від якогось повороту і порізав на потрібні шматочки.
Додаткові файли:
скло.jpg
скло.jpg [ 3.61 КБ | Переглядів: 14447 ]

Для живлення світлодіодів використав міні драйвер
Додаткові файли:
dc dc.jpg
dc dc.jpg [ 5.33 КБ | Переглядів: 14447 ]

Пишуть що світлодіоди 10Вт, але це лише в фірмових дорогих, а в тих що китайози продають ват 6 приблизно. Драйвер розміром з пів нігтя і регулюється напруга. Виставив щоб ярко світили і не нагрівались, бо без радіатора.
Також переробив і задні повороти, тепер їх добре видно. На все пішло 3 дні життя в гаражі враховучи те що то реле не хотіло працювати так як потрібно, то не туди втикнув розєм і спалив панель приладів :x довелося ремонтувати


Додаткові файли:
DSCN16191.jpg
DSCN16191.jpg [ 294.74 КБ | Переглядів: 14447 ]
Повернутися до початку
 Профіль  
Відповісти цитуючи  
 Заголовок повідомлення: Re: Электровелосипед Заря Силач
#91750Повідомлення 05 жовт 2019, 14:21 
Активіст форуму
Аватара користувача
Не в мережі

Звідки: Троицк
Дякував (ла) 69 Подякували 105
Что за драйвер? Цена?

_________________
-----------------------------------------------------------------------
Лучше сразу взяться за ум, чтобы потом не хвататься за голову!


Повернутися до початку
 Профіль  
Відповісти цитуючи  
Показати повідомлення за:  Поле сортування  
Почати нову тему Відповісти на тему  [ Повідомлень: 250 ]              На сторінку Пред.  1 ... 7, 8, 9, 10, 11, 12, 13 ... 17  Наступ.

Часовий пояс: UTC + 2 години


Хто зараз на конференції

Зараз цей форум переглядають: немає зареєстрованих користувачів і гості: 5


Ви не можете створювати нові теми
Ви не можете відповідати на повідомлення
Ви не можете редагувати свої повідомлення
Ви не можете видаляти свої повідомлення
Ви не можете додавати додаткові файли

Найти:
Створено на основі phpBB® Forum Software © phpBB Group