Freod писав(ла):
выдержала ровно 2 зарядки.
------
выдержало 5 зарядок.
Я за автоматизацию и заводскую отлаженую сборку, чем меньше там человека, тем лучше.
А где гарантия что даже ваша "заводская и отлаженная сборка" не произведена на кухне или в сарае у того же дади Ляо ?
Вы ведь свечку не держали

По поводу продажи , - читайте первую сторку поста .
thunder_blade писав(ла):
Имхо заморочь, купить китайскую зарядку
-
По последовательному включению двух 42в БП надо еще смотреть что за диоды там в выпрямителе да бы не постреляли...
Думаете я не мониторил готовые зарядки ,
Самое для меня плохое - это ждать 2 - 3 месяца,
да и потом , размер китайской на такую же мощность чуть больше ,
а цена почти в 3 раза выше.
А эти купленные 2 БП , когда надобность в зарядке отпадет , пойдут на другие проекты, (в планах сделать светодиодное освещение и нормальный цифровой лабораторник .)
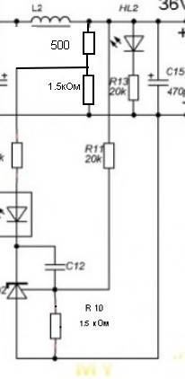
На выходе диоды на 100 В , кандеры на 50В.
Опасаюсь только за ТЛ 431 , у нее предел 35В , а на нее идет 42В.
Надо будет погасить лишнее.
igo61 писав(ла):
еловек с прямыми руками и светлой головой.
стараюсь ,
Короче , напругу повысил , ток ограничения уменьшил , соединил последовательно.
Для защиты советуют ставить диоды в обратной полярности на выход каждого БП , я это и сделал.
Правда не понимаю как и что они будут защищать.
Нагрузил ТЭН-ом ,но тэн слабоват , до тока ограничения в 5А не дотягивает.
Пока все нормально.
Скоро буду на аккумах тестировать, там реальная картинка и проявится.
Додаткові файли:
2020-08-27 10 29 57.jpg [ 141.13 КБ | Переглядів: 16297 ]
И Схема БП
Додаткові файли:
2020-08-27 10 36 58.jpg [ 80.76 КБ | Переглядів: 16297 ]