Поточний час: 27 квіт 2026, 17:40

Часовий пояс: UTC + 2 години



Почати нову тему Відповісти на тему  [ Повідомлень: 462 ]  На сторінку Пред.  1, 2, 3, 4, 5, 6, 7, 8 ... 31  Наступ.
Автор Повідомлення
 Заголовок повідомлення: Re: Зарядки Дельта
#32591Повідомлення 27 січ 2017, 18:35 
Власник електровелосипеда, член клубу
Аватара користувача
Не в мережі

Звідки: Запорожье
Дякував (ла) 298 Подякували 1099
Мій електротранспорт: >
Все правильно, в таком подключении идеала не существует.
С двумя проводами вот оптимум полученный методом тыка:
Додаткові файли:
бат_паралел.JPG
бат_паралел.JPG [ 61.6 КБ | Переглядів: 10653 ]

подключаемся к середине каждой из половинок по диагонали.
Т.е. делим 10 пополам, получаем 5, середина пятерки это третий элемент, значит припаиваемся к третьим элементам с каждой стороны по диагонали параллельной сборки.

Идеал, это когда сколько банок, столько и последовательных связей (матрица короче).
Я параноик :D , поэтому у меня их еще почти вдвое больше.
Додаткові файли:
IMG_20170127_184150.jpg
IMG_20170127_184150.jpg [ 40.11 КБ | Переглядів: 10652 ]

На семь паралельных элементов не одна, а 13!!! последовательно-паралельных связей, можете представить совокупное сечение 8O .
Снимаю ток я с последних элементов, минимум с трех точек вдоль паралели проводниками одной длины.

А еще лучше как у тесламобиля, общая шина вдоль параллелей, и к каждой из банок двух соседних параллелей идет волосок нужного сечения, который заодно служит предохранителем.

_________________
2 моноколеса, 2 электровела, 2 подводных буксира, надувной электро-каяк.


Повернутися до початку
 Профіль  
Відповісти цитуючи  
 Заголовок повідомлення: Re: Зарядки Дельта
#32614Повідомлення 28 січ 2017, 13:00 
Власник електровелосипеда
Не в мережі

Звідки: Киев
Дякував (ла) 243 Подякували 617
Мій електротранспорт: Ё
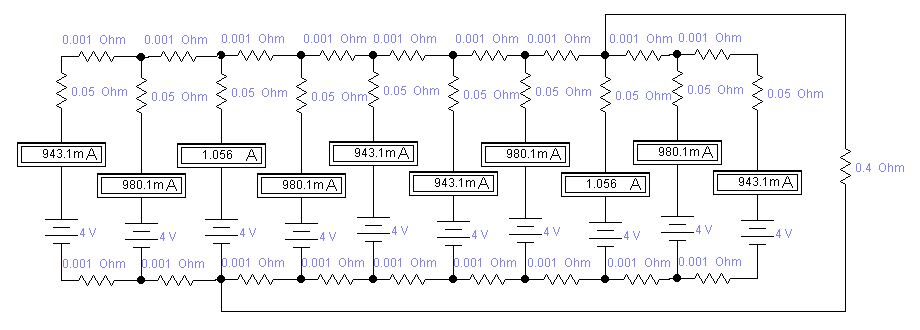
Это что же получается , Сорока ошибся в своем варианте диагонального токосъема ?

Додаткові файли:
ScreenShot0.jpg
ScreenShot0.jpg [ 82.33 КБ | Переглядів: 10610 ]


Незнаю, как по моему , по логике , он прав .
Если проследить путь тока допустим от ближнего к нагрузке элемента
( условно первый) , то ток от нижнего полюса , пройдет через 9 нижних соединяющих перемычек , через нагрузку и втечет в верхний полюс.

Додаткові файли:
ScreenShot1.jpg
ScreenShot1.jpg [ 88.25 КБ | Переглядів: 10610 ]


Рассмотрим 5ый элемент, ток пройдет через пять нижних перемычек , через нагрузку , через четыре верхних перемычек и войдет в элемент.

Додаткові файли:
ScreenShot2.jpg
ScreenShot2.jpg [ 86.77 КБ | Переглядів: 10610 ]


Дальний ( 10ый)элемент - , ток точно так же пройдет через те же суммарно девять перемычек,

Додаткові файли:
ScreenShot3.jpg
ScreenShot3.jpg [ 87.42 КБ | Переглядів: 10610 ]


По идее , ток с каждого элемента должен быть одинаков ,но симулятор явно думает иначе.
На форуме кажется есть преподаватели с КПИ , ну подскажите как все же правильно будет, может симулятор ошибается?
Тема ведь интересная , предложите студентам реальную задачу , пусть порешают, амперметров то у вас завались, наверное.

_________________
Э-вел,3 кВт Quanshun,Келли 200А,ли-ион,3.2кВтЧ,(LG 48АЧ, 21S) , max 75 км\ч, > 60 000 км


Повернутися до початку
 Профіль  
Відповісти цитуючи  
 Заголовок повідомлення: Re: Зарядки Дельта
#32616Повідомлення 28 січ 2017, 14:28 
Творець електромобіля
Аватара користувача
Не в мережі

Звідки: Tumen
Дякував (ла) 166 Подякували 68
Мій електротранспорт: Заз 968м
Промоделируйте вариант Alex_Soroka и другие,свои,и выберите меньшее зло.
Вручную просчитать сложновато,разве что элемента на 3-4.Лично мне лень считать,если мне нужно будет,соединю все ячейки по своему, и токи будут идеально равны во всех ячейках.

_________________
ЗАЗ 968М-электро
http://electricmobile.org.ua/forum/view ... =33&t=1087


Повернутися до початку
 Профіль  
Відповісти цитуючи  
 Заголовок повідомлення: Re: Зарядки Дельта
#32617Повідомлення 28 січ 2017, 14:32 
Site Admin
Аватара користувача
Не в мережі

Звідки: город Киев
Дякував (ла) 423 Подякували 1180
Мій електротранспорт: Nissan Leaf
irde писав(ла):
Это что же получается , Сорока ошибся в своем варианте диагонального токосъема ?..

Сорока не ошибся, просто ТRO предложил другой вариант решения проблемы, и этот вариант еще и для минимизации Ro вкупе с проводкой.

_________________
Чем скуднее знания, тем категоричней суждения.

"Глупцы все, кто глупцами кажутся и половина тех, что не кажется". (Бальтасар Грасиан)


Повернутися до початку
 Профіль  
Відповісти цитуючи  
 Заголовок повідомлення: Re: Зарядки Дельта
#32618Повідомлення 28 січ 2017, 14:43 
Творець електромобіля
Аватара користувача
Не в мережі

Звідки: Tumen
Дякував (ла) 166 Подякували 68
Мій електротранспорт: Заз 968м
Вот поэтому,видно,набирают батарею веточками ( народные котлеты,к примеру).Но BMS то одна,значит балансировочные провода могут оказывать влияние?Какое у них сопротивление?

_________________
ЗАЗ 968М-электро
http://electricmobile.org.ua/forum/view ... =33&t=1087


Повернутися до початку
 Профіль  
Відповісти цитуючи  
 Заголовок повідомлення: Re: Зарядки Дельта
#32619Повідомлення 28 січ 2017, 15:37 
Власник електровелосипеда, член клубу
Не в мережі

Звідки: Украина. Подольск
Дякував (ла) 269 Подякували 183
Мій електротранспорт: Электроскутер Viper Wind 72V 3.5kW 24Ah
Хочу електротранспорт: Nissan Leaf
Это когда-то было амперметров завались, а теперь все больше переходят на компьютерное моделирование, симуляторы там всякие и т.д. Не знаю как в институте но в школе давно применяются виртуальные физлаборатории.


Повернутися до початку
 Профіль  
Відповісти цитуючи  
 Заголовок повідомлення: Re: Зарядки Дельта
#32625Повідомлення 28 січ 2017, 17:18 
Site Admin
Аватара користувача
Не в мережі

Звідки: город Киев
Дякував (ла) 423 Подякували 1180
Мій електротранспорт: Nissan Leaf
Vladimirvv писав(ла):
Вот поэтому,видно,набирают батарею веточками ( народные котлеты,к примеру).Но BMS то одна,значит балансировочные провода могут оказывать влияние?Какое у них сопротивление?

Сопротивление относительно большое. Ведь они не несут силовой нагрузки, их функция выравнивающая (это при исправной батарее, а при неисправной тонкие могут и перегореть).

_________________
Чем скуднее знания, тем категоричней суждения.

"Глупцы все, кто глупцами кажутся и половина тех, что не кажется". (Бальтасар Грасиан)


Повернутися до початку
 Профіль  
Відповісти цитуючи  
 Заголовок повідомлення: Re: Зарядки Дельта
#32626Повідомлення 28 січ 2017, 17:40 
Творець електромобіля
Аватара користувача
Не в мережі

Звідки: Tumen
Дякував (ла) 166 Подякували 68
Мій електротранспорт: Заз 968м
ДядяВася писав(ла):
Vladimirvv писав(ла):
Вот поэтому,видно,набирают батарею веточками ( народные котлеты,к примеру).Но BMS то одна,значит балансировочные провода могут оказывать влияние?Какое у них сопротивление?

Сопротивление относительно большое. Ведь они не несут силовой нагрузки, их функция выравнивающая (это при исправной батарее, а при неисправной тонкие могут и перегореть).

Эти ньюансы ( особенно когда ячейки "текут" или вообще коротят,а то и в обрыв уйдут) вызывают беспокойство,тянут за собой другие беды,могут запросто помереть и другие,здоровые ячейки.Причём эта большая вероятность.
Поэтому нужно решать это на стадии разработки.
Поэтому и возникают альтернативные идеи,вызывающие шквал критики.И не понимают многие,что не на пустом месте эти идеи появляются.

_________________
ЗАЗ 968М-электро
http://electricmobile.org.ua/forum/view ... =33&t=1087


Повернутися до початку
 Профіль  
Відповісти цитуючи  
 Заголовок повідомлення: Re: Зарядки Дельта
#32629Повідомлення 28 січ 2017, 18:56 
Site Admin
Аватара користувача
Не в мережі

Звідки: город Киев
Дякував (ла) 423 Подякували 1180
Мій електротранспорт: Nissan Leaf
Вот за всеми нюансами и должна следить BMS, вовремя реагировать и докладывать. Чем больше нюансов и параметров отслеживает, чем правильней реагирует - тем круче BMS. Причем функция балансировки тут далеко не первом месте, потому как правильная исправная батарея, единажды сбалансированная, в балансировке почти не нуждается.
Но малые токи балансировки обычно сильно удивляют начинающих электромобилистов, и именно токам балансировки почему то уделяется больше внимания, чем контролю и защите вообще, хотя это не правильно.

Да, и, если ячейки "текут", то нужно немедленно принимать меры по замене, а не надеяться, что электроника все исправит.

Но, похоже, мы отклонились от темы зарядок Дельта. Про BMS лучше поговорить в другой ветке.

_________________
Чем скуднее знания, тем категоричней суждения.

"Глупцы все, кто глупцами кажутся и половина тех, что не кажется". (Бальтасар Грасиан)


Повернутися до початку
 Профіль  
Відповісти цитуючи  
 Заголовок повідомлення: Re: Зарядки Дельта
#32630Повідомлення 28 січ 2017, 19:09 
Власник електровелосипеда
Не в мережі

Звідки: Киев
Дякував (ла) 243 Подякували 617
Мій електротранспорт: Ё
Чего то тема схемы правильного токосъема уходит в сторону.
Кто мне конкретно ответит , на моих картинках с красными линиями-путями, где и в чем я ошибся рассуждая о равнотоковом съеме с элементов в диагональной схеме предложенной Сорокой , почему симулятор думает иначе .
Похоже , кроме самого Сороки никто не ответит.

_________________
Э-вел,3 кВт Quanshun,Келли 200А,ли-ион,3.2кВтЧ,(LG 48АЧ, 21S) , max 75 км\ч, > 60 000 км


Повернутися до початку
 Профіль  
Відповісти цитуючи  
 Заголовок повідомлення: Re: Зарядки Дельта
#32631Повідомлення 28 січ 2017, 19:12 
Site Admin
Аватара користувача
Не в мережі

Звідки: город Киев
Дякував (ла) 423 Подякували 1180
Мій електротранспорт: Nissan Leaf
Да не сильно то и уводит, потому как общее название темы "Зарядные и балансировочные устройства".

Люди часто ошибаются. Симуляторы делают люди, соответственно, симуляторы тоже могут ошибаться.
Согласно закону Мерфи - каждая программа содержит как минимум одну ошибку...

_________________
Чем скуднее знания, тем категоричней суждения.

"Глупцы все, кто глупцами кажутся и половина тех, что не кажется". (Бальтасар Грасиан)


Повернутися до початку
 Профіль  
Відповісти цитуючи  
 Заголовок повідомлення: Re: Зарядки Дельта
#32632Повідомлення 28 січ 2017, 19:13 
Власник електровелосипеда
Не в мережі

Звідки: Киев
Дякував (ла) 243 Подякували 617
Мій електротранспорт: Ё
Vladimirvv писав(ла):
если мне нужно будет,соединю все ячейки по своему, и токи будут идеально равны во всех ячейках.


нарисуйте вашу схему , я в симулятор загружу , посмотрим какая будет идеальность с его точки зрения ?

_________________
Э-вел,3 кВт Quanshun,Келли 200А,ли-ион,3.2кВтЧ,(LG 48АЧ, 21S) , max 75 км\ч, > 60 000 км


Повернутися до початку
 Профіль  
Відповісти цитуючи  
 Заголовок повідомлення: Re: Зарядки Дельта
#32634Повідомлення 28 січ 2017, 19:35 
Власник електровелосипеда, член клубу
Аватара користувача
Не в мережі

Звідки: Запорожье
Дякував (ла) 298 Подякували 1099
Мій електротранспорт: >
irde писав(ла):
Чего то тема схемы правильного токосъема уходит в сторону.
Кто мне конкретно ответит , на моих картинках с красными линиями-путями, где и в чем я ошибся рассуждая о равнотоковом съеме с элементов в диагональной схеме предложенной Сорокой , почему симулятор думает иначе .
Похоже , кроме самого Сороки никто не ответит.

Ошиблись вы в том что красными линиями нужно отмечать абсолютно все проводники.

А что бы посчитать самостоятельно, то нужно просто сократить число параллельных элементов до трех, убрать источники напряжения (там всего то 7 сопротивлений остается, по два из них последовательно, т.е. в расчете будет всего пять), подать напряжение вместо нагрузки, и посчитать ручками по закону Ома распределение токов по веткам.
Додаткові файли:
_паралел2.JPG
_паралел2.JPG [ 15.02 КБ | Переглядів: 10544 ]

Кто не верит в симулятор, считайте (51 это бывшие последовательно 50 и 1).
Я симулятору в моделировании сопротивлений верю, убеждался неоднократно.

_________________
2 моноколеса, 2 электровела, 2 подводных буксира, надувной электро-каяк.


Повернутися до початку
 Профіль  
Відповісти цитуючи  
 Заголовок повідомлення: Re: Зарядки Дельта
#32635Повідомлення 28 січ 2017, 19:45 
Творець електромобіля
Аватара користувача
Не в мережі

Звідки: Tumen
Дякував (ла) 166 Подякували 68
Мій електротранспорт: Заз 968м
irde писав(ла):
Vladimirvv писав(ла):
если мне нужно будет,соединю все ячейки по своему, и токи будут идеально равны во всех ячейках.


нарисуйте вашу схему , я в симулятор загружу , посмотрим какая будет идеальность с его точки зрения ?

Ячейки в параллель соединить проводами одинаковой длинны в "пучок".Затем эти "пучки" соединяйте последовательно,получите тяговую.Не красиво,геморойно,но токи будут во всех ячейках одинаковые ( разбег, только,если сопротивления ячеек разные).
Второй вариант,мощные шинки для каждой параллели,сопротивление шин будет близко к нулю.Разбег токов ячейках будут определяться внутренним сопротивлением ячеек.Но главное,что напряжение на ячейках одинаковое,заряжаться будут быстрей отстающие.Этот вариант предпочтительней.

_________________
ЗАЗ 968М-электро
http://electricmobile.org.ua/forum/view ... =33&t=1087


Востаннє редагувалось Vladimirvv 28 січ 2017, 19:58, редаговано 1 раз.

Повернутися до початку
 Профіль  
Відповісти цитуючи  
 Заголовок повідомлення: Re: Зарядки Дельта
#32636Повідомлення 28 січ 2017, 19:58 
Власник електровелосипеда, член клубу
Аватара користувача
Не в мережі

Звідки: Запорожье
Дякував (ла) 298 Подякували 1099
Мій електротранспорт: >
Что касаемо запараллеливания зарядок, то я настраивал их на немного разное напряжение, чтобы смена фаз СС/CV проходила у них не в одно время, а то они как то плохо друг на друга влияют. С фазой СС при последовательном соединении есть другие засады, идеально токи ограничений не выставить, поэтому саму слабую по току зарядку (или паралель зарядок) задавят. Поэтому характеристика токоограничения должна быть нарастающей с падением напряжения, и чем больше нарастает ток от падения напряжения, тем стабильнее эта последовательная кухня работает. При этом нужно не жмотится, и добавить конденсаторов на каждую паралель, чем больше тем лучше.

_________________
2 моноколеса, 2 электровела, 2 подводных буксира, надувной электро-каяк.


Повернутися до початку
 Профіль  
Відповісти цитуючи  
Показати повідомлення за:  Поле сортування  
Почати нову тему Відповісти на тему  [ Повідомлень: 462 ]              На сторінку Пред.  1, 2, 3, 4, 5, 6, 7, 8 ... 31  Наступ.

Часовий пояс: UTC + 2 години


Хто зараз на конференції

Зараз цей форум переглядають: немає зареєстрованих користувачів і гості: 21


Ви не можете створювати нові теми
Ви не можете відповідати на повідомлення
Ви не можете редагувати свої повідомлення
Ви не можете видаляти свої повідомлення
Ви не можете додавати додаткові файли

Найти:
Створено на основі phpBB® Forum Software © phpBB Group